3d号码预测_3d昨晚一等奖多少注_3d除三余数走势图表_期飞向阳光龙头凤尾预测图表_于海滨专家3d预测,于海滨杀码今天最新版_精解太湖字谜3d解太湖字谜_3d今晚最准最新专家推荐号_3d今晚十大专家预测汇总_3d今晚专家免费预测 ,3d专家预测最准确今天3d_两天两胆计划王_3d带线走势图(专业版)_3d直选15注必中一注_今晚最准的一注3d ,3d直选综合走势图表_今天3d基本走势图_今天晚上的3d中奖号码是多少_3d最新准专家预测_3d正版藏机图字谜

NEWS

Focus on environmental monitoring services, committed to the development of environmental protection

Position:Home > News > 行業動態

DB37 3922-2020 固定污染源廢氣 總烴、甲烷和非甲烷總烴的測定 便攜式催化氧化-氫火焰離子化檢測器法

Time:2020-04-09

固定污染源廢氣 總烴、甲烷和非甲烷總烴的測定  便攜式催化氧化-氫火焰離子化檢測器法

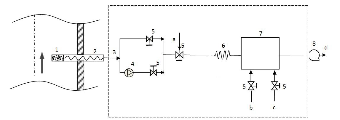
7 - 副本.jpg

1、范圍

本標準規定了測定固定污染源有組織排放廢氣中總烴、甲烷和非甲烷總烴的便攜式催化氧化-氫火焰離子化檢測器法。

本標準適用于固定污染源有組織排放廢氣中總烴、甲烷和非甲烷總烴的測定。

本方法測定總烴、甲烷的檢出限均為0.14 mg/m3(以甲烷計),測定下限均為0.56 mg/m3(以甲烷計);非甲烷總烴的檢出限為0.10 mg/m3(以碳計),測定下限為0.40 mg/m3(以碳計)。

2、規范性引用文件

下列文件對于本文件的應用是必不可少的。凡是注日期的引用文件,僅注日期的版本適用于本文件。凡是不注日期的引用文件,其最新版本(包括所有的修改單)適用于本文件。

GB/T 16157 固定污染源排氣中顆粒物測定與氣態污染物采樣方法

HJ/T 373 固定污染源監測質量保證與質量控制技術規范(試行)

HJ/T 397 固定源廢氣監測技術規范

HJ 836 固定污染源廢氣 低濃度顆粒物的測定 重量法

HJ 1012 環境空氣和廢氣 總烴、甲烷和非甲烷總烴便攜式監測儀技術要求及檢測方法

3、術語和定義

下列術語和定義適用于本文件。

3.1  

總烴 total hydrocarbons(THC)

指在本標準規定的測定條件下,在氫火焰離子化檢測器上有響應的氣態有機化合物的總和。

3.2  

非甲烷總烴 non-methane hydrocarbons(NMHC)

指在本標準規定的測定條件下,從總烴中扣除甲烷以后其他氣態有機化合物的總和(除非另有說明,結果以碳計)。

3.3  

校準量程 calibration span

儀器的校準上限,為校準所用標準氣體的濃度值(進行多點校準時,為校準所用標準氣體的最高質量濃度值),校準量程(以下用C.S.表示)應小于或等于儀器的滿量程。

3.4  

示值誤差 calibration error

標準氣體直接導入分析儀的測量結果與標準氣體濃度值之間的誤差。

3.5  

系統偏差 system bias

標準氣體直接導入分析儀與經采樣管導入分析儀的測量結果之間的差值,占校準量程的百分比。

4、方法原理

將廢氣樣品導入便攜式催化氧化-氫火焰離子化檢測器分析儀,分別通過總烴檢測單元和甲烷檢測單元(甲烷檢測單元通過催化劑能夠將除甲烷以外的其他有機化合物全部氧化為二氧化碳和水)測定總烴和甲烷的含量,兩者之差即為非甲烷總烴的含量。

5、干擾和消除

5.1 氧氣對樣品測定有干擾,儀器應具有在測量樣品時自動扣除氧峰消除干擾的功能。

5.2 廢氣中的顆粒物易堵塞管路,干擾樣品測定,應通過儀器的濾塵裝置進行消除。

6、試劑和材料

6.1 除烴空氣

總烴含量(含氧峰)≤0.40 mg/m3(以甲烷計);或在甲烷柱上測定,除氧峰外無其他峰。

6.2 標準氣體

可采用甲烷、丙烷有證標準氣體或甲烷和丙烷混合有證標準氣體,平衡氣為除烴空氣,其不確定度≤2 %。

6.3 燃料氣

氫氣,純度≥99.999 %,應以安全形式存儲,保證現場使用和運輸安全。

7、儀器和設備

7.1 廢氣中水份含量的測定裝置

濕度測定裝置用于廢氣中水份含量的測定。

7.2 儀器構成

便攜式催化氧化-氫火焰離子化檢測器法分析儀,主要包括樣品采集和傳輸單元、分析單元、數據采集與處理單元以及其他輔助設備等。儀器工作原理示意圖見圖1。

7.3 樣品采集和傳輸單元

樣品采集和傳輸單元主要包括采樣探頭、樣品傳輸管線、流量控制設備和采樣泵等。采樣探頭及樣品傳輸管線應選用耐高溫、防腐蝕和不吸附、不與待測物發生反應的材質,采樣探頭應配有顆粒物過濾裝置,樣品傳輸管線應具有穩定、均勻加熱和保溫的功能。

7.4 分析單元

分析單元包括催化氧化單元和氫火焰離子化檢測器,氫火焰離子化檢測器具有自動檢測當前火焰狀態功能,當檢測到火焰熄滅,儀器自動點火,恢復正常運行。

7.5 數據采集與處理單元

儀器同屏顯示總烴和甲烷的數值,計算出非甲烷總烴的數值,具備顯示實時數據和曲線、查詢歷史數據功能,具有遠程數據傳輸功能。

7.6 輔助設備

配備便攜式打印機,用于現場打印測試數據。

7.7 儀器性能要求

儀器性能要求包括:

a)    示值誤差:不超過±10 %;

b)    系統偏差:不超過±10 %;

c)    溫度要求:樣品傳輸管線溫度不低于120℃且高于煙氣溫度20℃以上,實際溫度值能夠在儀器中顯示并可根據工況調節溫度;

d)    其它應符合HJ 1012的要求。

儀器工作原理示意圖-青島環控

1.顆粒物過濾裝置 2.采樣探頭 3.樣品傳輸管線 4.催化氧化單元 5.控制閥 6.定量環

7.氫火焰離子化檢測器 8.采樣泵

a.樣品氣 b.燃料氣 c.除烴空氣 d.廢氣

圖1 儀器工作原理示意圖

8、采樣和測定

8.1 采樣位置、采樣點的確定

按GB/T 16157、HJ/T 373、HJ/T 397及有關規定,確定采樣位置、采樣點。

8.2 儀器準備

按操作說明正確連接儀器設備,打開主機電源,進行儀器預熱。

8.3 儀器校準

8.3.1 零點校準

測試前,通入除烴空氣(6.1)對設備零點進行校準。

8.3.2 量程校準

預估待測氣體濃度,設置校準量程。將標準氣體(6.2)通入分析儀進行測定,示值誤差應符合7.7條a)的要求,否則,需要校準,校準方法如下:

將標準氣體(6.2)與分析儀連接,安裝好并打開標準氣體后,按儀器使用說明書中規定的校準步驟進行校準。

8.4 樣品測定

8.4.1 將儀器采樣管前端盡量插入到排氣筒的中心位置,封堵采樣孔。

8.4.2 待儀器測量穩定后記錄測定數據,按分鐘記錄測試數據,取連續5 min~15 min測定數據的平均值,作為一次測量值。

8.4.3 測量結束后,用除烴空氣(6.1)清洗測定儀,待其示值回到零點附近后,關機斷電,結束測定。

8.4.4 按照HJ 836的有關規定測定并記錄廢氣中水份含量。

9、結果計算與表示

9.1 排放濃度計算

總烴、甲烷和非甲烷總烴的濃度結果,以標準狀態下廢氣中的質量濃度表示,總烴和甲烷測定結果以甲烷計,非甲烷總烴測定結果以碳計。

如果儀器示值以體積比濃度(V/V)表示時,應按下式進行換算:

 QQ截圖2020.png

ρ  ——標準狀態下(273.15 K,101.325 kPa)煙氣中總烴、甲烷或非甲烷總烴的質量濃度,mg/m3

——被測氣體中總烴、甲烷或非甲烷總烴的體積比濃度,μmol/mol;

——甲烷或碳的相對分子質量,g/mol;

Xsw——煙氣中水分含量體積百分比,%。

9.2 結果表示

當測定結果小于1 mg/m3時,保留至小數點后兩位;當結果大于等于1 mg/m3時,保留三位有效數字。

10、精密度和準確度

10.1 精密度

6家驗證實驗室分別對濃度水平為20.1 mg/m3、60.5 mg/m3、118 mg/m3的甲烷標準氣體(以碳計)進行測定:

實驗室內相對標準偏差分別為:0.2 %~1.7 %、0.2 %~1.2 %、0.1 %~0.6 %;

實驗室間相對標準偏差分別為:2.3 %、2.9 %、2.5 %;

重復性限分別為:0.5 mg/m3、1.1 mg/m3、1.2 mg/m3

再現性限分別為:1.4 mg/m3、4.9 mg/m3、8.5 mg/m3

6家驗證實驗室分別對濃度水平為22.2 mg/m3、59.0 mg/m3、120 mg/m3的甲烷和丙烷混合標準氣體(以碳計)進行測定:

實驗室內相對標準偏差分別為:0.1 %~1.0 %、0.2 %~0.6 %、0 %~0.7 %;

實驗室間相對標準偏差分別為:4.2 %、1.3 %、1.6 %;

重復性限分別為:0.4 mg/m3、0.6 mg/m3、1.4 mg/m3

再現性限分別為:2.6 mg/m3、2.2 mg/m3、5.3 mg/m3

6家實驗室對某制藥廠、某化工廠、某農藥廠有組織廢氣中非甲烷總烴濃度(以碳計)進行測定。某制藥廠有組織廢氣中非甲烷總烴濃度為49.5 mg/m3~59.5 mg/m3,平均值53.7 mg/m3;某化工廠有組織廢氣中非甲烷總烴濃度為211 mg/m3~257 mg/m3,平均值232 mg/m3;某農藥廠有組織廢氣中非甲烷總烴濃度為91.2 mg/m3~97.3 mg/m3,平均值94.5 mg/m3,實驗室內相對標準偏差分別為:2.9 %~5.9 %、3.0 %~5.1 %、1.6 %~2.5 %;實驗室間相對標準偏差分別為:1.5 %、4.2 %、0.6 %。

10.2 準確度

6家驗證實驗室分別對濃度水平為20.1 mg/m3、60.5 mg/m3、118 mg/m3的甲烷標準氣體(以碳計)進行測定:

相對誤差分別為:-4.1 %~1.9 %、-4.8 %~2.0 %、-4.0 %~2.7 %;

相對誤差的最終值為:-1.0 %±4.6 %、-1.4 %±5.6 %、0 %±5.0 %。

6家驗證實驗室分別對濃度水平為22.2 mg/m3、59.0 mg/m3、120 mg/m3的甲烷和丙烷混合標準氣體(以碳計)進行測定:

相對誤差分別為:-6.4 %~6.1 %、-3.7 %~-0.5 %、-4.7 %~-0.5 %;

相對誤差的最終值為:-1.4 %±8.4 %、-2.2 %±2.6 %、-2.4 %±3.0 %。

11、質量保證與質量控制

11.1 測定前,通入除烴空氣(6.1)和標準氣體(6.2),計算示值誤差、系統偏差。若示值誤差和/或系統偏差不符合7.7條a)和b)的要求,應查找原因,并進行儀器維護或修復,直至滿足要求。

11.2 測定后,再次通入除烴空氣(6.1)和標準氣體(6.2),計算示值誤差、系統偏差。若示值誤差和系統偏差符合7.7條a)和b)的要求,判定樣品測定結果有效;否則,判定樣品測定結果無效。

注:測試前后,可采取包括采樣管、導氣管等全系統示值誤差的檢查代替分析儀示值誤差和系統偏差的檢查[其評價執行7.7條a)的要求]。

11.3 樣品測定結果應處于儀器校準量程的20 %~100 %之間,否則應重新選擇校準量程;若樣品測定結果不大于12 mg/m3,則無需重新選擇校準量程。

11.4 儀器需每半年檢驗一次催化氧化單元的催化效率,催化效率應不低于90 %。

12、注意事項

12.1 測定前檢查采樣系統過濾裝置,必要時需進行清洗或更換。

12.2 測定前應檢查儀器加熱系統是否正常工作。

_________________________________

【環保科普】解讀近地面臭氧的來源
2021-04-14
在近地面,臭氧濃度較高時會刺激和損害眼睛,可使人呼吸加速、胸悶,長期呆在臭氧污染嚴重的環境中,對皮膚健康也可能有損傷,還可能增加致癌危險。

more

【環保科普】解讀普臭氧超標對人體的危害
2021-04-02
臭氧具有強氧化性,幾乎能與任何生物組織反應,對呼吸道的破壞性很強。臭氧會刺激和損害鼻粘膜和呼吸道,這種刺激,輕則引發胸悶咳嗽、咽喉腫痛,重則引發哮喘,導致上呼吸道疾病惡化。

more

杀码3d杀码图 | 3d十大专家预测汇总 | 3d最精准专家预测汇总今天 | 3d预测专家准确推荐 | 中国福彩3D独胆实时必中最新 | 千禧3d试机号金码今天关注码对应码 | 3d天中杀码图专区 | 唐龙一胆今天最新 | 3d最新基本走势图表 | 钱王点评+钱王老头预测 | 神仙姐姐独胆一个 | 近300期3d和值走势图 | 今天3d号码推荐 | 3d任意两码差值尾走势图 | 排三今晚推荐号 | 3d至尊独胆 | 沈宝桢个人简历 | 3d专家预测推荐 | 3d绝杀二码今天最新更新内容 | 3d预测今晚推荐号 | 詹天佑3d点评预测 | 3d太湖字谜总汇总(正版) | 今晚3d预测推荐一注 | 3d精准预测最准的专家直选 | 排五预测最准专家 | 3d试机号后专家预测推荐汇总 | 3d和值尾走势图(专业版) | 3d今天最新最准专家预测最 | 马后炮解3d字谜 | 铁娘子三天计划独胆必下300 | 七爷独胆今晚一个胆 | 小薇3d预测 | 3d今天试机号开机号关系 | 小红人的三天计划今天是什么 | 今天的3d太湖字谜 | 今晚的3d试机号是多少 | 于海滨专家一语定胆十每日 | 3d一语定胆太湖字谜 | 中国福彩3D独胆下期最新必中 | 唐龙一胆| 今于海滨3d杀码图 | 3d预测专家最准确的专家预测昨天 | 十拿九稳预测最准100% | 3d专家预测最准确 | 今日3d开奖号今晚 | 今日3d正版藏机图全部天齐 | 3d三天计划独胆王 | 今晚3d预测最准一注 | 三七进二得三码猜一生肖 | 3d最大值振幅走势图遗漏 | 彩宝3d专业走势图 | 北斗3d今日专家预测推荐 | 3d陈华今晚就赌一胆天齐网 | 3d今晚专家预测最准确号码 | 于海滨今天3d预测 | 今日精准预测推荐3d号码 | 3d专家预测号码手机牛彩网 | 3d今天开机号和试机号322 | 今日3d预测 | 福彩3D独胆老师必中最新 | 近300期3d和值走势图 | 3d的最新走势图表 | 今日3d开机号和试机号关注码千禧 | 排3太湖钓叟字谜三字诀 | 3d专家今天预测一注 | 3d专家预测于海滨 | 3D独胆团队命中率最新 | 三d推荐号专家预测今天 | 今日3d太湖字谜三字诀排三开奖结果 | 今天3d专家推荐重点号码 | 3d今晚必中一注一 | 3d今晚上专家推荐号 | 牛彩网近30期3d开机号试机号 | 3d双胆预测| 3d今天专家预测号码 | 3d今晚必中一注 | 3d定和值公式 | 今天3d太湖钓叟三字诀字谜 | 3d今天最新最准专家预测最 | 3d最全晚间字谜汇总大全 | 3d机选一注 | 3d专家最新最准专家预测汇总 | 3d跨度5有多少注 | 毒胆牛人三天计划 | 今天的3d开机号试机号 | 今天p3藏机图正版藏机图 | 最新3d预测专家预测 | 解今日太湖3d字谜 | 玩彩独胆王三天计划 | 3d双胆独胆非常非常稳定 | 唐龙3d预测今日出号点评 | 3d的预测号 | 3d怎么守号不亏 | 今天3d太湖钓叟三字诀字谜 | 3d千禧开号试机号关注金码对 | 3d字谜今天太湖字谜 | 3d十大专家精准预测汇总 | 3d开机号和试机号近100期列表 | 3d和值尾振幅走势图专业版 | 中国福彩3D独胆今日精准预测 | 玩彩独胆王三天计划 | 3d专家预测推荐号码最准最新 | 3d今天开机号和试机号多少 | 今日3d开奖号太湖字谜总汇 | 北斗3d今日专家预测推荐 | 于海滨海3d专家预测 | 今天3d推荐号码今晚预测 | 3d专家预测最准今天 | 3d组三一注多少钱 | 3d之家预测专家预测 | 3d近500期试机号和开奖号码 | 3d每期必中27注 | 今天3d试机号开机号是什么 | 千禧3d试机号金码关注码对应码今晚 | 3d下期预测最精准的一注号码 | 3d廊坊鸿运 | 3d十大专家预测汇总 | 3d精选号码推荐今天最新 | 机选一注3d | 3d最大值走势图彩经网 | 3d预测最准确的专家预测软件 | 3d专家预测号码最准确 | 今日3d开机号和试机号关注码千禧 | 3d十位走势图振幅 | 3d最准预测专家推荐 | 今晚3d预测总汇 | 3d综合走势图直选 | 孟庆会老师3d预测今天 | 3d今天开机号和试机号码 | 今日3d专家预测号码推荐 | 3d今晚预测 | 3d杀码图汇总 | 3d白娘子跨度字谜汇总今天牛彩网 | 于海滨点评专家一语定胆保真版 | 今天的3d藏机图正版藏图 | 今天3d开机号 试机号是多少 | 3d詹天佑最新预测牛彩网 | 3d走势图专家推荐号码 | 三d预测专家 | 于海滨点评专家一注定胆保真版 | 3d彩报图今天的第五版 | 3d牛彩网今天开机号试机号 | 3d定位独胆王三个双飞 | 3d预测最准的专家 | 于海滨一语点评今日 | 于海滨最新3d预测今天 | 今日3d藏机图正版藏机图134 | 3d预测专家最准确今天 | 十拿九稳预测最准100% | 3d老虎独胆 | 太湖钓叟3d字谜三字诀 | 3d今晚预测3d更准 | 3d詹天佑预测汇总 | 陈华今晚3d赌一胆天齐网 | 今天3d双双独胆字谜 | 3d最新准专家预测 | 3d今晚推荐号码最新 | 3d今天开机号和试机号码 | 3d今晚预测最新最准确号码牛彩网 | 3d太湖字谜每天更新 | 3d两胆王| 3d 今日太湖字谜 | 千禧3d试机号金码关注码牛彩网 | 今日3d开机号和试机号列表三十期 | 3d太湖钓叟三字诀字谜汇总 | 3d今晚开奖结果走势图 | 詹天佑3d今晚预测号码 | 3d定胆| 陈华今晚就赌一个胆今天最新更新内容 | 3d彩皇网 | 3d解太湖字谜汇总精选 | 3d精准预测推荐 | 专家推荐最热一注是什么 | 中国福彩3D独胆当天走势最新 | 3d于海滨一语定胆今天 | 今晚3d的试机号是 | 免费计划软件 | 3d今晚预测 | 3d推荐号今晚专家预测 | 3d六大专家杀码汇总 | 3d专家预测最准确最新汇总对应码 | 3d牛彩网今天开机号试机号 | 3d今天预测最准确专家 | 3d开机号和试机号金码和关注码 | 3d开机号,试机号和开奖号 | 3d今晚推荐号| 3d千禧试机号关注码金码今天晚 | 3d单双走势图表 | 3d走势图(带连线版) 试机号 | 3d千禧试机号关注号金码牛彩网 | 3d经典小胆王 | 中国福彩3D独胆当天走势最新 | 排三平均值振幅走势图3d之家 | 3d今天开机号和试机号是多少 | 今日3d开机号和试机号关注码千禧 | 今晚3d专家预测精选一注 | 3d字谜今日字谜总汇 | 7号电池最建议买的三个型号 | 今日3d太湖字谜三字诀试机号 | 3d试机号后专家预测推荐汇总 | 3d专家预测汇总大全 | 3d今晚预测直选一注3d一注预测 | 3d专家预测最准最新 | 詹天佑3d预测推荐 | 于海滨3d彩吧图库 | 3d专家预测推荐号码最准最新 | 3d最准专家预测号今晚3d试机号 | 3d预测专家汇总预测 | 今于海滨3d预测 | 千禧试机号关注号金码是什么 | 排3太湖钓叟字谜三字诀 | 中国福彩3D独胆最新推荐 | 财神一注3d | 3d定胆王独胆定位 | 3d今晚试机号是多少 | 3d双胆预测| 3d今晚专家预测最准确一注 | 3d最新专家预测推荐 | 3d今晚十大专家预测汇总 | 福彩3D独胆明日分析 | 3d试机号历史情况 | 今天3d金码试机号对应码开机号 | 今于海滨3d预测 | 三d毒胆预测 | 3d各类和值最新谜字谜今天 | 3d专家预测最准牛彩网 | 3d字谜总汇今日3d字谜总汇牛彩网 | 3d今晚最准一注 | 唐龙3d预测今日出号点评 | 今天晚上3d开奖结果 | 3d开机号和试机号金码和关注码 | 廊坊鸿运3d预测今天 | 3d最新专家预测汇总大全 | 3d推荐号今晚专家预测 | 彩宝贝十大专家杀蓝号 | 3d跨度振幅近100期走势 | 今天3d开机号和试机号金码 | 詹天佑3d今晚预测号码 | 3d预测号最新最准牛彩网 | 今晚3d试机号开机号 | 3d今晚预测最准确一注 | 3d和值尾振幅走势图带连线图表 | 明天的3d太湖字谜 | 今天3d开机号,试机号是多少 | 3d预测专家推荐号码推荐 | 今于海滨3d预测彩吧图 | 今日3d蓝仙子一句定三码字谜 | 马后炮解3d太湖钓叟字谜总汇大全 | 今天3d于海滨预测 | 经典小胆王三天计划配组合 | 今天晚上3d开奖 | 今晚开奖号码3d开奖结果 | 3d字谜总汇今日3d字谜总汇牛彩网 | 于海滨3d今晚预测号码 | 3D独胆下期最新精准预测 | 于海滨3d最新预测 | 3d孙大财就赌一个胆 | 3d于海滨今天预测保真 | 今日3d直选一注 | 3d走势图专家推荐号码 | 3d预测最准最新牛彩网 | 3d走势图基本走势图 | 3d专家预测最准今天 | 3d今天开机号试机号牛彩网 | 今天3d开机号和试机号对应金码 | 3d独胆王定位独胆定位 | 3d预测推荐汇总牛彩网采摘收集 | 3d牛彩网专家预测汇总 | 铁人铁胆定位包是预测 | 3d开奖号码今晚走势图 | 3d红波蓝波走势图大中小 | 福彩3D独胆本期命中率 | 福彩3D独胆下期杀号最新 | 3d推荐最新最准专家预测 | 3d最准确预测专家 | 3d十大专家双胆预测汇总 | 3d飞胆图绕胆图 | 《天才计划》三天计划独胆3d | 陈华3d今晚赌独一胆天齐网 | 3d专家预测最准确最新今晚预测 | 今日3d太湖字谜三字诀排三开奖结果 | 万能四码使用技巧 | 中国福彩3D独胆专家精准预测最新 | 3d走势图全图表 | 十拿九稳预测 | 3d试机号后专家推荐汇总 | 3d今晚预测准确的专家预测 | 预测今晚3d一注 | 3d专家预测推荐号码最准最新 | 福彩3D独胆高手预测 | 今晚3d预测推荐一注 | 排五开机号试机号今天查询 | 今日3d开奖号码是多少? | 3d推荐号今晚专家预测 | 3d双胆下一 | 3d精准预测最准的专家 | 3d财神爷今晚独胆 | 今日3d专家推荐号码 | 三d预测专家预测今天最新 3d专家预测最准最新今天 | 3D独胆本期预测最新 | 3d最准专家预测号今晚3d试机号 | 3d万能三码共有几注 | 3d推荐最新最准专家预测 | 3d开机号和试机号今天金码0 | 于海滨3d预测免费每日精选 | 3d打一个独胆中了多少钱 | 铁人铁胆包星定位今天最新结果 | 3d预测专家推荐号码 | 3d牛哄哄解太湖字谜今天 | 3d精准预测最准的专家直选 | 今晚3d预测开奖号码推荐 | 15选5预测最准十专家预测 | 今天专家推荐号码3d | 3d预测 下一期 3d预测专家 3d预测 | 3d藏机图正版藏机图汇总今天最新 | 3d独胆双胆专家预测网 | 3d今天专家推荐号码推荐 | 3d预测专家最准确的专家预测今晚 | 小财神三天计划独胆必下 | 3d今晚最准专家预测号码145 | 詹天佑3d点评预测 | 3d专家预测最准确最新今天牛彩 | 今晚3d专家预测最准确 | 3d廊坊鸿运 | 3d所有走势图| 3d真实的谎言正版和值字谜 | 3d推荐专家汇总 | 今晚3d开奖号码多少 | 3d最准预测专家推荐 | 詹天佑3d推荐 | 3d字谜太湖钓叟三字诀17500 | 3d今晚和值推荐 | 3d预测专家最准确的专家预测今晚 | 于海滨精准杀码图 | 3d专家预测最准最新 | 3d双胆预测| 3D独胆明日精准预测 | 太湖三字诀字谜三 | 3d于海滨上的今天杀码 | 3d专家预测于海滨 | 3d推荐最新最准专家预测 | 今晚3d直选一注 | 3d牛彩网预测 | 于海滨点评专家一语定胆保真版 | 3d北斗专家北斗预测今天079期3d | 3d预测最准专家预测号码 | 3d开机号和试机号是多少 | 今晚最全3d晚间字谜汇总192期 | 3d于海滨上的今天预测保真 | 廊坊鸿运3d | 3d最新专家预测汇总 | 太湖三字谜太湖3d钓叟 | 3d最小值振幅走势图3之家 | 于海滨海3d最新预测 | 3d各类和值最新谜字谜今天 | 今天3d开机号 试机号是多少 | 3d今晚开奖号码结果是多少 | 千禧开机号试机号关注号金码杀码 | 龙彩居士3d预测今天最新版 | 福家老三3d推荐号 | 3d今晚专家预测最准确一注 | 牛彩预测汇总3d最新 | 3d独胆必下一独胆 | 3d解太湖字谜汇总精选 | 今晚3d专家最精准的预测 | 3d钱王点评 | 钱王点评十钱王给胆下一期预测 | 3d预测最准确的专家 | 千禧3d试机号关注码今天 | 铁人真胆一句定三码3d字谜彩搜网 | 今天专家推荐号码3d | 3d最精准的专家预测 | 3d专家预测于海滨 | 今日3d太湖字谜三字诀排三开奖结果 | 今于海滨最新预测今天 | 3d字谜汇总大全总汇牛彩网开机号 | 金银胆神金胆银胆的最新消息 | 3d今天最新最准专家预测最 | 十拿九稳预测分析 | 3d今于海滨杀码图 | 3d十大专家推荐号码汇总 | 中国福彩3D独胆最新必中 | 千禧3d试机号金码关注码码关注码双彩论六个 | 小红人的三天计划最新版 | 3d太湖钓叟字谜三字诀 | 3d选5个号多少钱 | 3d专家预测最准确最新新闻 | 3d预测号码最准最新准专家预测号 | 3d十大专家精准预测汇总 | 3D独胆老师分析 | 3d今晚开奖结果号码是 | 今晚3d一注直选 | 今日3d开奖号太湖字谜总汇 | 3d预测专家推荐最准确 | 今天十拿九稳号码预测 | 三天计划3d独胆必出论坛 | 3d至尊独胆 | 专家预测3d号码准确 | 3d今日正版藏机图最新更新内容 | 解太湖3d字谜太湖 | 福彩3D独胆下一期走势最新 | 3d今晚最准专家预测号码 | 3d最新最准预测号码今天 | 3d今晚专家预测推荐 | 3d今晚最精准专家 | 3d开奖号今天结果 今晚 | 3d预测今日最新推荐 | 专家3d专家推荐 | 3d今天千禧试机号关注号金码 | 十拿九稳预测 | 今日3d推荐号码号 | 3d专家杀码图 | 3d预测今晚最准专家预测号码 | 3d今晚专家预测推荐 | 3d走势图的基本走势图 | 3d今晚必中三个号码预测 | 3d每天一个独胆 | 3d中间号走势图振幅走势图 | 3d最新专家预测汇总大全 | 3d千禧金码试机号关注码 | 3d直选三注必中免费 | 3d开机号和试机号是多少 | 三d预测最准十专家预测今晚 | 3d今晚推荐三注 | 3d最准专家预测号 | 3d预测今晚推荐号 | 3d千禧开机号试机号关注金码对应码 | 钱王点评+钱王老头预测 | 3d专家预测汇总牛彩网收集汇总 | 3d专家预测最准确最新汇总 | 3d今天精准一注 | 3D独胆今晚命中率 | 3d十大专家预测汇总 | 3d二天独胆王 | 今晚3d开奖号是多少 | 解3d太湖钓叟字谜汇总 | 3d预测最准最新准专家预测 | 3d十位走势图振幅 | 今天3d试机号开机号 | 于海滨3d杀码 | 3d今天开机号试机号码 | 3d定胆技巧准确率100% | 3d今天千禧试机号关注号金码 | 钱多多3d百位定独胆 | 3d预测专家精准推荐 | 3d专家预测推荐号码 | 小林3d最新预测今天 | 3d直选一注预测 | 大师诸葛亮今晚一个独胆 | 3d今天专家预测号码 | 3d试机号后专家预测推荐汇总 | 解3d字谜太湖钓叟汇总 | 3d藏机图正版藏机图汇总今天最新 | 3d独胆双胆独胆3d之村 | 3d绝杀二码今天最新更新内容 | 给一注今晚3d | 3d316期太湖字谜 | 今日3d开奖号码是多少? | 今天晚上的3d开奖结果 | 3d詹天佑预测汇总 | 三d十拿九稳预测号码 | 于海滨海3d预测牛彩网 | 中国福彩3D独胆大神命中率 | 3d预测专家精准推荐号 | 今晚3d试机号开机号 | 3d千禧开机号试机号关注金码对应码 | 3d今天开机号和试机号 | 3d走势图带试机号彩宝网 | 3d今晚预测最新最准确号码牛彩网 | 3d定胆准确率100 | 近30期3d开机号和试机号 | 3d跨度振幅走势图3d专家 | 3d专家推荐最精准的号码 | 最准3d专家预测推荐 | 3d独胆公式正确率在99%以上 | 3d买一个独胆中了得多少钱 | 今晚3d出啥 | 3d专家预测最准确最新汇总对应码 | 今天的3d开机号试机号 | 3d条件预测专家专区 | 三d历史走势图 | 3d单一跨度走势图表 | 3d今晚中奖号157 | 3d十大专家精准预测 | 3d胆王双胆独胆 | 3d今晚专家推荐预测重点号码 | 3d带线走势图连线走势图 | 千禧3d关注码 | 千禧3d试机号关注码金码今天的 | 3d最近100期历史记录 | 3d太湖字谜三字诀 | 排三今晚推荐号 | 3d十大专家精准预测汇总 | 今天3d马后炮解太湖字谜汇总 | 3d试机号近10期彩经网 | 3d今晚最准的一注 | 3d詹天佑预测分析牛彩网 | 3d直选注| 3d千禧试机号金码关注码对应码 | 3d专家预测最准今天 | 3d专家最新最准预测 | 3d最准专家预测号 | 唐龙一语定胆3d今天 | 3d今晚预测直选一注 | 今晚3d精准一注直选 | 3d免费预测 | 财神一语定一注3d字谜 | 太湖钓叟三字诀字谜解释总汇 | 3d詹天佑最新预测 | 3d近30期开奖号码 | 3d今天专家推荐号码是多少 | 3d精准推荐号 | 今日太湖字谜3d字谜太湖钓叟 | 于海滨3d杀码预测 | 福彩3D独胆大神必中最新 | 3d专家最新最准专家预测汇总 | 3d今晚最精准专家 | 3D独胆老师预测 | 福彩3D独胆明日分析最新 | 福彩3D独胆下期推荐必中 | 3d专家预测最准确最新汇总 | 3d千禧试机号关注号金码牛彩网 | 3d精准预测| 今于海滨3d预测今天牛彩网 | 中国福彩3D独胆下一期预测最新 | 3预测,3d专家预测,最准确今天彩网 | 3d试机号开机号关注号金码 | 3d试机号历史出现情况天齐网 | 钱王点评+钱王老头预测 | 3d今晚开奖结果走势图 | 3d独胆王精准100% | 3d今天专家推荐号码推荐 | 3d詹天佑最新预测 | 3d最准确预测100%一注 | 3d今日太湖字谜图 | 准香港3d漫画资料 | 今日3d开奖号今晚 | 3d专家推荐预测号 | 3d太湖字谜总汇总(正版) | 排三十拿九稳今天预测 | 3预测,3d专家预测,最准确今天彩网 | 3d今晚预测最准确一注 | 3d精准预测 | 3d百位十位个位走势图 | 今晚3d推荐号 | 3d预测最准最新准专家预测 | 3d之家预测专家预测 | 3d今天专家预测最准确 | 财神一注3d | 今天3d开机号和试机号多少? | 3d专家今日推荐号码 | 钱王点评十钱王老头给胆 | 3d预测最准最新准专家预测号码 | 3d条件预测专区牛彩网 | 詹天佑预测3d | 今日3d推荐号码号 | 3D独胆大神命中率最新 | 3d条件预测专区牛彩网 | 3d近30期开奖结果 | 三d预测专家最新推荐 | 廊坊鸿运3d推荐今天 | 3d开机号,试机号,金码号,对应码100 | 3d开机号和试机号金码今天的 | 3d今晚专家预测推荐 | 3d预测詹天佑最新 | 今日3d太湖三字谜 | 3d预测最准的专家预测 | 今日3d蓝仙子一句定三码字谜 | 今天的3d开机号和试机号查询 | 【福星】3d单挑10注组 | 3d和值尾振幅走势图50期 | 3d十大专家汇总精选一注 | 3d之家双胆独胆预测 | 今天3d千禧试机号关注号金码号 | 3d彩界精英独胆双胆 | 3d专家预测最准确今天南方双彩网 | 3d双胆,独胆非常非常稳定 | 3d红波蓝波走势图大中小 | 彩界毒胆大师一枚毒胆 | 于海滨最新3d预测推荐今天 | 今晚上3d出奖结果 | 3d天宇和值谜字谜 | 今晚3d开奖直选结果 | 今日3d推荐号码号 | 3d今晚预测3d更准 | 3d预测专家最准最新 | 3d牛哄哄解太湖字谜今天 | 3d开奖号走势图表 | 3d字字谜图谜总汇 | 3d今天最准专家预测 | 今晚3d推荐号 | 天才计划三天计划独胆 | 3d开机号和试机号9.30分 | 3d藏机图正版藏图汇总大全 | 3d牛彩网100期开机号和试机号 | 3d专家预测最准确今天南方双彩网 | 3d预测专家最准确今天 | 3d预测最准的专家预测 | 今晚3d开奖号多少 | 3d今晚试机号是多少查询 | 3d旧版基本走势图表 | 3d老炮子直选三注 | 于海滨一语点评今日 | 3d今晚专家预测推荐号 | 3d詹天佑3d预测分析 | 3d和值尾金木水火土走势图 | 3D独胆最新分析 | 3d专家预测号码最准确 | 排三今晚推荐号 | 3d最准预测号| 詹天佑今天3d推荐 | 千禧3d试机号关注码金码试机号 | 十拿九稳今天预测专家 | 于海滨今天杀码3d | 3d近30期开机号试机号开奖号查询 | 3d牛彩网.| 于海滨一语定胆 | 于海滨今天预测 | 3d最新最准预测号码今天 | 3d精准预测最准的专家直选 | 3d买4个号直选多少钱 | 3d天齐网最准预测 | 3d专家预测汇总牛彩网彩摘收集 | 今天专家推荐号码3d | 3d最精准的专家预测精选 | 3d红波蓝波走势图大中小 | 3d火火独胆双胆 | 3d上下五千年专家预测 | 3d个位振幅走势图近50期 | 唐龙一胆今天最新 | 于海滨最新预测今天 | 陈华今晚就赌一个胆今天最新更新内容 | 3d预测专家推荐最准确 | 今日3d直选一注 | 今于海滨点评专家一语定胆 | 3d字谜汇总大全总汇大全 | 铁娘子三天计划独胆必下300 | 詹天佑3d预测 | 今天p3藏机图正版藏机图 | 3d今日预测最准专家预测 | 3d双胆独胆非常非常 | 3d今晚和值字谜 | 铁人铁胆3d包星定位最新今天 | 三d预测专家预测今天最新 今于海滨3d预测 | 3d今晚最准的一注 | 孟庆会老师3d分析预测 | 3d预测最准专家预测 | 3d开机号今天近10期 | 神龙毒胆王今晚给胆 | 今天3d开机号 和试机号 查询结果 | 3d预测专家| 福彩3D独胆今日走势最新 | 3d今晚最准三注 | 3d预测最准专家预测 | 排3藏机图正版藏机图今天 3d八哥图库总汇d字谜图谜总汇大全 | 今晚3d专家推荐重点号码 | 3d詹天佑预测分析牛彩网 | 3d今晚最准专家预测号码 | 3d2025322期太湖字谜 | 3d图库彩吧彩报第三版 | 独胆真人就打独胆今天 | 3d最新准专家预测 | 3d预测专家最准确的专家预测今晚 | 詹天佑3d分析推荐 | 3d试机号今天开机号查询结果 | 3d专家独胆推荐 | 3d计算公式 | 3d和值基本走势图 | 3d预测号码最准最新准专家预测号 | 3d定胆准确率100 | 张克永专家3d预测 | 3d专家预测最新最准推荐 | 3d最准预测号 | 于海滨海3d预测牛彩网 | 三天计划胆十组合 | 毒胆牛人3天计划 | 3d预测专家推荐最准确 | 3d预测最新最准专家 | 今天三d专家推荐号码 | 于海滨今日杀码图最新 | 3d今晚预测100%| 今日3d太湖字谜三字诀排三开奖结果 | 福彩3D独胆下一期走势最新 | 3d下期预测最准一注 | 2025长期守号最佳5注推荐 | 3d预测最准专家 | 詹天佑3d点评预测 | 中国福彩3D独胆独家杀号 | 3D独胆团队走势 | 3d计算机开机号夏天推荐 | 3d图谜字谜总汇 | 今日3d藏机图正版藏机图134 | 3d开机号今天牛彩网近30期 | 3d今天专家预测最准确 | 3d詹天佑最新预测今天 | 3d最准确预测100%一注 | 牛彩网杀码 | 3d预测天齐网 | 3d精准预测最准的专家 | 3d预测专家最准确今天 | 千禧3d试机号金码今天关注码对应码 | 今日3d一句定三码和值谜食物全部 | 3d今晚的开奖号码 | 3d今天预测最准 | 3d紫云涧专家预测推荐 | 3d今天开机号试机号200期 | 晚秋3d今晚和值谜 | 今晚3d结果开奖号码 | 3d今天开机号试机号3 | 3d最准专家预测方法 | 3d今天专家预测推荐号码 | 今晚3d开奖号试机号 | 今日3d字谜太湖钓叟字谜 | 3d大富好预测汇总 | 3d千禧试机号关注号金码号开机号 | 3d千禧试机号关注金码30期 | 3d千禧开机号试机号关注金码对应码 | 3d预测最新最准3d之家 | 福彩3D独胆老师精准预测 | 3d基本走势图. | 小红人的三天计划最新版 | 3d今晚最准专家预测号码145 | 牛彩网3d预则 | 近30期3d开奖结果 | 3d预测最准确的专家预测软件 | 今天3d专家预测号码 推荐 | 今天3d字谜解太湖字谜 | 3d精准推荐号 | 中国福彩3D独胆独家预测 | 千禧3d试机号金码关注码码关注码双彩论六个 | 今日3d预测号码推荐 | 中国杀码王绝杀 | 3d最新专家预测汇总大全 | 3d最精准的专家预测精选 | 今天的3d太湖字谜 | 3d今晚开奖结果号码是 | 今晚3d预测推荐一注 | 于海滨3d预测专家今天 | 稳准狠三天计划 | 3d詹天佑推荐号码 | 3d太湖专家预测今晚 | 3d开机号和试机号今天金码关注号 | 3d双胆独胆非常非常 | 今天3d开机号和试机号金码 | 排三太湖钓叟字谜三字诀 | 今晚3d专家最精准的预测 | 3d今晚和值推荐 | 3d最准预测专家预测大 | 北斗3d今日专家预测推荐 | 3d字谜汇总大全总汇牛彩网开机号 | 今天的3d开机号和试机号中奖号 | 太湖字谜钓叟3d字谜 | 3d专家预测最准确最新今天牛彩 | 3d预测最准确最新 | 福彩3D独胆团队分析最新 | 3d今天专家预测最准确 | 3d专家预测最准最新今天 | 3d今天专家预测推荐号码 | 3d今晚专家预测最准确一注 | 飞向阳光龙头凤尾今天最新消息 | 于海滨三地杀码 | 3d太湖字谜三字诀 | 3d预测詹天佑最新 | 3d最精准专家预测汇总今天 | 3d推荐号今日预测 | 3d大老人预测 | 3d开机号和试机号今天金码关注号 | 今晚3d专家推荐号码是多少 | 今晚3d推荐号码是多少 | 3d千禧试机号和金码关注 | 于海滨海3d专家预测 | 3d今晚专家推荐号 | 十拿九稳预测专家分析 | 陈华3d今晚赌独一胆天齐网 | 3d直选至今未出号 | 3d今晚上专家推荐号 | 3d专家最新最准预测 | 中国福彩3D独胆专家精准预测 | 3d精准预测推荐 | 3d最准的独胆毒胆独胆 | 牛彩3d专家预测 | 今天十拿九稳号码预测 | 3d最新专家预测汇总大全 | 千禧试机号关注金码是什么 | 3d今晚最稳一注 | 3d专家今日推荐号码 | 15选5预测最准十专家预测 | 3d基本走势图 综合 太湖三字诀字谜三 | 3d今晚精选预测一注 | 3d最晚间字谜汇总大全 | 3d预测专家最准确今天 | 3d开机号和试机号金码关注对应码 | 3d专家预测号码手机牛彩网 | 3d下期专家预测 | 3d专家预测推荐最新 | 3d最准预测专家预测大 | 3d十大专家汇总精选一注 | 【开心毒胆】今天 | 3d近100期的开奖号码和试机号 | 预测今晚3d一注 | 3d和值谜汇总大全 | 于海滨海3d预测免费每日精选3d开奖号 | 排5预测,最准排五专家 | 今日3d一句定三码最准和值谜 | 3d专家预测最准 | 3d专家预测最准最新 | 于海滨3d预测免费每日精选 | 3d牛彩网预测汇总 | 今天专家推荐号码3d | 3d今天专家推荐号码推荐 | 三d预测专家预测今天最新 今于海滨3d预测 | 3d近30期开机号试机号开奖号查询 | 3d今天开机号和试机号码200 | 3d北斗专家北斗预测今天079期3d | 唐龙点评3d预测今天 | 3d专家预测最准今天 | 于海滨点评专家一注定胆保真版162期 | 3d预测一注精准 | 3d太湖字谜图谜 | 三字诀太湖三字诀字谜 | 3d最新最准预测号码 | 今日焰舞3d焰舞字谜汇总大全 | 福彩3D独胆今晚走势最新 | 于海滨专家预测 | 排三平均值振幅走势图3d之家 | 十拿九稳预测最准100% | 唐龙一胆今天最新 | 3d预测最准专家预测牛彩网 | 3d农村小伙子最新预测 | 3d三胆最准 | 3d最新准专家预测 | 3d预测专家最准确 | 3d专家预测最准 | 马后炮解3d太湖钓叟字谜总汇大全 | 投资独胆三天计划论坛 | 福彩3D独胆下一期命中率最新 | 于海滨3d预测| 3d今天专家推荐号码推荐 | 3d千禧试机号关注号金码号开机号 | 3d今晚专家预测最准确一注 | 3d今天开机号和试机号是多少 | 3d彩吧试机号今天最新 | 3d牛彩网试机号后专家预测汇总 | 3d最新准专家预测 | 太湖3d字谜今天的 | 3d专家预测号码推荐今天 | 3d最新最准专家预预测 | 3d恋预测今晚预测是哪里出的 | 3d今天开机号试机号对应码关注码 | 3d字谜财神一语定一注 | 3d八哥图库总汇d字谜图谜总汇大全 | 飞向阳光龙头凤尾今天最新消息 | 中国福彩3D独胆最新必中 | 3d振幅和值尾走势图 | 3d六码复式多少钱一注 | 3d开机号试机号关注号金码对应码 | 3d牛彩网今天开机号试机号 | 3d杀码想要| 今晚三d推荐什么号码 | 3d牛彩网断组预测 | 3d双胆独胆非常非常稳定 | 3d太湖钓叟字谜汇总正版藏机图 | 3d今晚的开奖号码 | 今日3d十大专家双胆总汇 | 中国福彩3D独胆独家必中最新 | 今天太湖字谜3d字谜太湖钓叟 | 3d今晚上必出号 | 中国福彩3D独胆下期推荐推荐最新 | 3d今天专家预测推荐号码 | 太湖字谜三字诀论坛 | 3d开机号和试机号今天多少 | 千禧试机号关注号金码是什么 | 今天的3d开机号试机号 | 于海滨最新3d预测今天 | 3d今天最新最准专家预测最 | 3d预测分析 | 3d独胆必下一独胆布衣正 | 3d今晚上专家推荐号 | 3d独胆专家预测 | 3d今晚最准专家预测号码145 | 3d之家双胆独胆预测 | 龙彩居士3d预测今天最新版 | 3d牛彩网专家预测 | 3d独胆双胆| 3d今晚十大专家预测汇总 | 3d预测汇总晚间 | 唐龙3d预测 | 3d晚间字谜汇总汇 | 3d陈华今晚独胆推荐 | 千禧3d试机号金码关注码今天 | 于海滨3d今晚预测号码 | 3d预测一注号推荐今晚 | 3d北斗专家北斗预测今天079期3d | 铁人铁胆3d定位包星预测 | 三d预测专家预测今天最新 今于海滨3d预测 | 3d预测最准确专家预测牛彩网 | 3d预测最准专家预测牛彩网 | 3d预测今晚最新最准确 | 3d跨走势图带连线走势图 | 于海滨专家3d今天预测 | 三d预测专家预测今天最新 3d专家预测最准最新今天 | 3d推荐号 | 3d预测最准的专家预测 | 3d百位遗漏振幅走势图南方双彩网 | 今天3d专家推荐重点号 | 经典小胆王三天计划配组合 | 3d今晚最准专家推荐号 | 中国福彩3D独胆独家预测 | 于海滨点评专家一注定胆保真版 | 今晚3d专家推荐号码是多少 | 排五专家预测精准 | 3d十大专家双胆预测汇总 | 3d最近1000期走势图表综合版图片 | 中国福彩3D独胆当天精准预测最新 | 千禧3d试机号金码关注码杀码今天3d | 今天最准3d预测号 | 3d和值10有哪些号码 | 真实的谎言3d字谜追加和值谜 | 3d精准一注 | 3d专家预测号码最准确 | 最准3d专家预测推荐 | 于海滨今日杀码图最新 | 今天3d必出一注 | 于海滨点评专家一语定胆保真版 | 三地千禧关注码试机号 | 唐龙预测一胆今天 | 3d走势图带连线图表牛彩网 | 3d今晚专家预测最准确一注 | 3d牛彩网字谜图谜总汇九 | 3d开机号和试机号金码查询 | 三地千禧关注码试机号 | 于海滨3d杀码图 | 牛彩网预测专家3d | 今天3d开机号 试机号是多少 | 3d今晚专家推荐预测重点号码 | 3d最精准的专家预测精选 | 3d今天开机号和试机号是多少 | 财神爷三天计划独胆组合 | 3d牛彩网专家预测 | 于海滨今日3d预测 | 李明启3d预测最新号码 | 3d最准确最新专家预测 | 3d最精准一注 | 3d今天专家预测最准确 | 福彩3D独胆下期推荐最新 | 3d计算机开机号夏天推荐 | 北斗3d专家预测 | 今天3d开机号,试机号是多少 | 3d精准一注今天 | 3d独胆双胆专家预测网 | 3d预测专家推荐号码推荐 | 3d最准确最新专家预测 | 中国福彩3D独胆最新走势 | 3d太湖一语定胆字谜 | 廊坊鸿运3d | 3d预测号码最准最新准专家预测号家彩网 | 3d独胆双胆专家预测网 | 3d财神爷今晚独胆 | 3d洞庭湖水今日预测分析 | 3d胆王专家定十位 | 于海滨3d今晚预测号码 | 于海滨海3d预测保真 | 沈宝桢个人简历 | 财神爷三天计划独胆组合 | 3d预测专家推荐最准确 | 千禧试机号金码关注码的历史记录 | 3d一语定胆太湖字谜 | 3d预测詹天佑最新 | 3d今天最新最准专家预测最 | 福彩3D独胆最新必中 | 今天3d牛彩网专家预测 | 今晚3d试机号开机号 | 3d专家预测推荐号码最准最新 | 中国福彩3D独胆专家精准预测最新 | 3d走势图带连线图表 | 3d今晚最准最新专家推荐号 | 3d预测最准确的专家预测软件 | 3d今晚专家推荐 | 今天晚上三d开奖结果 | 两天计划双胆王 | 今晚3d推荐号码 | 3d十位走势图彩经网 | 于海滨3d最新预测 | 3d最精准的专家预测 | 马后炮解3d太湖字谜总汇大全 | 詹天佑3d预测今天推荐号码 | 3d预测一注号推荐 | 3d专家预测最准确最新今晚预测 | 3d开机号今天牛彩网近30期 | 3d家彩网| 3d今晚精选预测一注 | 3d试机号后专家预测推荐汇总 | 3d最精准专家预测汇总今天 | 3d今晚开机试机号 | 3d今晚专家推荐预测重点号码 | 牛彩网3d专家预测汇总 | 3d预测推荐汇总大全 | 3d千禧试机号关注码金码今天晚 | 今日正版藏机图全部汇总239期 | 今日3d专家预测号最准确 | 3d预测最准的专家预测 | 3d村独胆双胆| 3d走势图全图表 | 3d今天的试机号和开机号 | 3d专家今天预测汇总 | 3d今晚最精准专家 | 3d预测专家最准确 | 3d恋预测今晚预测是哪里出的 | 3d今天专家预测推荐号码 | 3d预测总汇手机牛彩网 | 今天三d专家推荐号码 | 3d焰舞和值谜字谜 | 3d双胆独胆| 今天三d专家推荐号码 | 牛彩网近30期3d开机号试机号 | 最准3d预测专家推荐号 | 3d专家今天预测一注 | 3d预测最准专家预测 | 今天3d开机号和试机号多少 | 3d太湖钓叟字谜三字诀论坛 | 3d陈华今晚就赌一胆天齐网 | 于海滨3d专家预测今天 | 3d十大专家推荐号码汇总 | 今天的3d开机号和试机号查询 | 今日3d开机号和试机号列表三十期 | 排3藏机图正版藏机图今天 3d八哥图库总汇d字谜图谜总汇大全 | 专家预测3d号码准确 | 3d下期预测最精准的一注号码 | 十拿九稳专家预测专栏 | 3d预测专家最准确今天 | 3d最准专家预测 | 试机号后牛彩网专家预测3d | 3d专家预测最准确最新今晚预测号 | 3d今晚开奖结果走势图 | 今于海滨3d预测今天单线联系 | 3d开机号试机号30期列表彩宝网 | 3d最精准专家预测汇总今天 | 今晚3d的开奖号码结果 | 于海滨海3d预测牛彩网 | 3d下期预测最精准的一注号码 | 马后炮解3d太湖钓叟字谜总汇大全 | 最准的3d专家预测 | 3d带连线专业版走势图表 | 今天3d于海滨预测 | 3d于海滨专家预测 | 今天3d数字定位三 | 3d独胆必下一独胆3d独胆预测 | 今天3d字谜解太湖字谜 | 3d预测今晚最准专家预测号码 | 3d于海滨上的今天预测 | 牛彩网3d预测汇总 | 3d开机号和试机号金码关注对应号 | 3d预测最准专家预测牛彩网 | 3d专家预测最准最新今天 | 今日3d字谜太湖钓叟字谜 | 今晚3d开机号试机号金码关注码 | 3d预测最新最准专家 | 千禧3d试机号关注码金码今天的 | 詹天佑最新预测3d | 3d百十和值尾振幅走势图 | 3d今晚试机号是多少 | 3d谜语今天字谜今天的3d字谜是什么? | 3d今晚中奖号是多少 | 今天3d太湖钓叟三字诀字谜 | 3d今晚最准专家推荐号码 | 排三王牌小哥独胆 | 于海滨海3d专家杀码 | 3d专家最新最准预测 | 3d试机号和开机号牛彩网 | 3d预测詹天佑最新 | 西施姐姐就赌一个独胆 | 下期必出号码预测 | 3d千禧试机号金码关注最近10期 | 今日3d藏机图汇总 正版 新版 | 孟老师专家预测3d | 3d推荐最新最准专家预测 | 3d预测专家最准最新 | 3d百位个位和值走势图 | 今晚3d专家推荐 | 3d今晚开奖结果号码是 | 3d上下五千年专家预测 | 3d开机号和试机号今天多少 | 3d今天推荐号码是多少 | 今天最新3d开机号试机号关注码 | 今天3d开机号和试机号多少? | 3d詹天佑预测分析牛彩网 | 于海滨杀码图牛彩 | 3d走势图(带连线版) 试机号 | 3d十大专家汇总精选一注 | 千禧p3试机号关注号金胆对应号 | 3d专家专家预测汇总 | 3d北斗专家北斗预测今天079期3d | 3d精准预测推荐 | 3d今天专家预测推荐号码 | 3d推荐最新最准专家预测 | 3d预测最新最准3d之家 | 3d预测最精准一注 | 3d最准一个独胆方法 | 三d独胆 | 3d今天开机号和试机号322 | 苏会文3d预测今天推荐 | 龙头凤尾最准确预测 | 3d专家推荐今天 | 3d今天专家推荐号码推荐 | 3d之家双胆独胆预测 | 3d今天开机号和试机号码 | 3d推荐号3d推荐号码 | 3d今晚预测准确的专家预测 | 3d今天专家预测最准 | 3d每天一个独胆 | 开心笨小孩3d独胆 | 3d今天的推荐号 | 3d今天预测最准确专家 | 3d最新最准预测号码 | 今天3d杀码| 中国福彩3D独胆内部杀号 | 3d开机号和试机号近100期 | 3d 试 机 号今晚 | 中国福彩3D独胆当天预测最新 | 3d中奖多少钱一注 | 3d预测最准的专家预测 | 3d和值基本走势 | 今天3d必出一注 | 千禧3d今天的试机号 | 3d今晚专家预测重点号码 | 今晚3d专家预测最准确 | 3d百个和值尾振幅走势图 | 今天的3d推荐号码是多少 | 3d和值宫数线走势图 | 3d开机号今天试机号查询 | 3d今晚和值是多少 | 3d和值基本走势图新浪网 | 3d晚秋和值谜字谜图 | 3d推荐号今晚专家预测最准确 | 卫星电话最建议买的三个型号 | 3d预测专家最准确的专家预测今晚 | 3d预测专家最准确的专家预测今晚 | 3d杀码条件今天最准 | 3d独胆双胆预测推荐 | 3d今天专家预测推荐号码 | 3d开奖结果近10期 | 中国福彩3D独胆今日预测最新 | 詹天佑3d今晚预测号码 | 3d毒毒毒胆胆胆中中中 | 3d最精准专家预测汇总今天 | 3d预测今日最新推荐 | 3d千禧开号试机号关注金码对 | 千禧开机号试机号关注号金码杀码 | 3d单个冷号最大遗漏 | 3d双胆独胆非常非常 | 3d詹天佑最新预测今天 | 3d于海滨上的今天预测保真 | 3d今天的试机号开机号 | 3d个位走势图表 | 今天3d牛彩网专家预测 | 詹天佑最新预测3d | 3d专家预测最准确最新推荐号码 | 3d今天专家推荐号码推荐 | 3d试机号和开机号牛彩网 | 3D独胆团队走势 | 3d最新专家预测汇总大全 | 3d试机号后专家预测汇总 | 3d楚人今晚预测今天 | 3d预测专家汇总预测 | 浙江风采3d走势图表 | 3d今天最新最准专家预测最 | 今天的3d太湖字谜 | 3d预测最准专家预测牛彩网 | 3d牛彩网专家预测汇总 | 3d专家推荐| 3d今天开机号和试机号多少 | 3d字谜汇总大全总汇牛彩网开机号 | 3d连线走势图表图 | 3d今晚必中一注一注 | 3d今晚最准专家推荐号 | 3d开机号试机号码牛彩网 | 3d牛彩网字谜图谜总汇九 | 3d单个冷号最大遗漏 | 3d开心毒胆独胆王 | 福彩3D独胆团队必中最新 | 3d预测一注号推荐今晚 | 福彩3D独胆团队必中最新 | 3d今天预测最准确专家 | 3d字谜汇总大全总汇大全 | 3d彩宝贝字谜 | 财神爷三天计划独胆组合 | 3d太湖17500字谜| 3d预测专家最准确的专家预测 | 3d,胆 | 3d免费专家预测推荐今天最新 | 3d于海滨专家预测 | 3d直选一注50倍单挑 | 今天3d字谜3d一句定三码3d和值谜 | 詹天佑最新预测3d | 3d杀码高手 | 今天3d开机号 试机号是多少 | 排五近100期开奖号结果 | 今天的3d太湖字谜图 | 今晚3d专家推荐 | 3D独胆大神杀号最新 | 看彩大亨最新独胆预测 | 中国福彩3D独胆专家精准预测 | 3d之家独胆,双胆 | 3d今晚开机号试机号是多少 | 今日正版藏机图全部汇总239期 | 钱多多3d百位定独胆 | 3d今天试机号和开机号 | 今天专家推荐号码3d | 牛彩网3d专家预测汇总 | 3d杀码公式最新 | 3d今日预测最准专家预测 | 今日3d开机号和试机号列表三十期 | 3d最准专家预测号 | 3d直选至今未出号 | 3d今晚预测准确的专家预测 | 近300期3d和值走势图 | 3d推荐最新最准专家预测 | 今晚3d出啥| 3d今晚上预测号码 | 3d专家预测最准最新 | 今日3d专家预测号最准确 | 3d基本走势图 综合 太湖三字诀字谜三 | 今天3d开机号和试机号码是多少 | 3d红波蓝波走势图大中小 | 3d今晚100倍 万能三码的使用方法 | 3d今天专家推荐号码推荐 | 3d预测专家最准确的专家预测今晚 | 3d詹天佑最新预测今天 | 3d独胆专家推荐独胆 | 今天3d专家推荐号 | 陈华3d今晚就赌一个胆 | 3d今天专家预测号码 | 中国彩吧更一懂彩民最新版本更新时 | 于海滨专家一语定胆十每日 | 3d单双走势图表 | 3d预测专家推荐最新 | 3d今晚预测直选四注 | 3d藏机图天齐正版藏机图 | 3d今晚专家推荐号 | 3d今天专家预测推荐号码 | 唐龙3d预测| 3d牛彩网预测汇总 | 今天3d开机号 试机号是多少 | 最准3d预测专家推荐号 | 杀码王杀码| 今日3d预测号码推荐 | 今天的3d太湖字谜 | 今天的3d开机号和试机号中奖号 | 3d字谜汇总大全总汇大全 | 中国福彩3D独胆专家精准预测 | 3d最准确预测专家 | 顶级胆神双胆下一 | 3d跨度分位走势图图感觉 | 北斗3d今日专家预测推荐 | 3d预测专家推荐最新 | 3d詹天佑3d预测分析 | 中国福彩3D独胆独家必中 | 三d五码复式打一注多少钱啊 | 3d预测今晚推荐号 | 3d图谜字谜总汇 | 3d和值尾振幅走势图3d之家 | 3d今天绕胆图彩之网 | 3d詹天佑3d预测 | 今天3d于海滨预测 | 中国福彩3D独胆实时推荐 | 3d精选号码推荐今天最新 | 福彩3D独胆老师精准预测最新 | 3d今晚预测最准确一注 | 钱王点评3d之家 | 3d十位走势图带连线图表专业版 | 今日3d钱王点评 | 3d开机号和试机号近100期 | 3d今晚最准专家预测号码 | 3D独胆老师命中率 | 于海滨三地杀码 | 3d今天专家预测推荐号码 | 近1000期3d开奖结果 | 3d专家最新最准预测 | 3d双胆独胆推荐 | 千禧开机号试机号关注号金码杀码 | 十拿九稳今天预测专家 | 3d预测号码最准确专家预测 | 3d预测号码 | 3d试机号后专家预测推荐汇总 | 十拿九稳十大专家预测汇总最新一期 | 3d预测号码最准确专家预测 | 3d今晚上开奖号码 | 3D独胆本期命中率 | 太湖三字谜太湖3d钓叟 | 3d藏机图正版藏机图汇总今天最新图片 | 3d于海滨预测预测牛彩网 | 3d今晚最准专家预测号码 | 3d定胆准确率100 | 3d今晚专家推荐预测重点号码 | 西施姐姐精心推算一独胆146 | 3d推荐号今晚专家预测 | 近100期3d开机号和试机号 | 3d预测专家最准确的专家预测今晚 | 今天最新3d开机号试机号 | 3d独胆双胆独胆3d之村 | 3d百位绝杀一码 | 福彩3D独胆下一期必中 | 3d今晚上预测号码 | 3d今晚惊天一注预测 | 3d千禧试机号关注码金码今天晚 | 3d今日预测最准专家预测 | 3d布衣独胆双胆必下一 | 3d今天专家预测推荐号码 | 3d今晚开奖号码多少 | 3d今晚预测最新最准确号码牛彩网 | 经典小胆王三天计划配组合 | 于海滨海3d专家预测今晚一注 | 天齐网3d必中两胆今天 | 3d预测专家最准确今天 | 3d太湖钓叟字谜三字诀乐彩论坛 | 3d和值谜汇总大全 | 于海滨专家3d预测 | 牛彩网3d专家预测汇总 | 今天3d专家预测汇总 | 3d今日专家精准推荐号 | 开奖结果3d今天晚上 | 【开心毒胆】今天 | 3d独胆公式133x2 | 3d三胆推荐| 于海滨最新3d预测推荐今天 | 3d胆1拖9直选多少钱一注 | 福彩3D独胆实时走势 | 詹天佑3d预测号 | 3d牛彩网试机号后专家预测汇总 | 3d字谜总汇今日3d字谜总汇牛彩网 | 今天3d开机号试机号牛彩列表 | 今天的3d开奖号是多少 | 3d今天最准专家预测 | 今天彩报中心 3d图库 | 福彩3D独胆下期推荐精准预测 | 钱王杀码图码 | 3d专家预测最准确 | 3d百个位差值振幅走势图100期 | 3d杀码于海滨| 神仙姐姐独胆一个 | 3d玩彩老头预测今天号码 | 3d最小差值振幅走势图 | 3d最新最准预测号码今天 | 3d独胆之家 | 3d今日专家推荐 | 近30期3d开奖结果 | 3d今天专家推荐号码 | 千禧3试机号金码关注码金码 | 排3藏机图正版藏机图今天 3d八哥图库总汇d字谜图谜总汇大全 | 3d开机号与试机号金码 | 小林3d最新预测今天 | 今晚3d专家推荐号码是多少 | 3d今晚开机试机号 | 3d家彩网 | 3d独胆专家预测 | 3d今天最准专家预测 | 今日太湖钓叟三字诀字谜 | 3d专家预测最准最新 | 3d今晚开奖结果号码是 | 今晚3d开奖号试机号 | 3d于海滨预测预测牛彩网 | 3d开机号和试机号今天 今晚 | 3d今天走势图表 | 3d最新最准预测号码今天 | 今天十拿九稳号码预测 | 3d百位个位和值走势图 | 3d今天专家预测推荐号码 | 3d鸿运坊预测号 | 3d杀码专家大全 | 北斗3d今日专家预测推荐 | 三d牛彩网开机号试机号是多少 | 3d专家今天推荐号码推荐 | 中国福彩3D独胆下期推荐推荐最新 | 3d预测一注号推荐一3d预测一注今天 | 十拿九稳今天预测 | 于海滨最新预测今天 | 3d藏机图正版藏机图汇总今天最新图片 | 排五近100期开奖号结果 | 解太湖3d字谜太湖 | 今天3d开机号关注号试机号金码 | 十拿九稳十大专家预测汇总最新一期 | 3d试机号关注号金码对应码开机号 | 3d字谜今天太湖字谜 | 千禧3d试机号金码关注码码关注码双彩论六个 | 三d独胆王独胆双胆 | 专家3d专家推荐 | 3d紫云涧专家预测推荐 | 3d最精准的专家预测精选 | 于海滨3d杀码图145 | 中国福利3d今天模拟试机号 | 唐龙一语定胆最新 | 最准确3d专家预测 | 2002146期3d开奖结果 | 3d最精准专家预测汇总今天 | 3d公式计算方法 | 3d今晚专家预测推荐号 | 3d开机号,试机号,金码号,对应码100 | 3d精选号码推荐今天最新 | 3d今晚专家推荐预测重点号码 | 今日3d字谜一句定三码和值谜定1 | 3d今晚专家预测推荐 | 今日3d预测号 | 3d直选注| 3d千禧试机号和金码关注 | 3d开机号试机号近100期开奖号码 | 今天3d开机号试机号码 | 3d预测专家推荐最准确 | 今晚3d专家预测精选一注 | 3d 图谜字谜总汇 | 3d预测今晚最新最准确 | 3d直选三注必中免费 | 3d六码组三多少钱一注 | 于海滨专家3d预测 | 3d预测最准专家预测号码 | 于海滨3d预测免费 | 3d开机号码试机号牛彩网 | 千禧开机号和试机号对应金码 | 3d今天专家预测推荐号码 | 中国福彩3D独胆下期最新必中最新 | 3d十大专家精准预测汇总 | 3d专家预测最准牛彩网 | 千禧试机号及金码 | 3d彩宝网开机号和试机号 | 3d藏机图正版藏图汇总大全 | 今晚3d预测推荐一注 | 福彩3D独胆大神精准预测最新 | 3d预测詹天佑最新 | 3d最精准专家预测汇总今天 | 3d今晚专家预测推荐号 | 3d十大专家预测汇总 | 一代女王决杀两胆免费观看 | 太湖钓叟三字诀字谜解释总汇 | 中国福彩3D独胆当天精准预测最新 | 3d今晚专家推荐号 | 3d振幅和值尾走势图 | 詹天佑3d点评预测 | 3d牛彩网专家汇总汇总大全 | 3d预测号码最准最新准专家预测号 | 3d太湖老情人字谜图谜 | 近100期3d开机号和试机号 | 3d百位单选振幅走势图 | 于海滨海3d专家预测今天 | 3d专家预测汇总牛彩网收集汇总 | 下期必出号码预测 | 3d预测专家最准确的专家预测今晚 | 3d最新最准预测号码今天 | 3d试机号后专家预测汇总 | 3d试机号开机号关注号金码 | 千禧试机号关注号金码是什么 | 今晚最准一注3d | 于海滨3d免费预测最新的 | 中国福彩3D独胆最新必中最新 | 3d今天开机号和试机号码200 | 3d开机号和试机号今天多少 | 3d万能大底共250注直选 | 3d今晚开机号试机号金码关注码今天 | 3d藏机图正版藏图汇总大全 | 3d今晚开奖结果走势图 | 今晚3d专家预测精选一注 | 今天最准3d预测号 | 超级毒胆 | 3d开机号和试机号八仙选号 | 3d今天开机号和试机号码牛彩网 | 陈华今晚独胆特别关注 | 张克永3d预测今天 | 3d选5个号多少钱 | 2016年全年历史记录3d | 3d今日号码推荐 | 3d今晚预测最准确一注今天 | 3d试机号后专家预测推荐汇总 | 今日3d杀码最新 | 今晚3d专家推荐号码是多少 | 3d最精准专家预测汇总今天 | 试机号千禧关注金码 | 3d预测最准最新准专家预测号码 | 3d两胆精准预测 | 3d今天最新最准专家预测最 | 3d今晚开奖号码多少 | 今天3d开机号和试机号多少? | 3d今晚最准最新专家推荐号 | 今日毒胆 | 3d专家最准确预测 | 牛彩网专家汇总汇总3d | 3d专家预测推荐号码最准最新 | 3d走势图专家推荐号码 | 3d胆预测天齐网 | 3d开机号试机号今天最新50期 | 彩界毒胆大师一枚毒胆 | 3d预测号码最准最新准专家预测号 | 今晚3d预测专家预测号 | 3d平均值走势图振幅3d之家 | 于海滨海3d预测免费每日精选3d开奖号 | 3d预测最新最准确号码 | 今天3d专家推荐重点号 | 3d走势图带连线牛彩网 | 3d双胆神算今天最新 | 于海滨海3d预测保真 | 3d太湖历史字谜 | 3d开奖必中 | 今天3d金码试机号对应码开机号 | 今晚3d专家推荐号码是多少 | 3d双胆预测3d双胆下3d 双胆推荐 | 3d今晚专家预测推荐 | 3d专家预测号 | 3d今晚上开奖号码 | 3d长中剑客预测今天 | 3d专家预测最准确今天上一期 | 李明启3d今晚预测专栏 | 3d千禧开机号和100期试机号 | 3d跨度振幅走势图3d专家 | 3d专家预测最准最新今天 | 3d推荐号今晚专家预测最准确 | 3d字谜太湖钓叟三字诀今天 | 北斗3d今日专家预测推荐 | 3d今日热销号| 3d开机号和试机号金码查询 | 三d预测专家最新推荐 | 3d最新基本走势图表 | 福彩3D独胆明日分析 | 3d专家预测最准确最新今天牛彩 | 3d今日预测推荐号 | 3d预测最新最准专家推荐号码 | 今晚3d精准一注直选 | 于海滨海3d专家预测今晚一注 | 3d免费专家预测推荐今天最新 | 3d直选综合走势图表图 | 3d必中永久直选500注大底 | 3d近15期开奖号码结果 | 3d最大值振幅走势图遗漏 | 福彩3D独胆明日分析最新 | 3d预测专家最准确的专家预测 | 今天3d中奖 | 中国福彩3D独胆实时推荐 | 于海滨专家3d今天预测 | 3d专家预测汇总牛彩网 | 福家老三3d推荐号 | 今晚3d预测推荐一注 | 今天3d马后炮解太湖字谜汇总 | 3d专家预测最准最新今天 | 3d今天开机号和试机号多少 | 3d焰舞和值谜字谜 | 中国福彩3D独胆独家杀号 | 今天3d的开机号和试机号是多少号 | 3d最新预测专家推荐 | 3d胆王帅哥独胆双胆 | 于海滨3d最新预测 | 3d试机号开机号号码今天 | 3d单选一注能中多少钱 | 今日3d藏机图正版藏机图134 | 3d今晚专家预测推荐 | 3d预测图 | 千禧3d试机号金码关注码杀码今天3d | 3d条件预测专家专区 | 彩宝贝十大专家杀蓝号 | 3d百个差振幅走势图近100期 | 3d今天开机号和试机号码300 | 3d老虎独胆 | 福彩3D独胆下一期走势最新 | 3d小龙一句定三码今日字谜天中图 | 3d十大专家精准预测 | 3d最新准专家预测 | 3d于海滨今天预测保真 | 詹天佑3d预测号 | 3d谜语今天字谜今天的3d字谜是什么? | 一定牛3d杀码 | 今天的3d太湖字谜图 | 3d最大值走势图彩经网 | 三d推荐号专家预测今天 | 3d预测今日最新推荐 | 3d今晚和值是多少 | 3d跨度振幅走势图3d专家 | 3d今晚开奖结果走势图 | 3d预测最新最准3d之家 | 3d最准预测号 | 3D独胆独家推荐最新 | 看彩大亨最新独胆预测 | 3d詹天佑3d预测 | 千禧试机号金码关注 | 3d白娘子跨度字谜汇总今天牛彩网 | 3d今日专家推荐号 | 3d必下胆 | 3d预测最准确专家预测牛彩网 | 自创3d绝杀四码方法细节 | 3d今晚开奖号码多少 | 3d预测詹天佑 | 成功路上3d双胆独胆 | 于海滨海3d最新预测 | 3d今日预测最准专家预测 | 3d和值走势图(带连线图) | 于海滨海3d预测牛彩网 | 3d专家预测最准确最新今天牛彩 | 3d近15期开奖号码结果 | 3d条件预测专区牛彩网 | 排三今晚推荐号 | 3d开机号试机号关注号金码对应码 | 今晚3d开奖号码多少 | 今日3d专家预测号码 | 中国福彩3D独胆老师分析最新 | 3d预测最准专家 | 于海滨海3d预测牛彩网 | 于海滨今天预测 | 3d精准定位专家预测 | 3d今晚专家推荐预测重点号码 | 3d下期预测最精准的一注号码 | 今晚3d试机号开机号 | 今晚试机号多少3d | 今晚最准的一注3d | 3d今晚试机号是多少 | 千禧3d试机号关注码今天 | 3d最精准专家预测汇总今天 | 3d最准一注号码 | 3d今晚最准专家推荐号 | 3d直选一注今天 | 3d预测最准专家预测 | 今日3d专家预测号最准确 | 3d试机号开机号今天金码关注 | 3d预测牛彩网预测汇总 | 3d断组今晚全部 | 3d走势图基本走势 | 中国福彩3D独胆下期最新必中最新 | 3d詹天佑预测分析牛彩网 | 3d预测号码最准确专家预测 | 大老人3d预测牛彩网推荐 | 3d两胆精准预测 | 3d专家预测最准最新今天 | 于海滨3d今晚预测号码 | 《金银胆神》金胆银胆3d最新一期开奖 | 三d预测专家最新推荐 | 3d字谜汇总大全总汇牛彩网开机号 | 3d专家预测最准确最新今天 | 3d钱王老头给胆点评 | 3d今日正版藏机图最新更新内容 | 福彩3D独胆下期推荐精准预测 | 陈华3d预测今天推荐 | 3d专家最新最准专家预测汇总 | 3d藏机图正版图汇总 | 3d今晚精选预测一注 | 3d最准确预测100%一注 | 3d,预测| 今天3d专家推荐重点号 | 于海滨杀码图今天最新 | 藏机图3d正版总汇 | 今天3d开机号和试机号全部 | 3d老炮子直选三注 | 今天3d开机号试机号牛彩列表 | 3d陈华今晚就赌一胆今天最新消息 | 3d精准定位专家预测 | 3d精准直选一注 | 于海滨最新3d预测推荐今天 | 3d单选一注能中多少钱 | 太湖钓叟3d字谜三字诀 | 今日3d藏机图正版藏机图310 | 今天牛兄双胆 | 3d预测今晚最准专家预测号码 | 福彩3D独胆大神精准预测最新 | 钱王点评十钱王给胆下一期预测 | 3d必中永久直选500注大底 | 3d专家今日推荐号码 | 3d直选是什么意思 | 3d千禧试机号关注号金码号开机号 | 3d太湖字谜大全 太湖钓叟 | 3d千禧试机号码金码关注码 | 北斗3d今日专家预测推荐 | 3d专家预测推荐号码 | 3d今晚预测一注 | 3d试后太湖一语定胆字谜 | 今天3d开机号 试机号是多少 | 3d今天预测最准确专家 | 2025排五守号推荐 | 3d今天专家预测推荐号码 | 今晚3d预测推荐一注 | 三d的试机号是多少今天 | 今晚于海滨海3d预测3d | 3d独胆专家推荐独胆 | 3d千禧试机号开机号金码 | 今晚3d专家预测汇总 | 3d今晚专家预测最准确号码 | 千禧试机号关注金码是什么 | 3d北斗专家北斗预测今天079期3d | 3d开机号今天试机号查询 | 今日3d字谜太湖钓叟字谜正版 | 3d预测专家最准确的专家预测今晚 | 3d预测最准的专家预测 | 3d专家预测最准确最新新闻 | 3d开机号试机号奖号 | 3d牛彩网100期开机号和试机号 | 15选5预测最准十专家预测 | 牛彩预测汇总3d最新 | 3d太湖17500字谜| 3d独胆专家推荐独胆 | 3d专家推荐号 | 3d今天开机号试机号码查询 | 今天3d试机号和开机号 | 于海滨专家预测3d | 天齐网3d首页保真版3d预测 | 3d太湖专家预测今晚 | 3d今晚惊天一注预测 | 福彩3D独胆高手分析 | 今日3d预测号码推荐 | 3d预测专家最准确的专家预测今晚 | 3d于海滨预测预测牛彩网 | 3d预测最准最新准专家预测 | 今天3d牛彩网专家预测 | 布衣杀码图3d杀码 | 3d专家预测最准最新今天 | 今日精准预测推荐3d号码 | 今天晚上3d开奖 | 今晚3d的试机号是 | 3d个位走势图图表 | 于海滨海3d专家预测今天 | 3D独胆大神走势 | 3d近30期开机号试机号开奖号查询 | 今晚3d专家预测精选一注 | 3d今晚精准推荐一注 | 3d直选走势图(专业版) | 3d今晚专家预测最准确一注 | 3d北斗专家北斗预测今天079期3d | 于海滨杀码今天最新版 | 3d字谜总汇图 | 3d预测詹天佑 | 3d独胆双胆专家预测网 | 千禧3d试机号关注码金码列表 | 3d十位单选振幅走势图 | 3d今晚必中一注一 | 孟庆会3d预测今天 | 3d独胆王定位独胆定位 | 3d最准专家预测号 | 今日3d藏机图汇总 正版 新版 | 3d独胆双胆专家预测网 | 今晚3d预测最准一注 | 今晚最准的一注3d | 3d焰舞和值谜字谜 | 3d字谜总汇今日3d字谜总汇牛彩网 | 3d预测专家推荐 | 钱王点评十钱王给胆下一期预测 | 3d精准直选一注 | 3d预测最准专家预测号 | 3d晚间字谜汇总汇 | 三字诀太湖三字诀字谜 | 超级毒胆 | 3d316期太湖字谜 | 3d开机号和试机号今天千禧 | 祖师爷独胆三天计划 | 3d今晚专家推荐预测重点号码 | 3d预测专家推荐号码 | 今天的3d开机号和试机号中奖号 | 太湖钓叟排三字诀字谜 | 3D独胆下期最新预测 | 3d今天最新最准专家预测最 | 3d专家预测最准最新今天 | 3d专家最新最准预测 | 3d推荐号今晚专家预测 | 3d单式怎么才算中奖 | 3d四码直选多少钱一注 | 3d专家预测汇总 | 今天3d金码试机号对应码开机号 | 3d走势图带连线图表 | 于海滨最新3d预测推荐今天 | 3d牛彩网专家预测 | 3d焰舞和值谜字谜 | 3d带线走势图连线走势图 | 今日3d专家预测号最准确 | 3d今晚最准最新专家推荐号 | 3d和值推算公式 | 福彩3D独胆团队分析最新 | 2002146期3d开奖结果 | 骄子铁鹰解3d字谜今日 | 3d今日预测最准专家预测 | 神龙毒胆王今晚给胆 | 3d今晚上专家推荐号 | 3d和走势图 和值尾连线 | 福彩3D独胆下期分析 | 3d预测最准最新准专家预测号码 | 3d试机号牛彩网近三十期 | 今日3d专家预测总汇 | 廊坊鸿运3d预测今天 | 3d预测最准确的专家预测软件 | 3d推荐最新最准专家预测 | 福彩3D独胆下期分析 | 3d专家解太湖字谜汇总 | 3d今晚最准三注 | 今天3d专家预测号码 推荐 | 3d最新专家预测推荐 | 3d精准预测专家预测 | 3d专家解太湖字谜汇总 | 3d今日开机号和试机号及关注码 | 3d独胆双胆 | 3d于海滨上的今天预测 | 3d试机号今天开机号查询 | 于海滨最新预测结果 | 3d独胆专家推荐独胆 | 唐龙点评每日一胆龙 | 3d北斗专家北斗预测今天079期3d | 3D独胆今晚命中率最新 | 福彩3D独胆大神精准预测 | 3d徐文轩今晚推荐号码 | 近10期3d开奖结果 | 今日太湖字谜3d总汇 | 3d今晚专家预测最准确号码 | 孟庆会点评 专家一语定胆 稳准狠三天计划 | 3D独胆下一期精准预测 | 3d预测一注号推荐今晚 | 3d专家预测牛彩网 | 今日3d直选 | 福彩3D独胆大神精准预测 | 3d预测最准最新准专家预测 | 今晚3d开奖号试机号 | 3d下期预测最精准的一注号码 | 3d字谜汇总大全总汇牛彩网开机号 | 今晚3d专家推荐号码是多少 | 3d预测专家推荐号码推荐 | 3d专家预测于海滨 | 3d于海滨预测预测牛彩网 | 天齐网专家杀码大全 | 3d预测 下一期 3d预测专家 3d预测 | 3d今天专家预测最准 | 3d今晚上预测号码 | 3d专家预测推荐号码 | 3d预测最准确的专家预测软件 | 今天三d专家推荐号码 | 3d彩界精英独胆双胆 | 3d预测专家最准确的专家预测今晚 | 3d任意两码差值尾走势图 | 于海滨杀码今天最新版 | 3d专家预测最准最新 | 3d最准确的专家预测 | 15选5预测最准十专家预测 | 3d开机号试机号今天最新50期 | 3d百位十位个位走势图 | 3d字谜汇总大全总汇牛彩网开机号 | 3d彩吧图库手机牛彩网 | 3d预测一注号推荐一3d预测一注今天 | 真实的谎言3d字谜追加和值谜 | 3d开机号,试机号,金码号,对应码100 | 于海滨专家3d预测 | 3d专家预测最准今天 | 千禧金码关注码试机号 | 今晚3d专家预测精选一注 | 3d独胆预测必下一胆 | 3d预测号码最准确专家预测 | 专家预测3d号码准确 | 3d今天推荐号码是多少 | 十拿九稳预测最准100% | 中国福彩3D独胆下期推荐杀号最新 | 3d专家预测最准确最新今天 | 排五专家预测精准 | 3d今晚试机号是多少 | 3d预测最准专家预测 | 3d今晚专家推荐号 | 3d免费专家预测推荐 | 3d之家预测专家预测 | 三地千禧开机号试机号金码关注 | 詹天佑预测3d | 3d各路专家预测汇总大全最新 | 3d专家詹詹天佑最新推荐 | 3d千禧开机号试机号关注金码对应码 | 3d推荐号今晚专家预测 | 3d最准确最新专家预测 | 3d十大专家推荐号码汇总 | 3d今天预测最准确专家 | 3d今天开机号试机号码 | 于海滨专家预测3d | 今天3d专家推荐重点号码 | 3d专家预测号码最准确 | 3d直选形态走势图彩宝网 | 今天3d千禧试机号关注号金码号 | 今日3d直选一注 | 3d预测今晚最准专家预测号码 | 白鱼舟最新3d预测 | 带头大哥3d预测今晚 | 3d预测今晚最准专家预测号码 | 3D独胆下期推荐预测最新 | 今天3d字谜3d一句定三码3d和值谜 | 唐龙预测一胆今天 | 3d今天的试机号开机号是多少 | 3d连线走势图表图 | 今晚3d开奖号是多少 | 今日3d开机号和试机号关注码千禧 | 3d毒毒毒胆胆胆中中中 | 中国福彩3D独胆大神命中率 | 3d今晚专家推荐号 | 最准3d专家预测推荐 | 3d精准直选一注 | 3d开奖结果今晚号码 | 3d最准专家预测号今晚3d试机号 | 中国福彩3D独胆本期推荐 | 3d预测最新最准专家推荐号码 | 廊坊鸿运3d推荐今天 | 3d今晚最准专家推荐号码 | 3d预测专家最准确今天 | 于海滨海3d专家预测 | 3d开机号试机号30期列表走势图 | 千禧3d试机号金码关注码杀码今天3d | 3d今晚最准专家预测号码 | 3d今天开机号和试机号码 | 3d试机号开机号今天最新 | 3d专家预测最准确今天 | 3D独胆高手精准预测 | 3d农村小伙子最新预测 | 今日正版3d藏机图全部汇总 | 3d今天专家预测推荐号码 | 3d今晚最稳一注 | 今于海滨3d杀码图24210 | 3d最精准专家预测汇总今天 | 唐龙点评每日一胆龙 | 3d今晚中奖号是多少 | 3d今晚上开奖号码 | 3d牛哄哄解太湖字谜今天 | 福彩3D独胆下期最新分析 | 3d近500期试机号和开奖号码 | 十拿九稳专家最新预测 | 今于海滨一语定胆保真今天 | 3d藏机图正版藏机图打印版 | 中国福彩3D独胆内部走势最新 | 3d跨走势图带连线走势图 | 今日太湖字谜3d字谜太湖钓叟 | 3d于海滨上的今天杀码 | 3d独胆双胆专家预测网 | 3d今晚最精准一注一注 | 3d牛哄哄解太湖字谜今天 | 于海滨一语定胆 | 3d预测专家汇总预测 | 3d预测今晚最准 | 3d中2个号多少钱 | 3d推荐号今晚专家预测最准确 | 3d专家推荐号最准确的推号 | 3d带连线走势图(专业版) | 今晚3d出的什么号 | 3d开机号和试机号金码关注对应号 | 3d综合走势图直选 | 今晚3d一注直选 | 3d今天专家预测号码 | 十拿九稳预测专家分析 | 3d计算公式精准100%计算 | 千禧3d试机号关注号 | 3d字谜太湖钓叟三字诀今天 | 3d近100期的开奖号码和试机号 | 马到成功杀两码最新版本更新内容 | 3d牛彩网| 3d千禧今晚试机号码 | 排三今晚推荐号 | 3d独胆10中10 | 3d开机号,试机号,金码号,对应码100 | 中国杀码王绝对 | 北斗3d今日专家预测推荐 | 万能四码图表 | 3d今天断组预测 | 福彩3D独胆下期最新分析 | 3d专家预测最准确号码 | 今晚3d和值推荐 | 3d专家今天推荐号 | 于海滨专家一语定胆十每日 | 3d预测最准确专家预测牛彩网 | 中国福彩3D独胆最新走势 | 3d晶晶必下一独胆今天 | 牛彩网预测专家3d | 于海滨3d最新预测 | 今晚3d专家推荐号码是多少 | 3d近100期试机号和开奖号是多少 | 排五近100期开奖号结果 | 3d最新准专家预测 | 詹天佑3d最新预测今天 | 3d长中剑客预测今天 | 3d走势图和值振幅 | 中国福彩3D独胆专家精准预测最新 | 3d最新专家预测汇总 | 陈华3d今晚赌独一胆天齐网 | 3d开机号和试机号正版彩吧 | 今日太湖钓叟三字诀字谜 | 3d专家预测汇总牛彩网彩摘收集 | 3d今晚最准专家推荐号 | 牛人独胆三天计划 | 3d火火独胆双胆 | 3d杀码十大专家天齐网 | 3d八哥图库总汇d字谜图谜总汇大全 | 小红人的三天计划今天是什么 | 今天3d专家推荐重点号码 | 3d晚秋和值谜彩吧图库 | 福彩3D独胆下一期走势最新 | 3d专家预测汇总牛彩网 | 3d海滨点评一语定胆今天最新推荐 | 于海滨海3d预测今天 | 3d和值谜汇总大全 | 今晚3d开奖结果是 | 3d北斗专家北斗预测今天079期3d | 3d字谜太湖最新 | 3d今天开机号和试机号金码对应码 | 今日3d开机号和试机号关注码千禧 | 3d今天开机号和试机号322 | 3d开奖号码今晚走势图 | 经典小胆王三天计划配组合 | 今日3d推荐号码号 | 3d机选一注 | 今天3d开机号和试机号 | 3d今晚预测最新最准确号码牛彩网 | 3d彩界元宝就看一个独胆 | 今晚3d预测最准一注 | 3d百位四胆 | 3d今日开机号和试机号及关注码 | 今晚预测3d号 | 今日3d蓝仙子一句定三码字谜 | 3d六码组三多少钱一注 | 3d今晚开奖结果号码是 | 3d预测最准确专家 | 3d杀码百位十位个位 | 两天双胆计划王 | 三天计划独胆牛人 | 3d开机号试机号奖号 | 今天3d开机号 试机号是多少 | 助赢计划软件免费版下载安装 | 三d预测专家最新推荐 | 太湖解太湖3d字谜 | 千禧开机号和试机号对应金码 | 万能6码走势图 | 3d和尾振幅走势图3d专家 | 3d今日正版藏机图最新更新内容 | 3d开机号试机号30期列表走势图 | 今晚3d预测推荐一注 | 福彩3D独胆下期推荐预测 | 今晚3d专家预测精选一注 | 今天3d专家解太湖字谜汇总 | 排五近100期开奖号结果 | 3d和值跨度走势图带连线 | 3d字谜太湖最新 | 3d藏机诗藏机图天中图库 | 3d开机号和试机号金码关注 | 太湖三字诀字谜三 | 3d神仙姐姐独胆一个 | 今晚3d专家预测 | 近30期3d开机号和试机号 | 3d之家独胆,双胆 | 3d今天开机号和试机号100期 | 3d今天最新最准专家预测最 | 3d必下双胆 | 十拿九稳预测专家分析 | 3d解太湖字谜汇总精选 | 3d百十和值尾振幅走势图 | 3d两胆王双胆必下 | 今晚3d专家推荐号码是多少 | 3d专家预测最准确最新今晚预测号 | 3d牛彩网字谜图谜汇总九 | 今晚3d开奖直选结果 | 3d精准三注直选 | 今日3d开机号和试机号关注码千禧 | 中国福彩3D独胆独家必中最新 | 于海滨今日3d预测 | 于海滨一语定胆专家点评 | 3d开机号和试机号今天多少 | 中国福彩3D独胆下期推荐推荐最新 | 3D独胆下期最新预测 | 3d形态预测静态版 | 3d走势图专家推荐号码 | 3d专家詹詹天佑最新推荐 | 3d近50期开奖号码 | 3d和值振幅走势图彩宝贝 | 3d北斗专家北斗预测今天079期3d | 千禧3d试机号关注号 | 铁人真胆一句定三码3d字谜彩搜网 | 3d预测 下一期 3d预测专家 3d预测 | 3d太湖钓叟字谜三字 | 于海滨3d杀码图145 | 3d预测一注号推荐一3d预测一注今天 | 太湖马后炮3d钓叟字谜 | 3D独胆下一期精准预测 | 李白看3d独胆绝20 | 3d晶晶必下一独胆今天 | 3d今晚最准一注 | 今天3d正版太湖字谜 | 今晚3d推荐号 | 3d今晚预测最准确一注今天 | 神仙姐姐杀码今天 | 今日3d专家推荐号码 | 3d预测 下一期 3d预测专家 3d预测 | 3d专家预测号码手机牛彩网 | 3d专家预测最准确最新汇总对应码 | 3d专家推荐 | 3d推荐号今日预测 | 3d预测专家最准确今天 | 3d晶晶必下一独胆今天 | 3d最精准专家预测汇总今天 | 今天最新3d开机号试机号关注码 | 今日太湖字谜3d字谜太湖钓叟 | 3d独胆王正版 | 今天太湖字谜三字诀是什么 | 2012099期3d开奖结果 | 3d预测总汇手机牛彩网 | 3d最准预测专家推荐 | 专家预测3d号码准确 | 3d今晚上专家推荐号 | 3d通辽独胆王今天 | 中国福彩3D独胆专家精准预测 | 3D独胆今晚预测 | 福彩3D独胆实时走势 | 3d基本走势图(专业版)近200期 | 3d今晚专家预测最准确号码 | 千禧3d试机号金码关注码码关注码双彩论六个 | 3d开机试机号金码号关注号 | 3d专家预测最新推荐 | 3d今晚最准专家推荐号 | 3d开机号和试机号30期列表 | 李明启3d预测最新号码 | 3d直选是什么意思 | 3d条件预测专家专区 | 福彩3D独胆内部杀号 | 3d千禧试机号关注号金码号开机号 | 3d专家推荐精选号码 | 3d推荐最新最准专家预测 | 3d今晚最准确一注 | 3d开机号,试机号和开奖号 | 唐龙3d预测今日出号点评 | 3d今日太湖字谜 | 3d预测 下一期 3d预测专家 3d预测 | 3d跨度金木水火土五行走势图 | 3d最新最准专家预预测 | 专家预测3d号码准确 | 三七进二得三码猜一生肖 | 福彩3D独胆实时走势 | 3d独胆双胆独胆3d之村 | 今天的3d开机号和试机号中奖号 | 3d最准确最新专家预测 | 中国福彩3D独胆内部走势最新 | 于海滨海3d最新预测 | 专家预测3d号码准确 | 千禧试机号金码关注号对应码杀码 | 3d专家预测最准确今天 | 钱王点评钱王老头预测 | 3d预测 下一期 3d预测专家 3d预测 | 3d预测专家最准确的专家预测昨天 | 于海滨3d今晚预测号码 | 3d今晚精选预测一注 | 投资计划3d乐彩论坛 | 3d 试 机 号今晚 | 3d至尊独胆 | 3d千禧试机号关注号金码牛彩网 | 3d于海滨一语定胆今天 | 中国福彩3D独胆高手命中率 | 3d最精准一注一注 | 今天的3d太湖字谜 | 3d免费精准直选三注 | 詹天佑3d推荐 | 3d今天专家预测号码最准确 | 一代女王决杀两胆免费观看 | 唐龙一胆今天最新 | 中国福彩3D独胆今日预测最新 | 试机号开机号金码关注号对应码3d | 3d专家预测推荐 | 今晚3d精准一注直选 | 3d最准预测号 | 3d今日预测最准专家预测 | 3d十大专家预测汇总 | 3d之家独胆,双胆 | 3d今晚预测开奖号码 | 3d试机号后专家预测汇总手机网 | 3d直选一注50倍单挑 | 3d杀码大全天齐网 | 3d预测号最新最准牛彩网 | 今于海滨3d预测今天单线联系 | 今天3d开机号和试机号牛彩网 | 3D独胆本期推荐 | p三杀码 | 中国福彩3D独胆独家必中最新 | 今晚3d直选推荐 | 3d神仙姐姐独胆一个 | 3d今天开机号和试机号码300 | 3d今日字谜太湖 | 3d和值尾振幅走势图3d之家 | 3d专家预测汇总牛彩网彩摘收集 | 3d推荐最新最准专家预测 | 十拿九稳预测专家分析 | 3d千禧开机号和试机号码 | 小红人的三天计划最新版 | 陈华今晚就赌一个胆预测 | 3d精选号码推荐今天最新 | 今晚3d开机号试机号金码 | 字谜3d太湖马后炮 | 3d今天的试机号开机号 | 3d预测号码最准最新准专家预测号 | 3d于海滨专家预测 | 今日3d预测专家推荐 | 3d最精准专家预测汇总今天 | 北京胆王2彩吧图库 | 3d最准确的专家预测 | 3d专家最新最准专家预测 | 3d千禧试机号关注码金码是什么 | 福彩3D独胆下期预测 | 3d今天预测号 | 3d十大专家精准预测汇总 | 3d中奖情况 | 3d专家预测最准最新 | 3d最准专家预测号 | 3d单一跨度走势图表 | 3d今晚预测最新最准确号码牛彩网 | 拼搏在线3d开机号和试机号列表 | 3d独胆10中10 | 十拿九稳今天预测 | 3d正版藏机图总汇全图 | 3d专家今天预测汇总 | 于海滨三地杀码 | 3d单个冷号最大遗漏 | 太湖字谜马后炮3d总汇 | 3d大富好预测汇总 | 3d带专业连线走势图 | 3D独胆内部精准预测 | 今晚3d开机号和试机号是多少 | 3d陈华今晚就赌一胆天齐网 | 今日3d正版藏机图,藏机图汇总,天中网 | 3d预测詹天佑 | 3d预测号码最准最新准专家预测号家彩网 | 今天3d开机号和试机号对应码查询 | 中国福彩3D独胆今晚走势最新 | 3d百位个位和值走势图 | 太湖三字诀字谜三 | 最准3d预测专家推荐号 | 3d今晚专家预测最准确号码 | 今晚3d预测最准一注 | 3d最准专家预测号 | 3d独胆双胆专家预测网 | 3d打一个独胆中了多少钱 | 福彩3D独胆老师精准预测 | 3d专家预测号码推荐今天 | 3d万能三码中奖秘诀 | 太湖钓叟排三字诀字谜 | 小林3d预测 | 3d牛彩网专家汇总汇总大全 | 3d直选一注多少钱 | 3d最准预测专家推荐 | 排三十拿九稳今天预测 | 3d一句定三码最准字谜 | 百位振幅走势图3d之家 | 3d开机号和试机号码牛彩网 | 于海滨海3d预测牛彩网 | 中国福彩3D独胆下期分析最新 | 今晚3d专家推荐号码是多少 | 3d绝杀一码专家 | 排三杀码专家天齐网 | 今晚3d号码开奖结果多少 | 于海滨专家预测3d | 千禧三地试机号对应码金码 | 3d开机号试机号近100期开奖号码 | 3d今天开机号和试机号码 | 3d专家推荐预测号 | 排三专家推荐与预测今天 | 三地千禧试机号关注金码对应码 | 福彩3D独胆老师必中最新 | 3d今天中了多少注直选 | 3d预测专家汇总预测 | 3d阿福图库图谜大全 | 3d今晚必中三个号码预测 | 于海滨3d预测牛彩网 | 今日三地开奖码 | 3d千禧试机号关注号金码牛彩网 | 小薇3d预测今天推荐 | 中国福彩3D独胆明日推荐 | 3d和值尾振幅走势图专业版 | 3d预测专家精准推荐 | 3d最精准专家预测汇总今天 | 3d今晚最精准一注一注 | 钱王杀码图码 | 今日3d推荐号码号 | 3d今晚开机号试机号是多少 | 福彩3D独胆高手预测 | 3d彩吧图库手机牛彩网 | 3d中国准神双胆 | 3d今天专家预测最准确 | 3d今晚最准专家推荐号码 | 3d专家杀码图 | 3d就打一个胆中了多少钱 | 3d预测专家推荐最准确 | 3d陈华今晚就赌一个胆搜索一下 | 3d今晚最准三注 | 3d今晚专家免费预测 | 3d开机号试机号30期列表走势图 | 3D独胆高手精准预测 | 于海滨3d预测牛彩网 | 今于海滨3d杀码 | 千禧p3试机号关注号金胆对应号 | 今日3d专家预测号最准确 | 3d开机号和试机号近100期列表 | 3d于海滨预测预测牛彩网 | 3d专家预测推荐号最新 | 3d跨度振幅走势图3d专家 | 福彩3D独胆内部杀号 | 3d预测专家精准推荐 | 3d推荐最新最准专家预测 | 3d今晚专家预测推荐 | 3d近30期开机号试机号开奖号查询 | 3d大老人预测 | 3d今天中了多少注直选 | 3d盐都三胆家彩网 | 詹天佑3d预测 | 3d今晚最准专家预测号码 | 最新3d预测专家预测 | 于海滨今日预测号 | 3d今天预测最准确专家 | 3d推荐号今晚专家预测最准确 | 解太湖3d字谜太湖 | 3d今天专家预测推荐号码 | 3d单选一注能中多少钱 | 于海滨3d最新预测 | 3d走势图基本走势图 | 太湖字谜3d和值谜 | 故事小王p3双胆必下 | 天府袍哥3d预测 | 3d今晚精准一注 | 千禧今晚3d试机号关注码金码对应 | 北斗3d今日专家预测推荐 | 3d千禧试机号和金码关注 | 3d开机号和试机号近100期 | 3d双胆独胆非常稳 | 3d预测今日最新推荐 | 3d推荐号今晚专家预测 | 3d独胆预测必下一胆 | 3d今晚专家推荐号 | 3d今晚精准一注 | 今天3d试机号开机号牛彩网 | 3d近200期试机号和开奖号 | 3d和值尾振幅走势图50期 | 今晚钱王点评推荐号 | 3d之家独胆,双胆 | 3d和值专家推荐和值 | 3d独胆双胆专家预测网 | 3d布衣独胆王| 3d今天开机号 试机号查询 | 排三太湖钓叟字谜三字诀 | 今天3d开机号试机号对应码列表 | 3d预测总汇手机牛彩网 | 3d今晚上专家推荐号 | 3d开机号码近100期 | 3d预测最准专家预测牛彩网 | 今天3d马后炮解太湖字谜汇总 | 龙头凤尾今日预测 | 今晚3d预测最准一注 | 3d和值最近(500)期走势图 | 3d彩界精英独胆双胆 | 3d今天专家推荐号码 | 近30期3d开奖结果 | 今晚3d开奖直选结果 | 3d今天试机号开机号关系 | 千禧3d今天的试机号 | 3d北斗专家北斗预测今天079期3d | 3d预测专家推荐最准确 | 3d预测今晚最准专家预测号码 | 3d预测今日最新推荐 | 福彩3D独胆明日精准预测 | 3d专家最新最准预测 | 中国福彩3D独胆今日预测最新 | 3d今天专家推荐号码 | 三七进二得三码猜一生肖 | 3d今晚最准一注 | 3d中间最小两码差值振幅走势图 | 于海滨一语定胆《保真》 | 3d今晚预测准确的专家预测 | 于海滨海3d预测牛彩网 | 3d条件预测专家专区 | 詹天佑3d最新消息今天 | 唐龙一胆 | 牛彩网3d专家预测汇总 | 今天3d必出一注 | 3d试后太湖一语定胆字谜 | 福彩3D独胆下一期命中率最新 | 3d预测最准专家预测牛彩网 | 3d专家推荐最精准的号码 | 3d预测一注号推荐今晚 | 3d长中剑客预测今天 | 3d詹天佑最新预测今天 | 3d试机号开机号今天晚上金码号 | 3d姜子牙一句定三码最准字谜汇总 | 今日3d藏机图正版藏机图310 | 3d专家预测最准确最新今晚预测号 | 3d跨度金木水火土五行走势图 | 3d基本走势图结果 | 3d今天专家预测最准 | 3d专家推荐号码 | 3d预测最准的专家预测 | 3d专家詹詹天佑最新推荐 | 中国福彩3D独胆今日走势最新 | 于海滨3d预测牛彩网 | 福彩3D独胆高手分析 | 神仙姐姐今天最新杀码 | 牛彩网3d预测汇总大全 | 小财神三天计划独胆必下 | 三地千禧关注码试机号 | 于海滨杀码今天最新版 | 三d独胆王独胆双胆 | 3d下期预测最精准的一注号码 | 3d专家预测最准确今天南方双彩网 | 今晚3d专家最精准的预测 | 3d天宇和值谜字谜 | 福彩3D独胆老师杀号最新 | 3d专家预测号 | 3d千禧开机号试机号 | 3d十位单选振幅走势图 | 千禧3d试机号金码关注码今天 | 排三十拿九稳今天预测 | 3d北斗专家北斗预测今天079期3d | 今天3d试机号开机号是什么 | 今日3d字谜太湖钓叟字谜正版 | 3d最大值振幅走势图遗漏 | 千禧3d试机号关注号 | 3d今晚试机号开奖号 | 3d今天千禧试机号关注号金码 | 3d专家预测最准最新 | 3d千禧开机号试机号关注金码对应码 | 3D独胆下一期精准预测 | 3d牛哄哄解太湖字谜今天 | 3d预测今晚最准专家预测号码 | 今天3d于海滨预测 | 3d预测牛彩网预测汇总 | 3d下期预测最准一注 | 福彩3D独胆老师精准预测 | 3d定位独胆王三个双飞 | 天天彩于海滨海3d最新预测 | 天齐网3d杀码大全 | 3d小胆神独胆今天 | 3d今晚预测最准确一注 | 3d预测今晚最准专家预测号码 | 3d预测专家推荐 | 3d独胆必下一独胆3d独胆预测 | 3d七码复式最准专家 | 最准3d专家预测推荐 | 于海滨杀码图牛彩 | 3D独胆老师分析 | 三d走势图基本走势图彩宝网 | 3d今晚预测直选四注 | 3d今天最准专家预测 | 3d预测号码最准确专家预测 | 3d单式怎么才算中奖 | 3d詹天佑最新预测今天 | 今天龙头凤尾预测 | 今日3d开奖号码是多少? | 于海滨海3d最新预测 | 三d独胆 | 3d今晚预测最新最准确号码牛彩网 | 唐龙一语定胆3d今天 | 一代女王决杀两胆免费观看 | 3d陈华今晚就赌一胆o11预测 | 中国福彩3D独胆老师分析最新 | 3d廊坊鸿运正版推荐 | 3d开奖号走势图表 | 3d千禧开机号试机号 | 3d预测号码最准确专家预测 | 3d太湖字谜汇总今天 | 千禧3d试机号关注码金码试机号 | 3d铁人包星定胆天齐网 | 3d今晚专家预测推荐号 | 3d杀码专家杀码天齐网 | 福彩3D独胆今晚走势最新 | 3d今天开机号和试机号码300 | 3d今晚上专家推荐号 | 3d今晚专家预测推荐 | 最新3d预测专家预测 | 万能四码使用技巧 | 今晚精准一注3d | 3d正版藏机图天齐网汇总 | 3d独胆必下一独胆布衣正 | 万能四码找下期奖号 | 3d邻孤传走势图乐彩 | 3d字太湖叟字谜 | 3d预测最准确的专家 | 千禧3试机号金码关注码金码 | 3d预测最准确专家预测 | 今日3d预测 | 3D独胆团队命中率最新 | 3d分析预测 | 3d牛彩网专家预测 | 3d预测最准确专家预测 | 3d预测今晚最准专家预测号码 | 一代女王决杀两胆免费观看 | 3d推荐最新最准专家预测 | 3d走势图基本走势图表 | 3d预测专家推荐号码 | 3d今天试机号开机号金码 | 3d字谜总汇图 | 3d独胆双胆专家预测网 | 3d下期专家预测 | 3d直选一注必中 | 詹天佑3d | 3d今天专家预测推荐号码 | 3d今天最新最准专家预测最 | 3d专家预测最准确今天上一期 | 今天晚上三d开奖结果 | 3d预测专家最准确的专家预测今晚 | 神仙姐姐今晚杀码 | 3d今晚最新预测 | 太湖字谜钓叟3d字谜 | 詹天佑3d推荐 | 3d太湖字谜一语定胆 | 3d预测最准确专家预测牛彩网 | 3d独胆双胆3d之家 | 3d乐彩走势图表 | 3d专家今日推荐号码 | 3d今晚专家推荐预测重点号码 | 于海滨3d每日杀一码 | 3d试机号牛彩网近三十期 | 今天3d精选一注 | 3d预测汇总牛彩网 | 3d预测最新最准3d之家 | 3d试机号今天晚上金码92期 | 3d今天预测最准确专家 | 牛彩网3d预测汇总大全 | 今日3d字谜3d一句定三码诗天中图 | 铁人真胆一句定三码3d字谜彩搜网 | 今天3d牛彩网专家预测 | 太湖字谜三字诀论坛 | 于海滨3d彩吧图库 | 3预测,3d专家预测,最准确今天彩网 | 近100期3d开机号和试机号 | 3d最准预测号 | 3d今日预测最准专家预测 | 3d谜语今天字谜今天的3d字谜是什么? | 福彩3D独胆老师必中 | 3d字谜汇总大全总汇牛彩网开机号 | 牛彩预测汇总3d最新 | 今天3d定位字谜二 | 3d试机号近10期彩经网 | 3d开奖号码结果 今晚 | 3d专家推荐今天 | 3d开机号试机号近100期开奖号码 | 3d牛彩网采摘收集预测汇总 | 3d专家詹詹天佑最新推荐 | 太湖字谜太湖钓叟三字诀 | 3d试机号历史情况 | 于海滨精准杀码图 | 3d最准确最新专家预测 | 3d开机号和试机号近100期列表 | 3d彩界精英独胆双胆 | 于海滨今天杀码3d | 3d今天专家预测推荐号码 | 3d带线走势图连线走势图 | 3d预测最准的专家 | 3d买4个号直选多少钱 | 3d专家推荐最精准的号码 | 今晚3d预测开奖号码推荐 | 千禧3d试机号金码关注码对应码今晚 | 千禧3d试机号关注码金码列表 | 布衣杀码图3d杀码 | 3d预测专家准确推荐 | 3d今晚上必出号推荐组 | 于海滨海3d预测牛彩网 | 3d詹天佑最新预测今天 | 3d最新专家预测汇总大全 | 3d栋栋预测牛彩网 | 3d专家推荐预测号 | 今天的3d太湖字谜 | 专家预测3d号码准确 | 3d静态版预测静态版 | 今天3d号码推荐 | 3d今天单挑50信 | 千禧3d试机号金码关注码对应码 | 超级毒胆| 今天3d专家推荐重点号 | 3d预测最准确专家预测 | 3d牛哄哄解太湖字谜今天 | 排五预测专家预测 | 今天3d试机号开机号牛彩网 | 于海滨3d预测今天 | 今日3d十大专家双胆总汇 | 福彩3D独胆老师杀号最新 | 3d精选号码推荐今天最新 | 今晚最准一注3d | 3d今天专家推荐号码 | 三天计划胆十组合 | 3d金码开机号和试机号 | 3d最新预测专家推荐 | 3d最精准专家预测汇总今天 | 3d谜语太湖钓叟3d谜语今天 | 3d独胆双胆3d之家 | 3d带线走势图牛彩网 | 3d预测专家最准确的专家预测今晚 | 3d预测今日最新推荐 | 千禧3d试机号金码关注码牛彩网 | 近30期3d开机号 | 3d彩吧图库44462 | 今天3d专家推荐重点号码 | 3d今晚预测最准确一注 | 独胆计划王 | 3D独胆老师分析 | 3d个位走势图振幅 | 3d专家预测最准确最新新闻 | 3d预测今晚最准专家预测号码 | 今天3d开机号试机号码 | 一名将3d双胆预测 | 今晚3d专家预测最准确 | 3d公式计算方法 | 3d最准一注号码 | 3d今晚专家预测最准确号码 | 3d开机号和试机号是多少 | 今天3d必出一注 | 正版铁人铁胆3d | 3d预测专家最准确的专家预测今晚 | 3d八哥图库总汇d字谜图谜总汇大全 | 今天3d牛彩网专家预测 | 3d预测专家最准最新 | 3D独胆本期预测最新 | 3d千禧开机号和100期试机号 | 于海滨3d最新预测 | 3d专家预测最准确最新今晚预测 | 3d今天开机号和试机号牛彩网 | 千禧3d开机号试机号金码 | 中国福彩3D独胆下一期预测最新 | 3d今晚试机号彩经网 | 今日正版藏机图全部汇总239期 | 今日排三太湖钓叟字谜三字诀 | 今日毒胆 | 神仙姐姐杀码今天的 | 顶级胆神双胆下一 | 3d今天专家预测最准 | 3d最准预测号 | 3d太湖钓叟字谜三字诀了3d开奖 | 3d独胆必下一独胆准 | 于海滨3d预测牛彩网 | 专家彩宝贝预测汇总 | 3d今天试机号和开机号 | 3d今晚上专家推荐号 | 3d今晚预测直选一注3d一注预测 | 3d和值走势图表综合版 | 3d买4个号直选多少钱 | 最准的3d专家预测 | 3d两胆精准预测 | 3d千禧试机号开机号金码 | 中国福彩3D独胆独家必中 | 3d最准确专家预测 | 《天才计划》三天计划独胆3d | 3d专家预测号码推荐今天 | 3d预测最准的专家 | 今晚最准一注3d | 3d于海滨专家预测 | 3d预测专家最准确的专家预测今晚 | 3d预测詹天佑最新 | 于海滨一语定胆保真 | 今天3d开机号和试机号多少? | 十拿九稳预测专家分析 | 3d预测今晚最准专家预测号码 | 3d就打一个胆中了多少钱 | 排三今晚推荐号 | 3d今天专家预测号码最准确 | 今天3d马后炮解太湖字谜汇总 | 于海滨最新3d预测今天 | 3d预测最准确的专家 | 3d今晚最准专家预测号码145 | 3d今晚预测直选四注 | 3d专家预测最准确最新今晚预测 | 3d今日专家推荐号 | 千禧试机号金码关注号对应码杀码 | 今晚最准一注3d | 3d于海滨上的今天预测 | 3d杀码专家大全 | 中国福彩3D独胆独家预测 | 3d杀码更准确 | 今天最新3d开机号试机号关注码 | 3d百个位和值尾走势图 | 3d预测专家推荐号码 | 最准3d预测专家推荐号 | 3d预测今晚最准专家预测号码 | 3d的预测号是多少 | 3d今天晚上预测最准专家 | 3d今晚最准专家预测号码145 | 3d专家预测号码手机牛彩网 | 3d今天专家推荐号码推荐 | 3d今晚惊天一注预测 | 3d百个位和值尾走势图 | 3d今天开机号试机号码 | 超级毒胆| 3d和值推算公式 | 排三平均值振幅走势图3d之家 | 3d今天推荐号码是多少 | 3d太湖解字谜| 中国福彩3D独胆独家必中 | 于海滨海3d专家预测今晚一注 | 3d老虎独胆| 3d今晚出什么号? | 于海滨杀码图牛彩 | 3d彩吧试机号今天最新 | 3d直选历史遗漏查询 | 唐龙点评3d预测 | 3d跨度公式98准确率 | 3d预测一注号推荐一3d预测一注今天 | 3d开心毒胆独胆王 | 福彩3D独胆下期杀号最新 | 苦命人3d推荐一注 | 精准3d独胆 | 福彩3D独胆下期走势最新 | 3d预测今晚推荐号 | 今日3d专家精准推荐 | 今日3d太湖字谜更新 | 3d今天开机号和试机号码200 | 彩坛老顽童3d独胆 | 于海滨3d预测免费每日精选 | 今天3d开机号试机号金码 | 金银胆神金胆银胆的最新消息 | 3d预测专家推荐最新 | 3d最小值振幅走势图3之家 | 詹天佑预测3d | 廊坊鸿运3d | 今天最新3d开机号试机号 | 3d今天开机号和试机号 | 3d牛哄哄解太湖字谜今天 | 百位振幅走势图3d之家 | 马后炮解今日太湖字谜三字诀 | 3d专家预测推荐号码 | 于海滨海3d专家预测今天 | 中国福彩3D独胆今晚分析 | 3d盐都三胆家彩网 | 今于海滨3d杀码 | 3d开机号和试机号今天 今晚 | 千禧3d关注码 | 今天3d开机号和试机号多少? | 3d直选一注多少钱 | 唐龙3d预测今日出号点评 | 今于海滨3d预测今天单线联系 | 快8今晚最毒胆推荐 | 3d字太湖叟字谜 | 中国福彩3D独胆下期推荐推荐最新 | 3d火火人独胆双胆必中 | 3d今晚最准最新专家推荐号 | 3d 今天 试机号开机号3 | 今天太湖钓叟3d字谜三字诀 | 牛彩网近30期3d开机号试机号 | 于海滨3d预测 | 3d开机号和试机号正版彩吧 | 3d杀码图汇总 | 詹天佑3d今日推荐 | 太湖谜3d太湖钓叟字谜 | 千禧之年3d开机号试机号金码关注 | 张克永专家3d预测 | 3d中国独胆王今天 | 3d今天专家预测推荐号码 | 唐龙3d预测今日出号点评 | 3d专家推荐最新预测 | 福彩3D独胆团队必中最新 | 龙彩居士3d预测今天最新版 | 3d走势图带连线图表 | 3d藏机图正版藏机图打印版 | 3d专家预测汇总牛彩网 | 3d预测最准最新准专家预测 | 投资计划独胆三天计划 | 于海滨3d预测牛彩网 | 三d独胆 | 福家老三3d推荐号 | 今日3d藏机图汇总 正版 新版 | 3d试机号历史出现情况天齐网 | 55125预测汇总3d| 3d开机号试机号关注号金码对应码 | 3d预测今晚最准 | 3d十大专家独胆 | 3D独胆大神走势 | 3d今天预测最准确专家 | 3d和值25点有哪几注 | 今天3d牛彩网专家预测 | 3d于海滨上的今天预测保真 | 3d牛哄哄解太湖字谜今天 | 3d预测一注号推荐一3d预测一注今天 | 3d今天开机号和试机号多少 | 今于海滨杀一码 | 3d千禧开机号试机号关注金码对应码 | 今晚开奖号码3d开奖结果 | 3d和值振幅走势图带连线坐标 | 最准3d专家预测推荐 | 3d最精准专家预测汇总今天 | 无敌胆王独胆双胆 | 3d预测今日最新推荐 | 今日3d专家推荐号码 | 3d单选一注能中多少钱 | 3d推荐号3d推荐号码 | 3d预测最准最新准专家预测号码 | 3d 今天 试机号开机号3 | 于海滨3d预测专家今天 | 3d今晚预测100% | 3d今天专家预测推荐号码 | 3d最新最准预测号码今天 | 3d詹天佑最新预测牛彩网 | 3d试机号今天开机号查询结果 | 3d今天最新最准专家预测最 | 3d今天中了多少注直选 | 今天3d专家推荐号 | 天府袍哥3d预测 | 马后炮解3d太湖字谜总汇大全 | 3d十大专家杀跨度汇总 | 金银胆神金胆银胆的最新消息 | 3d太湖老情人字谜图谜 | 今天3d专家预测号码 | 3d推荐号今日预测 | 于海滨海3d预测免费每日精选3d开奖号 | 中国福彩3D独胆下期最新分析 | 3d太湖字谜总汇大全 每天更新 | 3d今天走势图表 | 今天3d开机号 和试机号 查询结果 | 福彩3D独胆今日走势最新 | 3d个位走势图表 | 3d独胆之家 | 今日3d藏机图汇总 正版 新版 | 3d试机号后专家预测推荐汇总 | 3d开机号和试机号金码关注 | 3d各类和值最新谜字谜今天 | 3d最准一注号码 | 3d今晚十大专家预测汇总 | 3d十大专家双胆预测汇总 | 3d试机号后专家预测推荐汇总 | 3d绝杀三码今天 | 3d专家预测推荐号码 | 3d太湖一语定胆字谜 | 3d最准预测专家汇总大全 | 3d最精准专家预测汇总今天 | 2014年359期3d焰舞字谜 | 3d开心毒胆独胆王 | 三天计划3d独胆论坛 | 3d彩报图今天的第五版 | 福家杀码王p3 | 3d今天专家预测号码 | 3d今晚出啥号 | 福彩3D独胆老师必中 | 3d开机号和试机号今天金码关注号 | 于海滨点评专家一语定胆保真版 | 试机号开机号金码关注号对应码3d | 3d孙大财就赌一个胆 | 太湖3d字谜图谜总汇 | 3d专家于海滨| 3d最大值走势图彩经网 | 3d太湖字谜大全 太湖钓叟 | 3d今晚最准一注 | 今于海滨3d预测今天单线联系 | 今日3d藏机图正版藏机图134 | 3d专家最新最准专家预测 | 顶级胆神双胆下一 | 3d财神爷独胆双胆双飞计划三天 | 3d最准预测专家推荐 | 今日3d预测号码推荐 | 于海滨海3d最新预测 | 千禧3d试机号金码关注码码关注码双彩论六个 | 于海滨点评专家一注定胆保真版162期 | 3d每天都有开奖吗 | 今天3d金码试机号对应码开机号 | 杀码大全汇总 | 3d陈华今晚就赌一个胆搜索一下 | 今于海滨3d预测今天牛彩网 | 最准确3d专家预测 | 3D独胆高手精准预测 | 3d千禧试机号码金码关注码 | 3d字谜汇总大全总汇牛彩网开机号 | 天才三天独胆计划 | 陈华今晚独胆特别关注 | 3d跨度金木水火土五行走势图 | 毒胆牛人三天计划必出 | 3d开机号,试机号,金码号,对应码100 | 3d开奖号码今晚走势图 | 试机号开机号金码关注号对应码3d | 3d开心毒胆独胆王 | 排五奖号 | 于海滨点评专家一语定胆保真版 | 3d开机号码近100期 | 北斗3d今日专家预测推荐 | 3d走势图和值振幅 | 3d图谜总汇字谜 | 今晚3d开奖号试机号 | 3d预测最新最准专家 | 3d开奖号走势图表 | 3d预测今晚最准 | 今天三d专家推荐号码 | 铁人真胆一句定三码3d字谜彩搜网 | 中国福彩3D独胆下期最新必中最新 | 3d藏机图正版藏机图全图牛彩网 | 于海滨3d杀码预测 | 于海滨3d预测免费每日精选 | 3d玩彩老头预测今天号码 | 3d预测最准确专家预测牛彩网 | 福彩3D独胆内部走势 | 詹天佑3d点评预测 | 3d今晚专家预测最准确一注 | 中国福彩3D独胆下期最新分析 | 唐龙一胆今天最新 | 3d十大专家双胆预测汇总 | 钱多多3d百位定独胆 | 福彩3D独胆下期最新推荐 | 今于海滨3d预测 | 3d最全晚间字谜汇总大全 | 3d钓叟字谜三字诀官网 | 3d今晚最准最新专家推荐号 | 今天3d太湖钓叟字谜三字诀 | 3d开机号和试机号金码关注 | 3d今天专家预测最准确 | 辽宁独胆王三天计划 | 千禧3d试机号关注码金码试机号 | 铁娘子三天计划独胆必下300 | 詹天佑最新预测3d | 三d字谜总汇大全 | 神龙毒胆王今晚给胆 | 3d试机号开机号号码今天 | 3d今晚专家预测最准确号码 | 3d彩宝网开机号和试机号 | 3d今天专家预测号码最准确 | 今天三d专家推荐号码 | 3d最精准专家预测汇总今天 | 中国福彩3D独胆今日精准预测 | 3d和值和尾走势图带连线图表 | 3d今晚必出号 | 3d预测专家汇总预测 | 今天最新3d开机号试机号关注码 | 今晚3d专家推荐号码是多少 | 于海滨今日3d预测 | 专家预测3d预测 | 3d一句定三码最准字谜 | 3d预测最准专家预测号码 | 福彩3D独胆实时走势 | 三d今日预测 | 今晚3d开奖号码多少 | 太湖字谜钓叟3d字谜 | 3d专家预测于海滨 | 带头大哥3d预测今晚 | 3d十位走势图带连线图表专业版 | 最准的3d专家预测 | 3d预测最准确专家 | 3d今天专家预测最准 | 双胆王看双胆3d | 3d独胆专家推荐独胆 | 3d今晚预测最新最准确 | 3d预测詹天佑最新 | 三d毒胆预测 | 3d今晚最准的一注 | 于海滨3d最新预测 | 3d专家预测最准确最新今晚预测号 | 3d今晚必中三个号码预测 | 于海滨3d预测牛彩网 | 3d双飞怎么买多少钱一注 | 今晚3d推荐号 | 于海滨海3d专家杀码 | 今晚3d之家 | 3d免费专家预测推荐今天最新 | 3d开机号今天近10期 | 3d最准预测专家推荐 | 苦命人3d推荐一注 | 3d走势图和值振幅 | 3d十大专家双胆预测汇总 | 3d杀码专家杀码最精准 | 3d走势图带试机号彩宝网 | 3d百位个位和值走势图 | 看彩大亨看独胆双胆预测 | 今晚3d预测最准一注 | 3d最准确最新专家预测 | 陈华今晚就赌一个胆今天最新更新内容 | 太湖试机号后一句定三码3d字谜 | 3d今晚专家预测推荐 | 3d今晚最准专家推荐号 | 3d双胆| 3d推荐号今晚专家预测 | 3d各类和值最新谜字谜今天 | 3d专家预测汇总牛彩网收集汇总 | 今日3d预测专家推荐 | 3d预测最准最新准专家预测号码 | 三d预测牛彩网汇总 | 最准确3d专家预测 | 今日3d藏机图正版藏机图310 | 2008年359期3d焰舞字谜 | 金银胆神金胆银胆的最新消息 | 3d藏机诗藏机图天中图库 | 3d今天专家预测推荐号码 | 3d推荐最新最准专家预测 | 今天3d专家推荐号 | 太湖字谜太湖钓叟三字诀 | 3d专家预测最准确最新新闻 | 今天3d专家推荐号 | 今日3d专家预测号最准确 | 3d今天试机号开机号关系 | 3d徐文轩今晚推荐号码 | 3d试机号开机号今天最新 | 于海滨点评专家一语定胆保真版 | 3d今天专家推荐号码推荐 | 3d试后太湖一语定胆字谜 | 福彩3D独胆下期推荐必中 | 3d预测号码最准确专家预测 | 两天计划双胆王 | 3d预测专家最准确的专家预测今晚 | 3d字谜财神一语定一注 | 3d十大专家双胆预测汇总 | 福彩3D独胆团队必中 | 今晚3d推荐号码 | 今于海滨3d预测今天牛彩网 | 今日3d专家预测号最准确 | 3d太湖钓叟字谜三字诀了3d开奖 | 3d专家预测号码推荐今天 | 今晚3d专家推荐号 | 今天最新3d开机号试机号关注码 | 3d专家预测最准确最新新闻 | 3d今晚上专家推荐号 | 3d最佳一注号码 | 今于海滨3d预测今天牛彩网 | 3D独胆本期预测最新 | 3d预测今晚最准专家预测号码 | 今日3d钱王点评 | 今天的太湖3d字谜 | 福彩3D独胆下期推荐必中 | 3d专家预测最准确最新今天牛彩 | 3d今晚预测最新最准确 | 北斗3d今日专家预测推荐 | 3d钱王点评 | 于海滨专家一语定胆十每日 | 三d牛彩网开机号试机号是多少 | 今天晚上的3d开奖结果 | 于海滨今天3d预测 | 3d近30期开奖号码 | 3d于海滨预测预测牛彩网 | 3d今天专家预测最准 | 中国福彩3D独胆最新必中 | 3d号码预测和推荐号今天 | 3D独胆下期推荐走势最新 | 3d胆1拖9直选多少钱一注 | 3d和值10有哪些号码 | 于海滨最新预测今天 | 今日期3d太湖字谜 | 詹天佑3d点评预测 | 3d和值尾振幅走势图带连线图表 | 3d最准确最新专家预测 | 3d杀码图汇总 | 3d之家预测专家预测 | 今晚3d出的什么号 | 3d于海滨今天预测保真 | 3的杀码图| 今日太湖钓叟三字诀字谜 | 3d今晚专家预测推荐号 | 3d今于海滨杀码图 | 今天3d太湖钓叟三字诀字谜 | 3d预测今天最准预测号 | 千禧试机号及金码 | 3d专家预测最准确最新推荐号码 | 3d今晚推荐号码最新 | 3d杀码图汇总 | 3d詹天佑推荐号码 | 北斗3d今日专家预测推荐 | 中国福彩3D独胆独家杀号 | 3d千禧试机号开机号对应码关注号 | 于海滨海3d预测免费每日精选3d开奖号 | 今天3d开机号试机号码 | 3d直选100%中奖绝技 | 3d十位单选振幅走势图 | 于海滨海3d预测牛彩网 | 3d专家推荐今天 | 3d预测最准确最新 | 3d千禧试机号关注号金码号开机号 | 于海滨海3d预测今天 | 3d今天开机号和试机号查询100期 | 3d专家预测最新最准推荐 | 3d彩界精英独胆双胆 | 3d专家杀码图 | 3d开机号和试机号码牛彩网 | 天才计划三天计划独胆 | 中国福彩3D独胆当天分析 | 3D独胆大神分析 | 3D独胆高手精准预测 | 解太湖3d字谜太湖 | 3d最新专家预测汇总大全 | 排三杀码想要 | 张克永3d预测今天 | 3d最精准专家预测汇总今天 | 3d条件预测专区牛彩网 | 3d十大专家推荐号码汇总 | 3d今晚试机号是多少查询 | 今晚3d专家预测精选一注 | 3d解太湖字谜汇总 | 3d最准专家预测号 | 今晚3d和值推荐 | 3d牛彩网专家预测 | 今晚上3d开奖号码 | 3d牛彩网字谜图谜总汇九 | 孟庆会老师3d分析预测 | 于海滨3d预测号 | 3d十位走势图振幅 | 今天3d开机号,试机号是多少 | 于海滨专家3d今天预测 | 3d今晚中奖号是多少 | 3d开机号试机号今天最新50期 | 3d下期专家预测 | 三天计划3d独胆必出论坛 | 3d预测 下一期 3d预测专家 3d预测 | 于海滨3d专家预测今天 | 3d千禧试机号金码关注码 | 3d推荐号3d推荐号码 | 3d牛彩网专家预测 | 3d千禧开机号试机号关注金码对应码 | 3d定和值公式 | 3d千禧开机号试机号关注金码 | 3d今晚最准专家预测号码 | 3d今天最新最准专家预测最 | 万能四码使用技巧 | 3d预测最准确专家预测 | 3d最准专家预测号今晚3d试机号 | 3d开奖号码今晚走势图 | 3d今晚预测开奖号码 | 3d今天专家预测最准 | 3d今晚惊天一注预测 | 3d天中杀码图专区 | 3d今晚预测直选一注 | 3d开机号和试机号金码今天的 | 3d牛彩网专家预测 | 三d十拿九稳预测号码 | 于海滨专家预测 | 3d今天预测最准确专家 | 3d独胆专家推荐独胆 | 于海滨海3d预测免费每日精选3d开奖号 | 3d专家预测最准确今天南方双彩网 | 3d预测最新最准专家 | 今晚3d预测推荐一注 | 杀码王杀码 | 今日3d专家推荐号码 | 今晚3d开机号和试机号是多少 | 3d买4个号直选多少钱 | 3d红波蓝波走势图大中小 | 3d独胆王定位独胆定位 | 今晚3d的开奖号码结果 | 3d专家今天推荐号 | 今天太湖字谜三字诀是什么 | 3d今天推荐号码是多少 | 3d独胆双胆预测 | 于海滨今天3d预测号 | 3d专家于海滨 | 3d今天专家推荐 | 3d今晚最准最新专家推荐号 | 3d今天专家预测最准确 | 3d专家推荐最精准的号码 | 3d预测专家推荐最准确 | 3d今天专家预测推荐号码 | 3d的开机号试机号奖号表 | 3d今晚必出一注100%准确直选推荐 | 3d火火独胆双胆 | 3d专家预测最准确今天南方双彩网 | 3d专家预测推荐 | 3d晚秋和值谜彩吧图库 | 3d詹天佑最新预测牛彩网 | 3d今天预测最准确专家 | 3d最精准的专家预测 | 3d精准定位专家预测 | 今晚3d开奖号码多少 | 3d开机号和试机号今天查询 | 今晚3d推荐号 | 3d今天开机号和试机号码牛彩网 | 3d藏机图正版藏图汇总大全 | 3d今晚必出号预测 | 排三王牌小哥独胆 | 财神爷三天计划必下更新 | 3d今晚和值字谜 | 3d专家预测最准双胆 | 马后炮解今日太湖字谜三字诀 | 3d试机号后专家预测汇总 | 3d牛彩网专家预测 | 3d彩宝贝字谜 | 3d开机号和试机号金码关注 | 今于海滨3d预测今天 | 3D独胆老师命中率 | 3d开机号和试机号今天金码0 | 于海滨今天杀码3d | 3d最精准的专家预测 | 3d预测 下一期 3d预测专家 3d预测 | 3d字太湖字谜 | 3d专家预测最准确最新今天牛彩 | 3d八哥图库总汇d字谜图谜总汇大全 | 张克永3d预测今天 | 3d预测专家推荐最准确 | 3d预测专家推荐号码 | 3d布衣独胆双胆必下一 | 3d十大专家双胆预测汇总 | 陈华今晚就赌一个胆今天最新更新内容 | 3d专家推荐精选号码 | 3d专家直选最精准一注 | 宇海滨预测3d | 于海滨点评专家一注定胆保真版162期 | 3d双胆独胆推荐 | 3d今晚推荐一注 | 3d今天专家预测最准确 | 今晚3d精准一注直选 | 3d推荐号今晚专家预测 | 3d专家预测最准确最新今天 | 3d晶晶必下一独胆今天 | 明天太湖3d三字诀 | 今天3d专家推荐重点号 | 3d字图谜总汇 | 3d今晚十大专家预测汇总 | 千禧3d今天的试机号 | 3d北斗专家北斗预测今天079期3d | 3d开机号和试机号今天 今晚 | 于海滨海3d预测免费每日精选3d开奖号 | 卫星电话最建议买的三个型号 | 3d近30期试机号和开奖结果 | 真实的谎言3d字谜追加和值谜 | 铁人真胆一句定三码3d字谜彩搜网 | 3d今天最准专家预测 | 3d开机号试机号30期列表走势图 | 3d爱心角落试后一注 | 最准3d专家预测推荐 | 千禧3试机号金码关注码金码 | 今天3d千禧试机号关注号金码号 | 3d今晚预测号码 | 3d开机号今天近100期南方查询 | 今天龙头凤尾预测 | 詹天佑3d今晚预测号码 | 3d双胆独胆非常非常 | 天才计划三天计划独胆 | 福彩3D独胆老师必中最新 | 3d今晚最准一注 | 3d专家于海滨 | 3d最精准的专家预测精选 | 3d独胆双胆专家预测网 | 于海滨杀码图谜 | 于海滨3d免费预测最新的 | 今天3d中奖 | 3d今天开机号和试机号码 | 3d最精准独胆王 | 3d专家最新最准专家预测汇总 | 3d解太湖字谜汇总精选 | 中国福彩3D独胆明日推荐 | 今天晚上三d开奖结果 | 今晚3d专家预测最准确 | 3d财神爷今晚独胆 | 今日3d预测 | 3d开奖号今晚晚上 | 3d专家预测推荐号码最准最新 | 3d毒胆王独胆 | 3d毒毒毒胆胆胆中中中 | 3d最精准的专家预测精选 | 3d今晚必中一注一 | 3d预测专家推荐号码推荐 | 3d今天千禧试机号关注号金码 | 3d预测专家最准确的专家预测 | 3d万能大底共250注直选 | 3d廊坊鸿运精选号码推荐 | 【福星】3d单挑10注组 | 中国福彩3D独胆下期最新必中最新 | 今日3d开奖号码是多少? | 3d跨度金木水火土五行走势图 | 最准3d专家预测推荐 | 下期必出号码预测 | 3d独胆必下一个胆 | 3d今天专家预测号码 | 3d今天专家预测最准确 | 试机号开机号金码关注号对应码3d | 3d跨度分位走势图图感觉 | 福彩3D独胆内部杀号 | 3d今天专家预测号码最准确 | 今天龙头凤尾预测 | 彩界毒胆大师一枚毒胆 | 3d预测今晚最准专家预测号码 | 今天专家推荐号码3d | 3d开机号和试机号金码关注对应码 | 豪哥看3d定位 | 至尊计划王三天计划独胆 | 3d跨度振幅近100期走势 | 今日3d预测专家推荐 | 3d预测最准确专家预测 | 3d十大专家精准预测汇总 | 3d今天开机号和试机号码727 | 3d计算机开机号夏天推荐 | 3d和值尾振幅走势图3d之家 | 3d专家预测最准确最新今天牛彩 | 3d独胆必下一独胆布衣正 | 试机号开机号金码关注号对应码3d | 3d试机号开机号今天金码关注 | 3d直选形态走势图彩宝网 | 3D独胆本期推荐最新 | 今晚3d精准一注直选 | 3d和值基本走势图 | 金银胆神金胆银胆的最新消息 | 3d专家预测于海滨 | 中国彩吧更一懂彩民最新版本更新时 | 于海滨海3d专家预测今晚一注 | 3d专家预测推荐号码 | 3d走势图基本走势图表 | 今天龙头凤尾预测 | 3d独胆专家推荐独胆 | 3d最准的独胆毒胆独胆 | 3d 今天 试机号开机号3 | 3d杀码图汇总牛彩网 | 詹天佑最新预测3d | 3d和值基本走势图 | 今天3d专家预测汇总 | 3d牛彩图谜字谜总汇九 | 3d独胆中中中 | 今日3d一句定三码和值谜食物全部 | 3d专家预测最准确最新今天 | 3d预测最准专家预测号码 | 今天3d专家推荐重点号 | 排5预测,最准排五专家 | 最新3d预测专家预测 | 3d预测今晚最准专家预测号码 | 詹天佑3d最新消息今天 | 3d今晚最稳一注 | 今天3d牛彩网专家预测 | 今天的3d开机号和试机号查询 | 3d十大专家汇总精选一注 | 3d今天单挑50信 | 3d千禧试机号金码关注最近10期 | 3d专家预测最准确号码 | 3d老炮子直选三注 | 3d六码组三多少钱一注 | 3d最新准专家预测 | 3d十大专家汇总精选一注 | 3d小胆神独胆今天 | 于海滨今天预测 | 3d预测推荐汇总牛彩网采摘收集 | 今天3d试机号开机号牛彩网 | 3d推荐号今晚专家预测最准确 | 3d于海滨预测 | 3d今晚预测最新最准确号码牛彩网 | 中国福彩3D独胆本期推荐 | 3d图库彩吧彩报第三版 | 3d陈华今晚独胆推荐 | 于海滨最新3d预测今天 | 3d小龙一句定三码今日字谜天中图 | 今天3d专家解太湖字谜汇总 | 3d预测最准确的专家预测软件 | 3D独胆下一期精准预测 | 了3d开奖结果 今天晚上 | 3d今天专家推荐号码 | 中国福彩3D独胆本期命中率 | 福彩3D独胆大神精准预测 | 今日3d字谜一句定三码和值谜定1 | 3d今晚最稳一注 | 今天3d开机号和试机号查询结果彩吧 | 3d今日开机号和试机号及关注码 | 3d鸿运坊预测号 | 3d预测专家精准推荐 | 今天3d开机号 试机号是多少 | 今晚3d预测总汇 | 于海滨一语定胆专家点评 | 今晚3d专家预测精选一注 | 于海滨3d预测专家今天 | 3d十大专家精准预测汇总 | 今晚3d专家预测汇总 | 3d开机号今天试机号30期 | 3d下期预测最精准的一注号码 | 3D独胆独家推荐 | 3d预测汇总牛彩网 | 3D独胆实时推荐最新 | 今天3d开机号和试机号对应码查询 | 今晚3d直选推荐 | 3d走势图专家推荐号码 | 詹天佑3d预测 | 三地千禧关注码试机号 | 3d专家杀码天中图库 | 3d杀码专家杀码最精准 | 3d个位振幅走势图近50期 | 2009年浙江风采3d走势图 | 3d今天专家预测最准 | 于海滨今天预测 | 福家老三3d推荐号 | 独胆真人就打独胆今天 | 3d专家预测精选一注 | 3d今天专家预测推荐号码 | 今晚快乐八专家预测推荐号 | 3d双胆,独胆非常非常稳定 | 于海滨最新预测结果 | 3d今晚最准专家预测号码145 | 于海滨3d专家预测 | 3d藏机图天齐正版藏机图 | 千禧今晚3d试机号关注码金码 | 3d玩彩老头预测今天号码 | 3d今天专家推荐号码推荐 | 于海滨杀码图牛彩 | 3d精准预测最准的专家 | 最准3d专家预测推荐 | 千禧开机号和试机号对应金码 | 3d徐文轩今晚推荐号码 | 今日3d字谜太湖钓叟字谜 | 3d专家预测汇总 | 3d今天开机号和试机号金码对应码 | 3d开机号码试机号牛彩网 | 3d今晚专家预测最准确号码 | 3d独胆预测| 今天的3d开机号和试机号中奖号 | 3d今晚最佳和值 | 彩宝贝十大专家杀蓝号 | 3d预测今晚最准 | 于海滨海独胆预测 | 今天晚上3d开奖 | 3d今天的开机号和试机号查询 | 3d带连线专业版走势图表 | 3d十大专家杀跨度汇总 | 3d专家预测最准最新 | 3d预测专家最准确的专家预测昨天 | 3d预测号码最准确专家预测 | 3d字谜太湖解字谜 | 3d藏机图正版藏机图汇总今天最新 | 3d专家预测最准确今天上一期 | 3d十大专家汇总精选一注 | 3d牛彩网采摘收集预测汇总 | 今晚3d开奖结果是 | 今天3d专家推荐重点号码 | 3d独胆预测| 3d近100期开机号码 | 3D独胆下一期精准预测 | 今日3d马后炮解太湖字谜 | 3d专家预测牛彩网 | 3d预测今晚最新最准确 | 今天3d必出一注 | 3d开机号与试机号金码 | 3d布衣双胆独胆王 | 3d独胆高手| 投资独胆三天计划论坛 | 3d于海滨专家预测 | 今日3d正版藏机图全部天齐 | 3d今天专家推荐号码 | 今天3d千禧试机号关注号金码号 | 3d今天的推荐号 | 今天3d开机号试机号码 | 3d最新最准预测号码 | 3d专家预测最准确今天 | 3d专家预测推荐最新 | 3d今晚预测最准确一注今天 | 今天最新3d开机号试机号 | 3d跨度五行走势图3d之家 | 排三十拿九稳今天预测 | 今日太湖字谜3d字谜太湖钓叟 | 3d杀码图专区,杀码图 | 十拿九稳今天预测 | 3d小鱼图今日背面字谜 | 3d今晚字谜太湖字谜是什么 | 今晚上3d开奖号码 | 3d一语定胆太湖字谜 | 3d太湖一语定胆字谜论坛 | 3D独胆下一期杀号 | 3D独胆明日精准预测 | 3d手机预测牛彩网 | 于海滨3d预测牛彩网 | 3d推荐最新最准专家预测 | 3d带专业连线走势图 | 3d预测专家最准确的专家预测今晚 | 福彩3D独胆大神精准预测最新 | 3d专家最新最准预测 | 3d今日预测最准专家预测 | 正版真精华布衣天下今天推荐号码 | 3d精准预测推荐 | 3d今晚十大专家预测汇总 | 卫星电话最建议买的三个型号 | 今晚3d专家预测最准确 | 千禧3d今晚的试机号码 | 3d谜语字谜太湖天齐网 | 3d今日预测最准专家预测 | 3d和值尾振幅走势图3d走势3d之家 | 3d专家预测最准确今天 | 太湖试机号后一句定三码3d字谜 | 正版真精华布衣天下今天推荐号码 | 3d谜语太湖钓叟3d谜语今天 | 正版真精华布衣天下今天推荐号码 | 试机号开机号金码关注号对应码3d | 今日3d预测号码推荐 | 牛彩网3d预则 | 3d陈华就赌一个胆天齐网 | 3d藏机图正版藏机图汇总今天最新图片 | 专家3d预测汇总 | 3d牛彩网100期开机号和试机号 | 今天专家推荐号码3d | 3d最准专家预测号今晚3d试机号 | 太湖3d字谜太湖钓叟三字诀 | 3d走势图专家推荐号码 | 神仙姐姐杀尾 | 3d跨度振幅走势图3d专家 | 3d今晚必中一注一 | 3d试机号今天开机号查询结果 | 十拿九稳预测分析 | 今晚3d精准一注直选 | 于海滨海3d专家预测今晚一注 | 3d藏机图正版藏机图全图牛彩网 | 今日3d钱王点评 | 3d推荐最新最准专家预测 | 3d预测专家最准确的专家预测今晚 | 3d精准预测最准的专家直选 | 今晚3d专家推荐号码是多少 | 3d精准预测推荐 | 3d百个位和值尾走势图 | 3d徐文轩今晚推荐号码 | 小红人的计划三天计划 | 3d太湖字谜图谜 | 3d独胆王今天 | 今日3d开机号和试机号关注码千禧 | 太湖试机号后一句定三码3d字谜 | 3d今晚试机号彩经网 | 于海滨3d今晚预测号码 | 3d独胆公式正确率在99%以上 | 于海滨杀码今天最新版 | 最准确3d专家预测 | 3d试机号近10期彩经网 | 钱王点评十钱王给胆下一期预测 | 今晚3d出的什么号 | 福彩3D独胆下期最新推荐 | 3d预测最准专家预测 | 排三今晚推荐号 | 今日3d开机号和试机号关注码千禧 | 3d预测最准确的专家 | 3d太湖字谜汇总今天 | 3d之家双胆独胆预测 | 祖师爷独胆三天计划 | 3d今晚出啥号 | 今天3d开机号和试机号 | 3d今天专家预测最准确 | 3d今晚开奖结果走势图 | 3d预测今晚最准专家预测号码 | 3d双胆独胆推荐 | 唐龙3d预测号 | 3d独胆预测必下一胆 | 3d开机号和试机号金码关注 | 3d今天开机号和试机号码300 | 3d预测最准的专家预测 | 福彩3D独胆下期走势最新 | 3d太湖字太湖字谜 | 3d杀码预测| 3d上下五千年专家预测 | 3d今晚开奖号结果 | 97654天中图库,今天晚3d试机号 | 稳准狠三天计划 | 唐龙一胆| 3d预测今天推荐 | 3d独胆双胆独胆3d之村 | 3d最近1000期走势图表综合版图片 | 中国福彩3D独胆团队命中率最新 | 3d专家预测推荐 | 3d今晚开奖结果走势图 | 十拿九稳预测专家分析 | 3d单双走势图表(专业版) | 3d最准确预测专家 | 3d火火人独胆双胆必中 | 历史3d开奖结果 | p3故事小王双胆下一今天 | 3d专家最新最准专家预测汇总 | 3预测,3d专家预测,最准确今天彩网 | 今晚3d专家预测精选一注 | 3d今晚预测号码 | 3d之家,专家预测预测 | 3d专家预测最准确最新新闻 | 于海滨杀码图谜 | 彩坛老顽童3d独胆 | 3d开奖号走势图表 | 3d今晚专家推荐号 | 中国福彩3D独胆今日走势最新 | 骄子铁鹰解3d字谜今日 | 今晚3d开机号试机号 | 3d今天推荐号码是多少 | 今天的3d开机号和试机号查询 | 3d预测专家精准推荐号 | 三d今晚预测推荐十注 | 中国福彩3D独胆实时必中最新 | 3d藏机图正版藏机图汇总今天最新 | 3d解太湖字谜汇总精选 | 3d独胆双胆专家预测网 | 3d千禧试机号关注金码30期 | 宇海滨预测3d | 十拿九稳今天预测专家 | 3d今天开机号和试机号322 | 3d今天专家推荐号码 | 3d试后太湖一语定胆字谜 | 3d专家预测最新 | 3d今天最新最准专家预测最 | 今天十拿九稳号码预测 | 今天3d开机号 试机号是多少 | 3d今晚最佳和值 | 3d预测专家推荐最新 | 3d图谜字谜总汇 | 3d今天最新最准专家预测最 | 福彩3D独胆本期命中率 | 3d今晚预测准确的专家预测 | 3d今天预测号 | 3d正版藏机图谜汇总 | 于海滨专家一语定胆十好心人 | 3D独胆大神分析 | 3d藏机图正版藏机图诗汇总 | 3d金码开机号和试机号 | 3d各类和值谜追加汇总 | 3d专家预测最准确最新今天牛彩 | 3d今晚最准专家推荐号 | 福彩3D独胆当天分析最新 | 今晚3d开机号试机号 | 今天晚上3d开奖 | 三地千禧试机号关注金码对应码 | 詹天佑3d点评预测 | 3d跨度金木水火土五行走势图 | 3d北斗专家北斗预测今天079期3d | 三地千禧开机号试机号金码关注 | 于海滨杀码图牛彩 | 十拿九稳预测专家分析 | 3d专家预测今天最新准确号 | 3d号码预测 | 三d牛彩网开机号试机号是多少 | 3d预测最准专家预测牛彩网 | 3d独胆是几 | 3d最新最准专家预预测 | 3d单个冷号最大遗漏 | 三d今日太湖字谜解 | 于海滨3d最新预测 | 3d预测最新最准专家 | 3d独胆必下一个胆 | 千禧3d试机号关注码金码列表 | 3d定胆王独胆定位 | 3d今晚必出一注100%准确直选推荐 | 今天3d专家预测汇总 | 3d预测专家准确推荐 | 3d开机号试机号码牛彩网 | 3d开机号近30期列表彩宝网 | 3d今天晚上精选一注 | 今日精准预测推荐3d号码 | 财神爷三天计划必下更新 | 3d字谜图谜总汇全图汇总 | 3d今日太湖字谜 | 3d北斗专家北斗预测今天079期3d | 3d开奖号今晚 | 3d字谜太湖钓叟三字诀今天 | 3d农村小伙子最新预测 | 于海滨海3d预测牛彩网 | 今晚3d专家最精准的预测 | 中国福彩3D独胆专家精准预测 | 徐文轩3d预测推荐 | 3b预测汇总牛彩网 | 于海滨海3d专家预测 | 福彩3D独胆下期推荐精准预测 | 3D独胆今晚命中率最新 | 2014年359期3d焰舞字谜 | 3d字谜汇总大全总汇大全 | 3d千禧试机号关注码金码是什么 | 三地千禧开机号试机号金码关注 | 千禧p3试机号关注号金胆对应号 | 3d今晚预测直选一注 | 3d北斗专家北斗预测今天079期3d | 3d太湖试机号 | 今于海滨3d预测今天单线联系 | 3d专家预测最准确 | 3d专家预测最准确今天南方双彩网 | 3d直选三注必中免费 | 3d专家预测最准确今天上一期 | 3d预测最准专家预测号码 | 千禧3d试机号关注码今天 | 于海滨点评专家一注定胆保真版 | 3d专家推荐号码 | 今天3d开机号和试机号码是多少 | 于海滨一语定胆专家点评 | 3d之家双胆独胆预测 | 千禧今晚3d试机号关注码金码 | 北斗3d今日专家预测推荐 | 3d试机号后专家预测推荐汇总 | 3d十大专家推荐号码汇总 | 今日3d字谜3d一句定三码诗天中图 | 白姐3d今天预测号码 | 3d条件预测专家专区 | 3d专家预测汇总牛彩网 | 3d预测专家最准确的专家预测昨天 | 两天计划双胆王 | 3D独胆今晚命中率 | 3d走势图带连线图表牛彩网 | 3d推荐号码今晚预测 | 3d单选一注能中多少钱 | 3d专家预测最准确今天上一期 | 小红人的三天计划今天是什么 | 今晚3d开奖直选结果 | 3d专家预测最准确今天南方双彩网 | 3d今晚开奖号结果 | 3d独胆高手 | 十拿九稳专家预测专栏 | 3d跨度5有多少注 | 千禧试机号金码关注 | 于海滨预测3d号 | 3d预测最准最新准专家预测号码 | 3d杀码大全 | 3d藏机图正版藏机图太湖字谜 | 马到成功杀两码最新版本更新内容 | 3d推荐最新最准专家预测 | 3d太湖字谜图谜 | 3d之家,专家预测预测 | 今晚预测3d号 | 今晚3d专家推荐号 | 3d试机号今晚牛彩网 | 3d今晚预测直选四注 | 今天最新3d开机号试机号关注码 | 3d今日专家推荐 | 今天3d千禧试机号关注号金码号 | 3d杀码十大专家 | 3d最新专家预测汇总大全 | 3d于海滨上的今天杀码 | 今晚精准一注3d | 3d同期历史对比 | 3d试机号开机号今天最新 | 3d谜语今天字谜今天的3d字谜是什么? | 3d和值10有哪些号码 | 3d中2个号多少钱 | 3d最准确最新专家预测 | 3d专家预测最准确最新今天牛彩 | 3d独胆王定位独胆定位 | 今天3d开机号 和试机号 查询结果 | 3d毒胆双胆三胆 | 最准的3d专家预测 | 3d今天专家预测号码最准确 | 3d最准预测专家预测汇总 | 3d百位遗漏振幅走势图南方双彩网 | 3d今天开机号和试机号322 | 3d专家今天预测汇总 | 3d预测一注推荐 | 3d试机号今天开机号查询 | 3d紫云涧专家预测推荐 | 3d精准预测 | 福彩3D独胆老师走势最新 | 3d今天推荐号码是多少 | 3d和值基本走势图 | 3d今天开机号和试机号查询100期 | 3d今晚最准专家预测号码 | 3d今晚开奖结果号码是 | 今日3d专家预测号最准确 | 中奖开奖结果3d | 于海滨海3d预测免费每日精选3d开奖号 | 3d试机号今天开机号查询结果 | 3d推荐最新最准专家预测 | 3d最准专家预测号 | 今日3d专家预测号最准确 | 3d杀码图谜_专区杀码 | 詹天佑3d今晚预测号码 | 3d专家预测最准确最新今天牛彩 | 3d毒胆| 福彩3D独胆内部杀号 | 3d专家最新最准专家预测 | 3d单个冷号最大遗漏 | 今日焰舞3d焰舞字谜汇总大全 | 3d独胆王定位独胆定位 | 助赢计划软件免费版下载安装 | 太湖字谜马后炮3d总汇 | 中国福彩3D独胆当天走势最新 | 3d军长独胆定位 | 今天三d专家推荐号码 | 3d专家预测最准最新今天 | 3d于海滨预测预测牛彩网 | 3d试机号后专家预测推荐汇总 | 3d预测最准确的专家预测软件 | 于海滨3d预测牛彩网 | 3d今晚十大专家预测汇总 | 于海滨3d今晚预测号码 | 3d独胆之家 | 钱王点评十钱王给胆下一期预测 | 于海滨3d预测免费每日精选 | 三d走势图基本走势图彩宝网 | 今天的3d开机号和试机号中奖号 | 3d今晚预测直选一注 | 今日3d正版藏机图全部天齐 | 于海滨3d杀码| 3d于海滨专家预测 | 十拿九稳预测分析 | 3d十位走势图带连线图表专业版 | 3d字谜总汇今日3d字谜总汇牛彩网 | 詹天佑3d点评预测 | 3d带线走势图牛彩网 | 3D独胆大神走势 | 3d最准预测专家汇总大全 | 玩彩独胆王三天计划 | 3d开机号和试机号200期列表 | 3d精准定位专家预测 | 3d独胆必下一独胆3d独胆预测 | 3d北丐七爷独胆 | 3d今天专家预测推荐号码 | 3d专家最新最准专家预测汇总 | 试机号开机号金码关注号对应码3d | 中国杀码王绝对 | 3d今晚预测开奖号码 | 《金银胆神》金胆银胆3d最新一期开奖 | 3d单选一注能中多少钱 | 3d今天专家预测号码 | 3d专家预测汇总大全 | 于海滨专家一语定胆十好心人 | 3d今晚出的号码 | 最准3d预测专家推荐号 | 今天3d詹天佑预测分析 | 3d今晚预测直选四注 | 3d开机号近200期历史记录 | 最新3d预测专家预测 | 拼搏在线3d开机号和试机号列表 | 今天3d开机号和试机号多少 | 独胆王三天计划 | 3d今晚必中一注一注 | 3d预测一注号推荐 | 3d十大专家精准预测 | 3d最精准的专家预测精选 | 3d字谜总汇今日3d字谜总汇牛彩网 | 3d预测最准的专家预测 | 3d家彩网| 3d精准预测最准的专家 | 3d试机号和开奖号走势图 | 千禧试机号及金码 | 3D独胆高手精准预测 | 3d走势图专家推荐号码 | 下一期专家推荐号码 | 3d今天专家预测号码最准确 | 今天3d必出一注 | 詹天佑3d今晚预测号码 | 3d今晚专家预测最准确一注 | 3d预测汇总牛彩网 | 3d直选一注多少钱 | 今晚3d开奖结果是 | 排三杀码专家 | 3d每天一个独胆 | 3d精准预测推荐 | 3d杀码高手 | 3d精准推荐号 | 3d十大专家独胆 | 今天3d专家推荐号 | 3d全球哥三胆| 下期必出号码预测 | 3d今天晚上精选一注 | 3d预测 下一期 3d预测专家 3d预测 | 3d专家预测推荐号码 | 3d和值尾振幅走势图专业版 | 3d今日开机号和试机号及关注码 | 3d专家最新最准今天预测 | 3d字谜总汇今日3d字谜总汇牛彩网 | 3d预测专家精准推荐号 | 三天计划胆十组合 | 毒胆牛人三天计划必出 | 3d精准预测最准的专家直选 | 3d定胆| 3d个位走势图图表 | 3D独胆专家精准预测最新 | 牛彩网近30期3d开机号试机号 | 3d通杀一码 | 3d最准专家预测号今晚3d试机号 | 3d计算机开机号夏天推荐 | 三地千禧开机号试机号金码关注 | 3d基本走势图全部 | 3d开机号近30期列表彩宝网 | 3d真实的谎言字谜总汇正版 | 投资独胆三天计划论坛 | 3d独胆公式正确率在99%以上 | 于海滨点评专家一注定胆保真版 | 3d开机号和试机号金码关注 | 万能三码的使用方法 | 3d今日预测推荐号 | 3d最新专家预测汇总大全 | 3d基本走势图(专业版)近200期 | 3d独胆专家推荐独胆 | 3d最新准专家预测 | 3d今天开机号和试机号是多少 | 3d预测最准最新准专家预测号码 | 于海滨3d预测专家今天 | 3d乾坤独胆王独胆 | 于海滨海3d专家预测 | 3d预测专家推荐最准确 | 3d开奖号码今晚走势图 | 3d免费专家预测推荐今天最新 | 3d预测 下一期 3d预测专家 3d预测 | 今晚上3d开奖号码 | 3d独胆必下一独胆 | 3d今天开机号和试机号多少 | 3d杀码专家杀码 | 3d专家今天预测一注 | 于海滨一语定胆天齐网 | 3d最新准专家预测 | 千禧3d试机号关注码金码今天的 | 今日3d太湖字谜三字诀排三开奖结果 | 3d走势图带连线图表牛彩网 | 天才计划三天计划独胆 | 3d千禧试机号码金码关注码 | 专家彩宝贝预测汇总 | 3d预测晚 | 3d专家预测号码手机牛彩网 | 3d专家预测最准最新 | 3d独胆是什么意思 | 3d今晚最准专家推荐号 | 今晚三d推荐什么号码 | 3d今天专家预测推荐号码 | 3D独胆老师命中率 | 三d字谜图谜总汇牛彩网 | 开心笨小孩3d独胆 | 近30期3d开奖结果 | 3d今晚最准专家推荐号 | 三d字谜图谜总汇牛彩网 | 今天晚上3d开奖结果 | 3d今晚专家预测重点号码 | 3d彩报图今天图库彩吧 | 了3d开奖结果 今天晚上 | 詹天佑3d预测号 | 3d千禧今晚试机号码 | 十拿九稳预测专家分析 | 3d今晚最准专家预测号码 | 3d专家预测更准确今天 | 三七进二得三码猜一生肖 | 3d预测分析 | 3d专家预测牛彩网 | 3d千禧开号试机号关注金码对 | 3d詹天佑推荐号码 | 3d詹天佑最新预测牛彩网 | 3d试机号和开奖号走势图 | 3d詹天佑3d预测 | 今天3d推荐号码今晚预测 | 3d今晚预测最新最准确号码牛彩网 | 3D独胆下期最新精准预测 | 今天3d专家预测号码 推荐 | 3d推荐号今晚专家预测 | 3d预测推荐汇总牛彩网采摘收集 | 3d专家预测最准确今天南方双彩网 | 今天3d开机号 试机号是多少 | 3d近200期试机号和开奖号码 | 3d金胆王 | 3d最准确专家预测 | 3d任意两码差值尾走势图 | 3d北斗专家北斗预测今天079期3d | 3d近500期试机号和开奖号码 | 3d十位单选振幅走势图 | 3d预测专家推荐号码 | 千禧3d今晚的试机号码 | 今天3d字谜3d一句定三码3d和值谜 | 下一期专家预测号码 | 于海滨海3d专家预测今天 | 三d预测专家预测今天最新 今于海滨3d预测 | 3d专家预测最准确最新新闻 | 3d于海滨预测预测牛彩网 | 3d近30期开奖结果 | 今天3d开机号和试机号全部 | 福彩3D独胆老师精准预测最新 | 3d试机号近30期牛彩网 | 3d牛彩网今天开机号试机号 | 3d和值遗漏值尾走势图 | 3d十大专家精准预测 | 3d和值和尾振幅走势图 | 3d百十和尾振幅走势图走势 | 十拿九稳今天预测专家 | 今日3d预测专家推荐 | 3d预测专家最准确的专家预测今晚 | 3d最精准独胆王 | 3d最精准专家预测汇总今天 | 3d专家号| 3d于海滨上的今天杀码 | 天才计划三天计划独胆 | 3d开机号试机号关注号金码对应码 | 3d开机号和试机号今天全部 | 今日3d钱王点评 | 3d开奖结果近10期 | 3d今晚预测最新最准确号码牛彩网 | 3d今晚一注 | 3d预测最准的专家预测 | 3d专家最新最准专家预测 | 3d双胆独胆非常稳 | 3d杀码百位十位个位 | 助赢计划软件官网版下载 | 3d十大专家精准预测 | 3d今晚最准专家预测号码145 | 今天3d专家预测汇总 | 3d试机号近30期牛彩网 | 3d千禧试机号关注号金码号开机号 | 千禧3d试机号关注码金码今天的 | 今晚试机号多少3d | 3d预测总汇 | 3d预测号码最准最新推荐 | 3d于海滨上的今天杀码 | 3d红波蓝波走势图大中小 | 3d藏机图正版藏机图诗汇总 | 3d和值尾振幅走势图带连线图表 | 铁娘子三天计划独胆必下300 | 孟庆会老师3d预测今天 | 看彩大亨看独胆双胆预测 | 今日3d最准开机号 | 今日3d专家预测号码 | 3d百十和值尾振幅走势图 | 3d今天中了多少注直选 | 廊坊鸿运3d推荐今天 | 詹天佑3d今日推荐 | 3d精准预测推荐 | 福彩3D独胆今晚必中最新 | 3d杀码专家大全 | 毒胆牛人三天计划必出 | 3d詹天佑最新预测今天 | 今天的3d开机号和试机号查询 | 今晚3d推荐号 | 3d小龙一句定三码今日字谜天中图 | 3d专家最新最准预测 | 3d中间值振幅走势图之家 | 天齐藏机图汇总正版藏机图 | 3d今晚必下一个胆 | 于海滨3d预测今天 | 今天晚上的3d开奖结果 | 3d最精准的专家预测精选 | 今日詹天佑3d预测分析 | 今天3d太湖钓叟三字谜 | 今日3d预测专家推荐 | 3d定胆技巧准确率100% | 3d专家推荐号 | 小薇3d预测今天推荐 | 3d牛彩图谜字谜总汇九 | 3d双胆独胆非常非常稳定 | 3d今晚100倍| 于海滨今日3d预测 | 3d近500期试机号和开奖号码 | 3d开机号和试机号金码和关注码 | 3d字谜今日字谜总汇 | 于海滨点评专家一注定胆保真版 | 于海滨最新预测今天 | 3d天宇和值谜字谜 | 今晚3d专家推荐号 | 解太湖3d字谜太湖 | 3d试机号今天开机号查询结果 | 3d玩胆先生双胆独胆 | 带头大哥3d预测今晚 | 3d推荐号今日预测 | 今晚3d开机号和试机号是多少 | 于海滨海3d预测保真 | 3d专家预测最准最新今天 | 今天3d专家推荐重点号 | 3d今天专家预测最准确 | 3d今晚预测准确的专家预测 | 天府袍哥3d预测 | 近30期3d开机号 | 福彩3D独胆下期最新分析 | 3d百个位和值尾走势图 | 3d和值走势图表综合版 | 今天3d藏机图正版藏机图藏机图太湖横屏 | 骄子铁鹰解3d字谜今日 | 今天最新3d开机号试机号关注码 | 3d最准的预测专家 | 3d预测今晚推荐号 | 3d专家预测最准双胆 | 今天3d牛彩网专家预测 | 3d最精准的专家预测精选 | 3d今天的开机号和试机号查询 | 中国福彩3D独胆内部杀号 | 万能四码找下期奖号 | 3d最准确专家预测 | 3d十大专家汇总精选一注 | 3d独胆必下 | 今于海滨3d预测今天单线联系 | 3d试机号后专家预测推荐汇总 | 排五预测最准专家 | 北斗3d今日专家预测推荐 | 3d今晚开奖号是多少 | 3d预测最准最新准专家预测 | 3d杀码更准确 | 3d预测汇总牛彩网 | 3d今晚专家预测最准确一注 | 3d和值尾振幅走势图专业版 | 3d今天专家预测最准 | 3d专家预测最准确今天 | 3d专家预测推荐号码 | 3d字谜太湖最新 | 3d专家今天预测汇总 | 一代女王决杀两胆免费观看 | 3d最近1000期走势图表综合版图片 | 3d今晚最准专家预测号码145 | 《金银胆神》金胆银胆3d最新一期开奖 | 3d今天开机号试机号金码关注号 | 3d字谜太湖最新 | 千禧3d试机号金码关注码对应码今晚 | 3d金码开机号和试机号 | 牛彩网3d专家预测汇总 | 3d十大专家汇总精选一注 | 沈宝桢个人简历 | 2008年359期3d焰舞字谜 | 今晚3d的开奖号码结果 | 3d廊坊鸿运正版推荐 | 十拿九稳今天预测专家 | 三字诀太湖三字诀字谜 | 3d解太湖字谜汇总精选 | 3d精准定位专家预测 | 3d专家推荐今天 | 于海滨海3d专家预测今晚一注 | 3d和值基本走势 | 3d百个位和值尾走势图 | 3d今日太湖字谜图 | 3d经典毒胆 | 今日3d正版藏机图,藏机图汇总,天中网 | 周星星3d预测手机牛彩网 | 3d预测专家精准推荐号 | 3d专家预测最准双胆 | 3d预测最准最新准专家预测号码 | 3d最准确的专家预测 | 3d试机号后专家预测推荐汇总 | 顶级胆神双胆下一 | 孟庆会点评 专家一语定胆 稳准狠三天计划 | 3d最精准的专家预测 | 3d今天出的什么号 | 3d詹天佑最新预测今天 | 3d武当玉女掌门一句定三码字谜 | 苏会文3d预测今天推荐 | 3d中间值振幅走势图之家 | 今日3d藏机图正版藏机图134 | 3d双飞怎么买多少钱一注 | 3d十大专家精准预测汇总 | 3d直选精准100%免费 | 3d百位个位和值走势图 | 3d试机号近10期彩经网 | 今天p3藏机图正版藏机图 | 三d预测牛彩网汇总 | 万能四码图表 | 3d最准专家预测号今晚3d试机号 | 3d开机号今天试机号30期 | 于海滨专家预测 | 今于海滨一语定胆保真今天 | 3d最精准的专家预测 | 铁人铁胆定位包是预测 | 3d最大值走势图彩经网 | 3d专家预测最准确最新推荐号码 | 今晚最准一注3d | 双胆王看双胆3d | 三七进二得三码猜一生肖 | 3d推荐号今晚专家预测最准确 | 千禧3d试机号金码关注码今天 | 3d专家预测最准确今天南方双彩网 | 3d牛彩网试机号后专家预测汇总 | 3d牛彩网预测汇总 | 3d军长独胆定位 | 3d北斗专家北斗预测今天079期3d | 3d今晚最准专家预测号码 | 3d詹天佑3d预测 | 3d专家预测推荐号码 | 马后炮解3d太湖字谜总汇大全 | 3d最准确的专家预测 | 中国福彩3D独胆下期推荐杀号最新 | 今晚3d专家推荐号码是多少 | 3d专家预测最准确今天 | 毒胆牛人三天计划今天 | 今晚3d专家推荐 | 今天3d专家预测汇总 | 3d上下五千年专家预测 | 3d预测最准确专家 | 今晚三d推荐什么号码 | 3d试机号历史情况 | 近30期3d开奖结果 | 3d北盟天机图藏机图 | 3d字谜汇总大全总汇大全 | 3d图谜总汇字谜 | 今天3d牛彩网专家预测 | 3d专家预测汇总牛彩网 | 千禧3d试机号金码关注码对应码 | 3d开机号试机号今天最新50期 | 3d百位定位走势图 | 3d千禧开机号试机号 | 福彩3D独胆下一期预测最新 | 3d和值和尾振幅走势图 | 于海滨3d预测天齐网 | 3d两胆必出方法 | 3d今天最新最准专家预测最 | 3d神仙姐姐独胆一个 | 机选一注3d | 3d字谜总汇今日3d字谜总汇牛彩网 | 3d太湖历史字谜 | 3d今天中了多少注直选 | 3d中间最小两码差值振幅走势图 | 3d专家预测准确 | p三杀码 | 3d免费专家预测推荐 | 3d今晚最准专家推荐号 | 北斗3d今日专家预测推荐 | 3d试机号开机号今天查询排五 | 3d最准确最新专家预测 | 3d天宇和值谜字谜一句定三码 | 3d精选号码推荐今天最新 | 3d精选号码推荐今天最新 | 今日3d专家预测号码推荐 | 3d走势图专家推荐号码 | 3d双胆神算今天最新 | 今天3d专家预测汇总 | 2009年浙江风采3d走势图 | 于海滨最新3d预测推荐今天 | 3d今晚精准推荐一注 | 3d千禧试机号金码关注码对应码 | 3d藏机图正版藏机图汇总今天最新图片 | 3d双飞大师双胆组合 | 今日正版3d藏机图汇总 预测 | 3d百十差振幅走势图 | 3d和值宫数线走势图 | 今天3d开机号和试机号对应码查询 | 今天彩报中心 3d图库 | 今晚3d专家预测 | 成功路上3d双胆独胆 | 今日3d开奖号太湖字谜总汇 | 马后炮解今日太湖字谜三字诀 | 3d紫云涧专家预测推荐 | 龙彩居士3d预测今天最新版 | 3d个位走势图表 | 3d晚间字谜总汇大全 | 3d试机号和开机号牛彩网 | 牛彩网3d走势图表 | 牛彩3d网首页 | 3d牛彩网专家预测 | 3d通杀一码 | 3d海滨点评一语定胆今天最新推荐 | 今天3d太湖钓叟三字诀字谜 | 3d于海滨专家预测 | 3d预测总汇手机牛彩网 | 3d今日预测最准专家预测 | 3d金码开机号和试机号 | 3d今天专家推荐号码推荐 | 3d今天开机号和试机号开奖结果 | 今天3d开机号和试机号码结果查询 | 廊坊鸿运3d预测今天 | 福彩3D独胆下期推荐预测 | 詹天佑3d今日推荐 | 3d独胆专家预测 | 3d 计算公式 | 今晚3d天宇一句定三码字谜 | 今日太湖字谜3d总汇 | 3d结果开奖号码今晚 | 3d两天独胆王 | 3d推荐最新最准专家预测 | 3d钱王老头给胆点评 | 3d预测专家汇总预测 | 3d今晚专家推荐预测重点号码 | 3d独胆二天计划 | 今天3d于海滨预测 | 于海滨精准杀码图 | 徐文轩3d预测推荐 | 今于海滨3d预测今天 | 3d专家最新最准专家预测汇总 | 3d预测号码最准最新推荐 | 于海滨3d今晚预测 | 3d太湖专家预测今晚 | 3d最精准专家预测汇总今天 | 于海滨海3d预测免费每日精选3d开奖号 | 3d陈华今晚独胆推荐 | 3d今天推荐号码是多少 | 今日3d藏机图汇总 正版 新版 | 3d今晚专家预测最准确一注 | 今日3d马后炮解太湖字谜 | 3d胆王专家定十位 | 3d字谜太湖钓叟三字诀今天 | 3d今晚字谜太湖字谜是什么 | 今天的3d开机号和试机号查询 | 3d詹天佑3d预测 | 3d今天千禧试机号关注号金码 | 3d预测专家最准确的专家预测今晚 | 万能四码使用技巧 | 3d今日预测最准专家预测 | 3d专家预测最准今天 | 3d最准一个独胆毒胆 | 3d牛彩网专家预测 | 今日太湖字谜3d总汇 | 于海滨今日预测号 | 3d独胆双胆 | 3d最准预测专家预测大 | 3d今天专家预测号码最准确 | 3d正版藏机图天齐网汇总 | 钱王杀码图码 | 3d专家最新最准专家预测汇总 | 3d专家预测推荐号最新 | 3d杀码专家杀码天齐网 | 3d最准确预测专家 | 3d最新专家预测汇总大全 | 3d最准预测号 | 中国福彩3D独胆下期推荐杀号最新 | 今晚3d专家预测 | 3d鬼手字谜和谜 | 3d最准专家预测号今晚3d试机号 | 3d今晚预测最新最准确号码牛彩网 | 3d单个冷号最大遗漏 | 于海滨点评专家一语定胆保真版 | 3d今晚预测准确的专家预测 | 3d真实的谎言字谜总汇正版 | 今天3d专家预测号码 推荐 | 3d今天中了多少注直选 | 3d精准预测最准的专家 | 今晚开奖号码3d开奖结果 | 3d单双走势图表(专业版) | 3d直选一注必中 | 3d和值基本走势图表 | 3d带连线专业版走势图表 | 3d今天晚上精选一注 | 3d试机号后专家预测推荐汇总 | 3d最新准专家预测 | 3d藏机图正版藏机图打印版 | 3预测,3d专家预测,最准确今天彩网 | 福彩3D独胆老师走势最新 | 今日三地开奖码 | 3d正版藏机图总汇全图 | 3d今晚十大专家预测汇总 | 今晚3d推荐号码是多少 | 3d独胆预测| 3d预测最准最新牛彩网 | 今天3d推荐号码今晚预测 | 3d十大专家推荐号码汇总 | 3d今天开机号和试机号码牛彩网 | 千禧之年3d开机号试机号金码关注 | 3d最精准的专家预测 | 3d牛彩网试机号后专家预测汇总 | 3d詹天佑最新预测 | 3d开机号和试机号200期列表 | 今晚钱王点评推荐号 | 3d个位走势图表 | 3d彩吧试机号今天 | 3d预测专家最准确 | 牛彩网3d走势图表 | 3d今晚和值推荐 | 天府袍哥3d预测 | 3d于海滨杀码图 | 小薇3d预测今天推荐 | 3d孔方来萃解太湖字谜 | 3d十大专家双胆预测汇总 | 3d今晚出什么号? | 3d孔方来萃解太湖字谜 | 于海滨最新3d预测推荐今天 | 今晚3d专家推荐号码是多少 | 3d天中杀码图专区 | 福彩3D独胆独家预测最新 | 3d专家最新最准专家预测 | 3d三天计划独胆王 | 3d和值尾振幅走势图近100期 | 3d预测专家精准推荐 | 3d专家预测最准确 | 牛兄双胆 | 福彩3D独胆今晚必中最新 | 于海滨最新预测结果 | 今晚精准一注3d | 今天3d开机号和试机号码结果查询 | 3d预测最准专家预测牛彩网 | 3d通杀一码准确率100% | 3d今晚预测直选一注3d一注预测 | 今日正版3d藏机图全部汇总 | 3d独胆必下一独胆准 | 3d预测今晚最新最准确 | 张克永3d预测今天 | 3d今晚上预测号码 | 太湖解太湖3d字谜 | 今天专家推荐号码3d | 老炮子预测今晚三地 | 3d专家预测汇总牛彩网彩摘收集 | 今于海滨杀一码 | 3d彩吧试机号今天 | 97654天中图库,今天晚3d试机号 | 3d今晚试机号彩经网 | 3d今晚开出什么号码 | 3d近100期的开奖号码和试机号 | 3d专家预测最准确 | 3d解太湖字谜汇总 | 3d今晚最准一注 | 牛彩网3d预测 | 3d单选一注能中多少钱 | 三d之家独胆 | 3d双胆神算今天必下 | 3d彩报图今天的第五版 | 3d预测最准确专家预测 | 3d最精准专家预测汇总今天 | 今晚3d预测最准一注 | 3d今晚开奖结果走势图 | 3d专家预测号码手机牛彩网 | 太湖3d字谜太湖钓叟三字诀 | 3d免费专家预测推荐今天最新 | 3d预测最准的专家预测 | 太湖3d字谜今天的 | 独胆王三天计划 | 3d基本走势图表新浪网 | 3d詹天佑3d预测| 3d专家今日推荐号码 | 彩吧3d开机号 | 最新3d预测专家预测 | 3d预测总汇手机牛彩网 | 3d组选中一注多少钱 | 3d今晚必下一个胆 | 3d今晚最准专家推荐号 | 福彩3D独胆最新命中率 | 于海滨杀码今天最新版 | 3d牛彩网预测汇总 | 于海滨一语定胆专家点评 | 中国福彩3D独胆当天分析 | 3d专家预测最准确今天南方双彩网 | 3d和值10有哪些号码 | 今晚3d专家最精准的预测 | 于海滨今天杀码3d | 3d牛彩网今天开机号试机号 | 3d两胆精准预测 | 今天3d专家推荐重点号码 | 3d,胆| 3d今晚预测开奖号码 | 3d百十差振幅走势图 | 3d开机号和试机号9.30分 | 3d最新专家预测推荐 | 三d独胆| 今日3d开奖号太湖字谜总汇 | 3d彩吧图库手机牛彩网 | 3d今天专家预测最准确 | 3d今天专家预测最准 | 3d今天专家推荐号码 | 3d今晚预测直选四注 | 3d今天最新最准专家预测最 | 今天太湖钓叟3d字谜三字诀 | 詹天佑3d点评预测 | 今天3d太湖钓叟三字诀字谜 | 3d北斗专家北斗预测今天079期3d | 3d开机号今天近100期南方查询 | 3d解太湖字谜汇总 | 3d今晚精选预测一注 | 陈华今晚就赌一个胆今天最新更新内容 | 排三今晚十拿九稳最新预测 | 3d预测一注推荐 | 三d毒胆预测 | 3d今晚惊天一注预测 | 3d十大专家预测汇总 | 今日3d正版藏机图 | 今天3d开机号和试机号查询结果彩吧 | 3d最大值振幅走势图3之家 | 3d直选走势图(专业版) | 3d推荐号今晚专家预测 | 3d专家预测号码最准确 | 3d开奖结果今晚号码 | 牛彩网近30期3d开机号试机号 | 詹天佑今天3d推荐 | 3d之家独胆,双胆 | 3d紫云涧专家预测推荐 | 准香港3d漫画资料 | 西施姐姐就赌一个独胆 | 今天3d开机号和试机号全部 | 3d独胆一个 | 3d专家预测最准确最新推荐号码 | 3d专家预测最准确最新今天牛彩 | 3d预测最准确专家预测 | 2025长期守号最佳5注推荐 | 3d手机预测牛彩网 | 福家老三3d推荐号 | 今天3d字谜解太湖字谜 | 3d字谜太湖解 | 3d今晚专家推荐预测重点号码 | 詹天佑3d预测今天推荐号码 | 今晚3d专家推荐 | 詹天佑3d今晚预测号码 | 3d专家今日推荐号码 | 3d 计算公式 | 3d今天开机号和试机号是多少 | 3d开机号试机号30期列表彩宝网 | 于海滨3d最新预测 | 3d专家预测最准最新今天 | 3d独胆专家推荐独胆 | 中国福彩3D独胆内部走势最新 | 詹天佑今日3d预测 | 3d基本走势图结果 | 3d预测最准专家预测号 | 3d最新最准预测号码今天 | 3d十大专家杀跨度汇总 | 3d双飞大师双胆组合 | 3d专家预测最准确最新新闻 | 3d今晚预测最准确一注 | 3d开机号近30期列表彩宝网 | 3d专家最新最准预测 | 3d预测最新最准确号码 | 一代女王杀两胆 | 排三十拿九稳今天预测 | 3d徐文轩今晚推荐号码 | 3d专业版(走势图带连线) | 3d开机号今天试机号查询 | 故事小王p3双胆必下 | 3d今晚开奖号结果 | 3d专家预测推荐汇总 | 3d今晚试机号是多少 | 周不出最新3d杀码 | 今日3d太湖字谜三字诀试机号 | 3d基本走势结果 | 3d近300期试机号和开奖号码 | 太湖三字谜太湖3d钓叟 | 中国福彩3D独胆当天精准预测 | 财神一语定一注3d字谜 | 乾坤三天计划独胆预测 | 今天最新3d开机号试机号关注码 | 3d直选一注多少钱 | 铁人铁胆3d包星定位最新今天 | 3d今天预测最准确专家 | 三d双胆独胆 | 3d双胆下一 | 千禧金码关注码试机号 | 太湖钓叟排三字诀字谜 | 小薇3d预测 | 太湖字谜钓叟3d字谜 | 3d专家预测最准确最新新闻 | 福彩3D独胆当天分析最新 | 3d今晚开机号试机号金码关注码今天 | 3d今天专家预测号码 | 3d今晚最准专家预测号码145 | 3d藏机图正版藏机图打印版 | 牛彩网3d预测分析汇总大全 | 3d今天开机号和试机号是多少 | 解太湖3d字谜太湖 | 3d今晚100倍 万能三码的使用方法 | 3d开机号试机号关注号金码对应码 | 3d直选综合走势图表 | 3d今天开机号和试机号开奖结果 | 排三今晚推荐号 | 3d字谜今日字谜总汇 | 3d海滨点评一语定胆今天最新推荐 | 豪哥看3d定位 | 今天3d开机号关注号试机号金码 | 福彩3D独胆实时走势 | 3d专家今天推荐号 | 3d开机号和试机号金码今天的 | 廊坊鸿运3d | 3d藏机图正版藏机图打印版 | 今天3d詹天佑预测分析 | 3d近300期试机号和开奖号码 | 于海滨今日杀码图最新 | 3d太湖专家预测今晚 | 3d预测最准确专家预测牛彩网 | 3d试机号码开机号 | 3d近30期开机号试机号开奖号查询 | 3d开机号和试机号码牛彩网 | 专家预测3d预测 | 3d开机号试机号今天开奖号 | 3d楚人今晚预测今天 | 今日3d开机号和试机号列表三十期 | 3d专家今天推荐号 | 3D独胆高手走势 | 今天太湖字谜三字诀是什么 | 3d百位走势图带连线图表专业版 | 于海滨的今日预测 | 今天3d中奖 | 3d字谜财神一语定一注 | 于海滨海独胆预测 | 于海滨最新3d预测推荐今天 | 3d近200期试机号和开奖号 | 3d今晚预测最准确一注今天 | 3d今晚预测最准确一注 | 今日3d太湖字谜每天更新 | 3d陈华今晚就赌一胆天齐网 | 3d最准专家预测号今晚3d试机号 | 3d今晚必出一注100%准确直选推荐 | 北斗3d今日专家预测推荐 | 于海滨海3d专家预测 | 福彩3D独胆下期最新推荐 | 3d今晚专家预测最准确一注 | 3d专家今天推荐号 | 3D独胆团队走势 | 3d最新准专家预测 | 3d预测今日最新推荐 | 3d詹天佑最新预测今天 | 3d开机号试机号今天的 | 3d真实的谎言正版和值字谜 | 3d今天开机号和试机号开奖结果 | 3d太湖钓叟三字诀字谜汇总 | 3d推荐最新最准专家预测 | 排3太湖钓叟字谜三字诀 | 3d今天专家预测号码最准确 | 百位振幅走势图3d之家 | 3d最新最准预测号码今天 | 3d老炮子直选三注 | 3d太湖字谜总汇大全 每天更新 | 3d预测最准确的专家预测软件 | 3d两胆下一稳定方法 | 3D独胆明日走势 | 福彩3D独胆明日推荐 | 于海滨3d预测牛彩网 | 3d詹天佑预测分析牛彩网 | 今日3d直选一注 | 3d精准推荐号 | 3d今晚专家预测推荐 | 3d今天专家推荐号码 | 今日3d开奖号太湖字谜总汇 | 今天最准3d预测号 | 3d试机号开机号关注号金码 | 3d字谜解太湖字谜 | 3d预测今晚最准专家预测号码 | 3d百位个位和值走势图 | 詹天佑3d预测推荐 | 3d 今天 试机号开机号 | 3d带连线专业版走势图表 | 3d专家推荐最精准的号码 | 3d跨度振幅3d之家走势图 | 3d杀码百位十位个位 | 3d今天试机号和开机号 | 3d太湖钓叟字谜三字诀 | 3d今晚必中三个号码预测 | 排三十拿九稳今天预测 | 3d最准确专家预测 | 3d今晚专家预测推荐 | 3d最新专家预测汇总大全 | 今天3d专家推荐号 | 钱王点评十钱王老头给胆 | 西施姐姐精心推算一独胆146 | 3d开奖号码今晚走势图 | 3d最精准专家预测汇总今天 | 3d预测号最新最准牛彩网 | 今天3d字谜解太湖字谜 | 3d近100期的开奖号码和试机号 | 3d预测最准确的专家预测软件 | 3d今晚最准最新专家推荐号 | 于海滨点评专家一注定胆保真版162期 | 3d所有走势图 | 3d预测专家汇总预测 | 3d直选注| 3d十大专家汇总精选一注 | 祖师爷独胆三天计划 | 于海滨3d杀码图145 | 于海滨杀码图 | 3d推荐号今晚专家预测 | 3d专家预测最新推荐 | 今于海滨3d预测彩吧图 | 3d谜语解太湖字谜 | 3d今晚上开奖号码 | 孟庆会老师3d预测今天 | 3D独胆下期推荐分析最新 | 3d专家预测推荐 | 3d千禧开机号和100期试机号 | 3d独胆专家推荐独胆 | 3d今晚专家预测最准确一注 | 3d走势图基本走势图表 | 3d历史今天开奖结果 | 3d今天最新最准专家预测最 | 3d直选一注50倍单挑 | 3d预测最准专家 | 3d开机号试机号奖号 | 3d预测一注推荐 | 今于海滨3d预测今天牛彩网 | 3d号码预测牛彩网 | 于海滨3d预测免费 | 3d推荐号今晚专家预测最准确 | 3d分析预测 | 今天3d必出一注 | 今日期3d太湖字谜 | 3d今晚最准专家推荐号码 | 中国福彩3D独胆高手命中率 | 3d牛彩网100期开机号和试机号 | 3d跨度金木水火土五行走势图 | 神龙毒胆王今晚给胆 | 3d和值专家推荐和值 | 3d今天专家预测最准确 | 3d预测最准最新准专家预测号码 | 今天3d开机号和试机号 | 3d专家预测最准确最新今天 | 3d湘西胆王今日字谜 | 3d下期预测最精准的一注号码 | 3d预测专家精准推荐号 | 西施姐姐就赌一个独胆 | 3d今晚预测最新最准确 | 今天3d专家预测汇总 | 3d陈华就赌一个胆天齐网 | 3d詹天佑最新预测 | 今日太湖字谜3d字谜太湖钓叟 | 3d直选100%中奖绝技软件 | 3d藏机图正版图汇总 | 财神爷三天计划必下更新 | 3d专家预测最准最新今天 | 于海滨预测3d号 | 3d最准预测专家推荐 | 3d预测号码最准最新准专家预测号 | 3d太湖钓叟字谜三字诀汇总 | 唐龙一胆 | 排三今晚十拿九稳最新预测 | 3d杀码大全天齐网 | 中国福彩3D独胆实时精准预测 | 3d专业版(走势图带连线) | 3d一语定胆太湖字谜 | 三d开机号和试机号今天牛彩网彩 | 排三十拿九稳今天预测 | 3d北斗专家北斗预测今天079期3d | 3d预测专家最准确 | 昨天3d开奖号是多少 | 3d开机号试机号今天最新50期 | 今晚3d专家预测 | 3d之家,专家预测预测 | 3d今日推荐号 | 3d今晚最准专家推荐号 | 3d专家预测最准确最新汇总对应码 | 3d推荐号今晚专家预测最准确 | 3d最准确预测专家 | 3d推荐最新最准专家预测 | 今天3d金码试机号对应码开机号 | 今于海滨3d预测今天单线联系 | 3d专家预测最准最新今天 | 3d开机号试机号近100期开奖号码 | 小财神三天计划独胆必下 | 3d通辽独胆王今天 | 双胆王看双胆3d | 3d百十差振幅走势图 | 北京胆王2彩吧图库 | 3d专家预测推荐号码 | 3d基本走势图. | 今晚3d预测开奖号码推荐 | 今日精准预测推荐3d号码 | 3d今晚预测最准确一注 | 今日太湖字谜3d总汇 | 三d专家杀码 | 专家预测3d号码准确 | 牛彩预测汇总3d最新 | 今天3d开机号和试机号对应金码 | 3d牛彩网| 3d今晚惊天一注预测 | 3d今天专家预测推荐号码 | 最准3d专家预测推荐 | 三d独胆王独胆双胆 | 3d专家预测最准确最新推荐号码 | 3d十大专家杀跨度汇总 | 3d今晚最准专家预测号码 | 3d开机号近30期列表彩宝网 | 3d詹天佑预测分析牛彩网 | 今天3d专家预测号码 推荐 | 小红孩3d独胆今天 | 3D独胆下期预测 | 3d试机号后专家预测汇总 | 3d千禧今晚试机号码 | 3d千禧试机号和金码关注 | 太湖谜3d太湖钓叟字谜 | 今天3d牛彩网专家预测 | 3d今天最准专家预测 | 福彩3D独胆本期推荐 | 3d陈华今晚就赌一个胆搜索一下 | 独胆双胆3d之家 | 中国福彩3D独胆团队命中率最新 | 3d最小值振幅走势图3d之家 | 布衣3d独胆双胆王 | 3d试机号后专家推荐汇总 | 3d近30期试机号和开奖结果 | 今天晚上3d开奖 | 今天的3d开机号和试机号中奖号 | 3d推荐号今日预测 | 3d近15期开奖号码结果 | 福彩3D独胆实时杀号 | 福彩3D独胆今晚走势最新 | 今日3d专家预测号最准确 | 3d今晚精彩预测 | 3d开奖号今晚 | 今晚3d专家推荐号码是多少 | 3d基本走势图(专业版)近200期 | 3d专家杀码天中图库 | 3d彩报图今天的第五版 | 张克永最新3d预测 | 3d试机号后专家预测汇总 | 孟庆会老师3d预测彩吧图库今天 | 3d最准的预测专家 | 3d百十和尾振幅走势图走势 | 今天最准3d预测号 | 3d于海滨一语定胆《保真》 | 3d百十和值尾振幅走势图 | 专家预测3d号码准确 | 于海滨3d免费预测最新的 | 今晚3d出的什么号 | 3d开机号试机号今天最新50期 | 预测3d | 今晚3d专家推荐号码 | 3d今晚出啥号 | 3d北斗专家北斗预测今天079期3d | 3d定百位一个号多少钱 | 3d专家于海滨 | 3d十大专家预测汇总 | 今晚3d专家最精准的预测 | 3d今晚上推荐号码 | 彩界毒胆大师一枚毒胆 | 今天的3d推荐号码是多少 | 3d预测今晚推荐号 | 3d牛彩网.| 廊坊鸿运3d推荐今天 | 于海滨杀码图天齐网 | 毒胆牛人三天计划今天 | 今日3d预测号码推荐 | 廊坊鸿运3d预测今天 | 3d预测最准专家 | 3d预测专家最准确今天 | 今晚3d试机号千禧试机号金码关注 | 3d字谜今日字谜总汇 | 于海滨专家预测3d | 3d预测专家精准推荐 | 3d于海滨一语定胆《保真》 | 唐龙一胆 | 3d杀码一定牛 | 3d预测詹天佑最新 | 三d便民字谜图谜总汇 | 今天3d专家推荐号 | 3d陈华今晚独胆推荐 | 今日3d字谜3d一句定三码诗天中图 | 3d预测专家最准确的专家预测 | 3d今天开机号和试机号码 | 三字诀太湖三字诀字谜 | 3d预测最准确专家预测牛彩网 | 3d专家预测最准 | 3d开机号和试机号金码关注 | 3d专家预测推荐最新 | 3d定胆 | 福彩3D独胆今晚必中最新 | 3d开奖号今晚 | 神仙姐姐杀码今天的 | 3d最近1000期走势图表综合版图片 | 于海滨专家3d今天预测 | 独胆三天计划 | 3d今晚专家预测推荐号 | 3d近200期试机号和开奖号 | 3d最新准专家预测 | 3d今晚最精准专家 | 3d专家今日推荐号码 | 3d今晚预测3d更准 | 千禧试机号金码关注 | 3d开机号和试机号今天金码0 | 3d精准定位专家预测 | 于海滨最新预测今天 | 顶级胆神双胆必下 | 3d专家预测推荐 | 3d专家预测最准确今天南方双彩网 | 3d预测专家最准确的专家预测今晚 | 3d经典毒胆 | 福彩3D独胆独家预测最新 | 今天3d开机号和试机号多少 | 3d专家预测最准确今天上一期 | 3d于海滨预测预测牛彩网 | 今晚3d专家推荐号码是多少 | 3d杀码图汇总牛彩网 | 于海滨3d杀码图 | 3d预测廊坊鸿运 | 3d走势图基本走势 | 今天3d推荐号码今晚预测 | 今日3d专家预测号码推荐 | 3d毒胆双胆三胆 | 3d今天预测最准确专家 | 3d号码预测 | 中国福彩3D独胆实时精准预测 | 3d专家预测最准确最新新闻 | 太湖字谜三字诀汇总 | 3d家彩预测 | 3d精准推荐号 | 3d开机号和试机号今天查询 | 3d詹天佑预测分析牛彩网 | 今于海滨3d预测今天单线联系 | 正版铁人铁胆3d | 3d计算公式精准100%计算 | 3d今天开机号和试机号码727 | 天天彩于海滨海3d最新预测 | 3d徐文轩今晚推荐号码 | 布衣杀码图3d杀码 | 三d毒胆预测 | 小红人的三天计划今天是什么 | 三d预测专家预测今天最新 今于海滨3d预测 | 彩坛老顽童3d独胆 | 于海滨海3d专家预测今晚一注 | 今晚3d专家推荐重点号码 | 铁人真胆一句定三码3d字谜彩搜网 | 太湖试机号后一句定三码3d字谜 | 3d今晚预测最准确一注 | 今天最新3d开机号试机号关注码 | 中国福彩3D独胆专家推荐最新 | 中国福彩3D独胆独家必中 | 3d和值跨度走势图带连线 | 3d最大值走势图彩经网 | 3d专家预测最准确今天 | 3d精准预测推荐 | 三地百位振幅3d之家走势图 | 3d最精准的专家预测 | 3d今晚预测最新最准确号码牛彩网 | 3d今晚专家预测推荐 | 3D独胆高手走势 | 3d鸿运坊预测号 | 于海滨海3d专家预测今天 | 3d个位振幅走势图近50期 | 中国福彩3D独胆专家精准预测最新 | 福家老三3d推荐号 | 于海滨点评专家一语定胆保真版 | 3d今晚上推荐号码 | 3d十位走势图彩经网 | 3d最准确最新专家预测 | 3d和值振幅走势图彩宝贝 | 3d形态预测静态版 | 3d和值和尾振幅走势图 | 千禧3d试机号金码关注码码关注码双彩论六个 | 牛彩网近30期3d开机号试机号 | 3d今晚最准三注 | 3d最新最准预测号码今天 | 3d今日太湖字谜图 | 3d试机号近10期彩经网 | 3d今晚和值推荐 | 3d今天专家预测号码 | 3d詹天佑预测汇总 | 最新3d预测专家预测 | 千禧开机号和试机号对应金码 | 3d试机号牛彩网近三十期 | 3d专家预测最准确号码 | 3d今晚惊天一注预测 | 3d推荐专家汇总 | 3d独胆双胆专家预测网 | 3d开奖号码结果 今晚 | 3d专家预测今天最新准确号 | 3d专家预测更准确今天 | 中国福彩3D独胆当天预测最新 | 3d和值尾振幅走势图3d走势3d之家 | 3d今天专家预测推荐号码 | 3d陈华今晚独胆推荐 | 十拿九稳预测专家分析 | 3d今天专家预测最准 | 福彩3D独胆最新走势最新 | 3d今晚预测最准确一注今天 | 3d太湖专家预测今晚 | 3d北斗专家北斗预测今天079期3d | 今于海滨3d杀码图24210 | 今天3d太湖钓叟三字谜 | 千禧三地试机号对应码金码 | 3d专家推荐最精准的号码 | 3d预测号最新最准牛彩网 | 3d最准一注(单挑王) | 3d预测是多少| 3d预测专家最准最新 | 詹天佑3d点评预测 | 于海滨3d免费预测最新的 | 3d独胆双胆独胆3d之村 | 3d藏机图正版藏机图太湖字谜 | 今晚3d直选推荐 | 小红人的三天计划今天是什么 | 3d今日开机号和试机号及关注码 | 3d精准预测最准的专家 | 3d专家预测推荐汇总 | 今晚3d开奖直选结果 | 真实的谎言3d字谜追加和值谜 | 3d三胆 | 3d彩宝贝字谜 | 一名将3d双胆预测 | 3D独胆下期最新精准预测 | 中国福彩3D独胆专家精准预测 | 3d今天最准专家预测 | 3d詹天佑预测分析牛彩网 | 3d和值尾振幅走势图3d之家 | 3d近200期试机号和开奖号码 | 3D独胆专家分析 | 3d专家预测最准确最新今晚预测 | 马后炮解3d太湖字谜 | 今晚3d专家最精准的预测 | 3d预测詹天佑最新 | 3d开机号,试机号,金码号,对应码100 | 3d专家预测最准确 | 3d和尾振幅走势图3d专家 | 3d今晚开奖号码多少 | 3d今天开机号和试机号牛彩网 | 今天3d千禧试机号关注号金码号 | 今日正版3d藏机图全部汇总 | 中国福彩3D独胆内部杀号 | 3d和走势图 和值尾连线 | 3d每天一个独胆 | 3d今天中了多少注直选 | 中国福彩3D独胆独家必中 | 今日3d正版藏机图全部天齐 | 一代女王杀两胆 | 3d今晚预测开奖号码 | 3d专家今天预测汇总 | 宇海滨预测3d | 3d老炮子直选三注 | 3d千禧试机号关注码金码是什么 | 3d最准的独胆毒胆独胆 | 于海滨3d免费预测 | 3d今晚开机号试机号是多少 | 3d真实的谎言正版和值字谜 | 3d试机号和开机号牛彩网 | 排三十拿九稳今天预测 | 今天3d开机号 试机号是多少 | 3d预测号码最准确专家预测 | 3d字谜总汇今日3d字谜总汇牛彩网 | 十拿九稳今天预测 | 3d两胆精准预测 | 3d专家预测号码推荐今天 | 3d十大专家汇总精选一注 | 3d最准预测专家推荐 | 3d村独胆双胆3 | 3d精准推荐号 | 3d预测最准最新准专家预测号码 | 3d今晚最准专家预测号码145 | 3d今晚最准专家预测号码145 | 今日排三太湖钓叟字谜三字诀 | 3d直选形态走势图彩宝网 | 3d和值尾振幅走势图3d走势3d之家 | 陈华3d今晚就赌一个胆 | 3d单双走势图表(专业版) | 3d试机号今晚开机号 | 今天3d开机号试机号牛彩网 | 3d专家推荐预测号 | 今日3d太湖字谜更新 | 孟庆会老师3d分析预测 | 排三平均值振幅走势图3d之家 | 今日3d专家预测总汇 | 3d个位走势图振幅 | 3d最精准专家预测汇总今天 | 3d八哥图库总汇d字谜图谜总汇大全 | 3d于海滨专家预测 | 于海滨海3d预测牛彩网 | 3d预测最准最新准专家预测号码 | 3d太湖17500字谜 | 3d和值尾走势图(专业版) | 太湖钓叟三字诀字谜更新 | 3d最准预测专家预测汇总 | 卫星电话最建议买的三个型号 | 3d今天专家预测最准 | 3d最准预测号 | 3d预测专家准确推荐 | 3d预测最准的专家预测 | 3d和值尾振幅走势图近50期 | 3d今天最新最准专家预测最 | 3d最精准专家预测汇总今天 | 3d预测最新最准专家 | 3d图谜字谜总汇 | 詹天佑最新预测3d | 3d专家预测最准确最新推荐号码 | 3d预测总汇手机牛彩网 | 今日3d开奖号今晚 | 3d近500期试机号和开奖号码 | 3d藏机图正版藏机图汇总今天最新图片 | 3d中间号走势图振幅走势图 | 3d下期预测最精准的一注号码 | 3d正版藏机图谜汇总 | 3d带专业连线走势图 | 3d专家预测最准确最新今天牛彩 | 3d中2个号多少钱 | 3预测,3d专家预测,最准确今天彩网 | 中国福彩3D独胆今日走势最新 | 3d今天专家推荐 | 福家杀码王p3 | 3d今晚必出的一注 | 3d陈华今晚独胆推荐 | 今日3d预测| 3d李明启最新预测今天 | 3d杀码大全 | 3d北斗专家北斗预测今天079期3d | 3d十大专家杀三码 | 3d均值振幅走势图表图 | 3地独胆,毒胆双胆家彩网 | 《天才计划》三天计划独胆3d | 3d玩胆先生双胆独胆 | 今晚3d开奖号是多少 | 3d杀码图汇总 | 3d今晚最准专家推荐号 | 3d专家预测最准确最新今天牛彩 | 中国福彩3D独胆明日推荐 | 马后炮解今日太湖字谜三字诀 | 3d专家预测推荐汇总 | 3d计算机开机号夏天推荐 | 3d专家预测最准确最新推荐号码 | 3d今晚推荐号码最新 | 3d预测一注推荐 | 3d今晚上专家推荐号 | 3d今天专家推荐号码推荐 | 3d今晚预测直选四注 | 3d最准专家预测号 | 3d今晚推荐号码最新 | 3d精准一注今天 | 3d试机号后专家预测推荐汇总 | 至尊计划王三天计划独胆 | 3d北斗专家北斗预测今天079期3d | 投资独胆三天计划论坛 | 3d独胆预测| 3d预测专家最准最新 | 3d 图谜字谜总汇 | 3d直选至今未出号 | 今晚3d开奖结果是多少 | 3d今天开机号试机号200期 | 今晚3d出的什么号 | 3d今天开机号和试机号232 | 3d千禧试机号关注号金码号开机号 | 福彩3D独胆高手分析 | 3d藏机图正版藏机图太湖字谜 | 3d预测推荐汇总牛彩网采摘收集 | 3d最准一注号码 | 成功路上3d双胆独胆 | 3d精准预测最准的专家直选 | 于海滨海3d预测牛彩网 | 3d必中永久直选500注大底 | 最准3d专家预测推荐 | 3d专家预测最准确最新今天 | 太湖字谜三字诀论坛 | 今日3d开奖号太湖字谜总汇 | 3d预测最准确最新 | 3d开机号和试机号金码和关注码 | 3d试机号今晚牛彩网 | 中国福彩3D独胆下一期预测最新 | 3d预测专家精准推荐 | 3d单双走势图表(专业版) | 3d专家预测最准确最新新闻 | 今天的3d开机号和试机号查询 | 今天的3d开机号和试机号查询 | 3d往年历史今天开奖结果 | 3d今天专家预测推荐号码 | 3d彩吧试机号今天 | 神仙姐姐今天最新杀码 | 3d下期预测最精准的一注号码 | 解太湖3d字谜太湖 | 3d詹天佑最新预测 | 3d今天开机号试机号牛彩网 | 3d太湖钓叟字谜三字诀论坛 | 3d杀码专家杀码天齐网 | 3D独胆明日推荐最新 | 今晚3d开机号试机号金码 | 福彩3D独胆下期推荐精准预测 | 今天3d的开机号和试机号是多少号 | 3d独胆公式正确率在99%以上 | 3d今晚最准专家预测号码145 | 中国福彩3D独胆当天预测最新 | 于海滨3d今晚预测 | 3d千禧开机号试机号 | 3d百个和值尾振幅走势图 | 今晚3d专家推荐重点号码 | 3d专家预测最准确最新今天牛彩 | 千禧3试机号金码关注码金码 | 3d预测专家推荐最新 | 牛彩网近30期3d开机号试机号 | 今于海滨3d预测彩吧图 | 预测3d| 3d财神爷今晚独胆 | 于海滨今日杀码图最新 | 于海滨3d专家预测今天 | 3d预测专家最准确的专家预测 | 三七进二得三码猜一生肖 | 3d最精准的专家预测 | 3d最准一个独胆毒胆 | 3d试机号历史情况 | 3d之家独胆,双胆 | 3d专家预测最准最新今天 | 3d今晚上专家推荐号 | 今天3d开机号和试机号全部 | 3d预测最准确的专家 | 福彩3D独胆最新必中 | 3d双胆独胆推荐 | 今晚3d预测推荐一注 | 3d走势图带连线图表牛彩网 | 福彩3D独胆明日精准预测 | 3d开心毒胆独胆王 | 唐龙一胆 | 今日3d开奖号今晚 | 福彩3D独胆下一期走势最新 | 福彩3D独胆本期命中率 | 3d于海滨上的今天预测保真 | 3d八哥图库总汇d字谜图谜总汇大全 | 毒胆牛人三天计划必出 | 3d预测号码最准确专家预测 | 3d跨度5有多少注 | 福彩3D独胆明日精准预测 | 3d直选一注今天 | 精准3d独胆 | 3d廊坊鸿运正版推荐 | 詹天佑今日最新点评 | 3d彩宝贝试机号今天最新 | 今天的3d太湖字谜今天晚上 | 真实的谎言3d字谜追加和值谜 | 福彩3D独胆独家命中率最新 | 牛彩网p3专家预测汇总 | 福彩3D独胆下期推荐必中 | 3d太湖字谜总汇总(正版) | 3d开奖号码走势图表 | 专家彩宝贝预测汇总 | 三d之家独胆 | 千禧3d试机号关注码金码试机号 | 十大杀码专家3d | 3d解太湖字谜汇总精选 | 3d开机号和试机号200期列表 | 3d今晚最精准专家 | 中国福彩3D独胆当天精准预测最新 | 3d开机号试机号今天的 | 3d最新专家预测推荐 | 3d预测一注号推荐一3d预测一注今天 | 3d百位遗漏振幅走势图南方双彩网 | 詹天佑最新预测3d | 今天3d专家预测汇总 | 3d开机号和试机号9.30分 | 3d专家预测推荐号码 | 3d玩胆先生双胆独胆 | 3d专家预测精选一注 | 福彩3D独胆下期推荐精准预测 | 3d专家预测独胆最准确 | 3d之家双胆独胆预测 | 3d预测专家最准确的专家预测 | 最准3d预测专家推荐号 | 陈华今晚3d赌一胆天齐网 | 牛彩网专家汇总汇总3d | 3d今晚预测最新最准确号码牛彩网 | 中国福彩3D独胆下期最新必中最新 | 3d今晚预测 | 今天晚上3d开奖 | 十拿九稳预测最准100% | 3d开奖号今天结果 今晚 | 今晚3d专家推荐号码是多少 | 于海滨专家预测 | 3d预测最准确的专家 | 3d牛彩网. | 3d预测今日最新推荐 | 千禧3d关注码 | 3d千禧开机号和100期试机号 | 于海滨最新3d预测推荐今天 | 3d今晚专家预测最准确一注 | 3d今晚预测最新最准确号码牛彩网 | 今日3d藏机图正版藏机图310 | 3d谜语今天字谜今天的3d字谜是什么? | 浙江风采3d走势图表 | 3d推荐最新最准专家预测 | 3d百十和尾振幅走势图走势 | 3D独胆明日分析 | 3d太湖专家预测今晚 | 今日3d太湖字谜三字诀试机号 | 今天专家推荐号码3d | 3d试机号今晚开机号 | 3d解太湖字谜汇总 | 3d牛彩图谜字谜总汇九 | 3d今日字谜太湖 | 3d北斗专家北斗预测今天079期3d | 今日3d专家预测号最准确 | 3d316期太湖字谜| 3d千禧试机号金码关注码对应码 | 3d李明启最新预测今天 | 三d预测专家最新推荐 | 今晚钱王点评推荐号 | 福彩3D独胆团队必中 | 3d今晚最准专家预测号码145 | 3d316期太湖字谜 | 3d专家预测最准最新今天 | 牛彩网3d预测汇总大全 | 3d胆王专家定十位 | 廊坊鸿运3d推荐今天 | 3d预测一注推荐 | 3d于海滨一语定胆《保真》 | 明天的3d太湖字谜 | 万能四码找下期奖号 | 今天3d开机号试机号码 | 3d今天开机号试机号对应码关注码 | 超级毒胆 | 今晚3d试机号千禧试机号金码关注 | 3d最新最准专家预预测 | 3D独胆本期预测最新 | 3d专家解今日太湖字谜汇总 | 3d预测一注号推荐一3d预测一注今天 | 3d今天专家预测号码 | 詹天佑3d今天最新预测 | 3d千禧开机号试机号关注金码对应码 | 3d跨度分位走势图图感觉 | 3d今晚上专家推荐号 | 3d单挑今天晚一注500倍 | 3d双胆独胆必下一 | 3d今晚最准专家预测号码145 | 福彩3D独胆下期推荐预测 | 于海滨最新预测结果 | 3d直选一注今天 | 最新3d预测专家预测 | 3d今天开机号和试机号码727 | 排3太湖钓叟字谜三字诀 | 3d十大专家双胆预测汇总 | 今晚3d推荐号码 | 3d试机号开奖号走势图表 | 3D独胆老师预测 | 今日3d专家精准推荐 | 3d精准推荐号 | 詹天佑3d| 3d今天开机号试机号金码关注号 | 3d和值尾振幅走势图近50期 | 3d图库彩吧彩报第三版 | 今日焰舞3d焰舞字谜汇总大全 | 大师诸葛亮今晚一个独胆 | 3d开奖号码结果 今晚 | 3d和值和尾振幅走势图 | 3d带线走势图牛彩网 | 今天3d太湖钓叟字谜三字诀 | 3d千禧试机号关注码金码是什么 | 3d预测 下一期 3d预测专家 3d预测 | 2014年359期3d焰舞字谜 | 3d最精准专家预测汇总今天 | 3d字谜太湖钓叟三字诀今天 | 3d开奖号今天结果 今晚 | 3d最新专家预测汇总大全 | 3d和值尾金木水火土走势图 | 3d跨度金木水火土五行走势图 | 3d最准确最新专家预测 | 太湖钓叟三字诀字谜解释总汇 | 3d预测今晚最新最准确 | 于海滨预测3d | 3d预测最准的专家预测 | 3d预测专家最准确的专家预测今晚 | 3d今天专家预测号码 | 3d今天开机号和试机号开奖结果 | 于海滨今日杀码图最新 | 陈华今晚就赌一胆今天最新 | 3d预测一注推荐 | 3d今日预测最准专家预测 | 今天晚上3d开奖结果 | 3d今晚最精准一注一注 | 3d今晚出的什么号 | 今日詹天佑3d预测 | 太湖字谜三字诀论坛 | 3d开机号试机号今天最新50期 | 3d李明启最新预测今天 | 千禧关注码试机号金码 | 3d试机号是多少牛彩网 | 3d独胆预测必下一胆 | 3d孙大财就赌一个胆 | 今日3d一句定三码最准和值谜 | 3d推荐号今晚专家预测 | 3d最准预测 | 3d走势图专家推荐号码 | 3d彩皇网| 陈华今天就赌一个胆3d | 3d开机号和试机号近100期列表 | 3d今晚最准专家推荐号 | 3d天齐网最准预测 | 3d预测专家推荐号码 | 3d今天绕胆图彩之网 | 3d预测专家推荐最准确 | 3d杀码图专区,杀码图 | 3d胆王双胆独胆 | 3d双胆下一 | 3d试机号码开机号 | 福彩3D独胆独家预测最新 | 3d陈华今晚就赌一胆今天最新消息 | 唐龙点评3d预测 | 3d独胆专家推荐独胆 | 中国福彩3D独胆团队命中率最新 | 投资计划独胆三天计划 | 3d今晚预测100% | 3d预测今日最新推荐 | 今天最准3d预测号 | 3d今晚最准专家预测号码145 | 3d独胆双胆天齐网 | 3d双胆独胆非常非常稳定 | 3d今日太湖字谜图 | 3d2025322期太湖字谜 | 3d今晚预测最新最准确号码牛彩网 | 今天3d必出一注 | 今天3d试机号开机号是什么 | 3d最准预测专家汇总大全 | 3d专家预测最准最新今天 | 3d独胆陈华今晚就赌一个胆 | 今日期3d太湖字谜 | 3d专家预测最准确最新今晚预测 | 3d最准确预测专家 | 3d预测最准确专家预测 | 于海滨3d最新预测 | 3d今晚试机号是多少查询 | 3d推荐号今日预测 | 3d今天的开机号和试机号查询 | 3d免费专家预测推荐今天最新 | 3d今晚最新奖号 | 3d今天专家预测号码最准确 | 3d断组今晚全部 | 今天3d开奖号是多少 | 一代女王p3杀两胆独胆 | 排三太湖钓叟字谜三字诀 | 3d藏机图正版藏机图太湖字谜 | 3d乾坤独胆王独胆 | 今天3d开机号和试机号对应码查询 | 3d预测号码最准确专家预测 | 3d和值尾振幅走势图3d之家 | 3d今晚预测最准确一注 | 3d预测最准确的专家预测软件 | 3d今日预测推荐号 | 3d专家预测最准确今天南方双彩网 | 今日3d开机号和试机号关注码千禧 | 3d今晚开奖结果号码是 | 3d杀码专家杀码天齐网 | 3d预测最新最准专家 | 今天3d开机号和试机号码是多少 | 3d杀码十大专家天齐网 | 3d开机号试机号30期列表彩宝网 | 3d近30期试机号和开奖结果 | 3d试机号今天开机号查询结果 | 钱王点评 | 3d预测专家最准确 | 3d十大专家汇总大全 | 福彩3D独胆大神精准预测 | 神仙姐姐今天最新杀码 | 独胆真人就打独胆今天 | 3D独胆下期推荐预测最新 | 解太湖3d字谜太湖 | 今晚3d预测专家预测号 | 3d天宇和值谜字谜一句定三码 | 3d中奖多少钱一注 | 3d个位走势图图表 | 财神爷独胆三天计划,就这么牛 | 三字诀太湖三字诀字谜 | 今天3d专家预测汇总 | 精准3d独胆 | 3d推荐号今晚专家预测最准确 | 3d牛彩网专家预测汇总 | 3d今晚最准最新专家推荐号 | 3d试机号和开奖号走势图 | 今天专家推荐号码3d | 3d预测今晚最准专家预测号码 | 3d最新最准专家预测号码 | 3d近100期试机号和开奖号是多少 | 3d跨度振幅走势图3d专家 | 中国福彩3D独胆内部走势最新 | 3d今晚出的什么号 | 3d最准一注(单挑王) | 3d预测今晚最准专家预测号码 | 3d今日预测推荐号 | 3d今日专家推荐 | 今天3d专家预测号码 推荐 | 3d直选精准100%免费 | 3d预测号最新最准牛彩网 | 中国杀码王绝对 | 3d今晚试机号是多少 | 3d开机号,试机号和开奖号 | 3d往年历史今天开奖结果 | 3d带线走势图牛彩网 | 3d谜语字谜太湖天齐网 | 今于海滨最新预测今天 | 唐龙预测一胆今天 | 3d和值012走势图带连线图 | 3d白娘子跨度字谜汇总今天牛彩网 | 最新3d预测专家预测 | 于海滨海3d专家预测今天 | 3d最新专家预测汇总大全 | 3d今天试机号开机号关系 | 3d双胆独胆推荐 | 财神爷独胆三天计划,就这么牛 | 3d今晚预测准确的专家预测 | 排三杀码专家天齐网 | 3d今晚试机号彩经网 | 3d预测最准确专家 | 3d千禧开机号和100期试机号 | 3d预测 下一期 3d预测专家 3d预测 | 于海滨点评专家一注定胆保真版 | 3d最准确最新专家预测 | 3d今晚预测直选一注3d一注预测 | 3d湘西胆王今日字谜 | 3d胆王双胆独胆 | 3d今晚预测最准确一注 | 3d今天推荐号码是多少 | 今日3d太湖字谜三字诀排三开奖结果 | 3d专家今天推荐号码推荐 | 今日3d预测号码推荐 | 3d今天预测最准确专家 | 今晚最全3d晚间字谜汇总192期 | 3d彩界元宝就看一个独胆 | 3d今天专家推荐号码推荐 | 六鬼神算图3d谜图 | 3d最准专家预测号 | 3d基本走势图表完整版 | 3d今晚上必出号 | 中国福彩3D独胆当天精准预测 | 3d汇总牛彩网 | 3d推荐最新最准专家预测 | 3d最全晚间字谜汇总大全 | 布衣3d独胆双胆王 | 唐龙一胆| 3d于海滨预测预测牛彩网 | 三d独胆| 于海滨点评专家一注定胆保真版162期 | 3d预测最准专家预测牛彩网 | 今晚3d推荐号码是多少 | 今日正版藏机图全部汇总 | 今日期3d太湖字谜 | 3d今晚精准一注推荐 | 3d今天专家预测最新最准 | 3d今晚最准专家推荐号 | 今晚3d预测号 | 顶级胆神双胆下一 | 3d最精准的专家预测 | 玩彩独胆王三天计划 | 3d两胆王双胆必下 | 55125预测汇总3d | 詹天佑3d预测推荐 | 中国福彩3D独胆最新走势 | 3d专家预测最准确今天上一期 | 3d绝杀一码绝杀 | 3d开机号和试机号今天多少 | 3d推荐最新最准专家预测 | 3d最准确预测专家 | 3d千禧试机号关注码金码是什么 | 3d今天专家预测号码 | 千禧p3试机号关注号金胆对应号 | 3d今晚开奖号结果 | 3d分析预测 | 3d徐文轩今晚推荐号码 | 3d今晚预测直选四注 | 今天晚上3d开奖 | 千禧今晚3d试机号关注码金码 | 三d历史走势图 | 3d经典小胆王 | 3d今晚精选预测一注 | 3d今于海滨杀码图 | 3d今晚必中一注一注 | 3d专家预测最新最准 | 中国福彩3D独胆今日预测最新 | 今日焰舞3d焰舞字谜汇总大全 | 3d专家预测最准确今天南方双彩网 | 7号电池最建议买的三个型号 | 3d同期历史对比 | 3d今晚中奖号是多少 | 福彩3D独胆下期推荐必中 | 3d预测专家最准确 | 杀码大全汇总 | 3d詹天佑预测分析牛彩网 | 3d预测今晚推荐号 | 3d字谜总汇今日3d字谜总汇牛彩网 | 3d预测今晚最新最准确 | 3d两胆王双胆必下 | 3d今天开机号试机号金码关注号 | 3d独胆专家推荐独胆 | 福彩3D独胆下一期预测最新 | 中国福彩3D独胆当天走势最新 | 3d今天预测最准确专家 | 今日3d藏机图汇总 正版 新版 | 天府袍哥3d预测 | 3d今天专家预测推荐号码 | 3d专家预测号码最准确 | 牛彩网3d专家预测汇总 | 3d最准确预测专家 | 马到成功杀两码最新版本更新内容 | 3d专家预测最准确最新今天牛彩 | 3d预测专家精准推荐号 | 3d恋预测今晚预测是哪里出的 | 3d专家预测汇总 | 今晚3d预测最准一注 | 3d开机号近200期历史记录 | 3d专家推荐最新预测 | 3d最新预测专家推荐 | 3d和值尾遗漏走势图 | 2025排五守号推荐 | 3d徐文轩今晚推荐号码 | 3d杀码图天齐网 | 3d就打一个胆中了多少钱 | 今天3d中奖 | 詹天佑3d最新预测今天 | 3d太湖历史字谜 | 3d六码复式多少钱一注 | 今晚3d开奖号是多少 | 3d最准预测专家预测汇总 | 福彩3D独胆老师精准预测 | 中国福彩3D独胆最新推荐 | 千禧开机号试机号关注号金码杀码 | 3d推荐号码今晚预测 | 牛彩网3d预则 | 3d推荐牛彩网 | 3d谜语今天字谜今天的3d字谜是什么? | 3d陈华今晚独胆推荐 | 3d专家预测最准最新 | 今天3d专家预测汇总 | 3d试机号开机号关注号金码 | 千禧开机号试机号关注号金码杀码 | 3d专家今天预测一注 | 今晚3d专家推荐号 | 3d十位走势图振幅 | 3d字谜太湖解字谜 | 3d跨度振幅走势图3d专家 | 3d今天专家推荐号码推荐 | 3d今天的试机号开机号是多少 | 近300期3d和值走势图 | 3d绝杀二码今天最新更新内容 | 3d最准预测号 | 三d胆| 今日3d专家预测总汇 | 3d预测最新最准专家 | 詹天佑3d点评预测 | 3d独胆公式133x2 | 大老人3d预测牛彩网推荐 | 今天的3d推荐号码是多少 | 3d正版藏机图总汇全图 | 3d今天专家推荐号码推荐 | 今天3d太湖钓叟三字谜 | 3d今晚必出的一注 | 3d下期预测最精准的一注号码 | 3d专家预测最准确最新今天 | 3d预测今晚最准专家预测号码 | 今日3d正版藏机图,藏机图汇总,天中网 | 3d今晚专家推荐号 | 詹天佑3d预测号 | 3d预测最准最新准专家预测号码 | 陈华今晚3d赌一胆天齐网 | 3d专家专家预测汇总 | 3d今天开机号和试机号金码对应码 | 3d牛彩网专家预测 | 3d预测最准确的专家预测软件 | 3d太湖专家预测今晚 | 3d今天开机号和试机号开奖结果 | 马后炮解3d太湖字谜总汇大全 | 3d农村小伙子最新预测 | 今晚开奖号码3d开奖结果 | 祖师爷独胆三天计划 | 今天3d藏机图正版藏机图藏机图太湖横屏 | 今晚快乐八专家预测推荐号 | 于海滨杀码图谜 | 3d北斗专家北斗预测今天079期3d | 中国福彩3D独胆独家必中最新 | 三天计划独胆牛人 | 3d专家预测最准今天 | 于海滨3d预测专家今天 | 3d最精准的专家预测精选 | 3d独胆必下一独胆3d独胆预测 | 千禧试机号关注金码是什么 | 于海滨专家预测 | 3d家彩预测 | 3d最精准专家预测汇总今天 | 3d彩宝网开机号和试机号 | 3d专家推荐最新预测 | 3d彩吧试机号今天最新 | 于海滨3d今晚预测号码 | 3d真实的谎言字谜总汇正版 | 3d今天专家预测最新最准 | 3d四码直选多少钱一注 | 中国福彩3D独胆独家预测 | 中国福彩3D独胆下期推荐推荐最新 | 3d今天精准一注 | 神仙姐姐三胆 | 3d推荐号今日预测 | 3d今晚预测最新最准确号码牛彩网 | 3d于海滨预测预测牛彩网 | 3d今晚最准确一注 | 最准3d预测专家推荐号 | 中国福彩3D独胆当天预测最新 | 3d最新专家预测汇总大全 | 真实的谎言3d字谜追加和值谜 | 中国福彩3D独胆今日精准预测 | 排三专家杀码 | 3d跨度振幅走势图3d专家 | 3d正版太湖字谜图谜 | 唐龙一语定胆最新 | 3d直选一注多少钱 | 福彩3D独胆最新走势最新 | 今日3d一句定三码最准和值谜 | 3d小差振幅走势图表图 | 3d今天试机号开机号金码 | 钱王老头点评牛彩网 | 3d天齐网最准预测 | 3d专家预测推荐汇总 | 3d预测最准确专家预测牛彩网 | 3D独胆团队命中率最新 | 3d今晚预测直选一注 | 3d今晚专家推荐预测重点号码 | 3d中国独胆王今天 | 小胆神玩毒胆我3d | 3d杀码专家大全 | 钱王点评钱王老头预测 | 今天3d双双独胆字谜 | 太湖钓叟三字诀字谜更新 | 3d村独胆双胆 | 3d今日开机号和试机号及关注码 | 3d今晚最准专家推荐号 | 3d预测号码最准确专家预测 | 西施姐姐就赌一个独胆 | 3d的最新走势图表 | 龙彩居士3d预测今天最新版 | 3d预测总汇| 于海滨专家预测3d | 预测今晚3d一注 | 小林3d预测今天推荐 | 唐龙每日一胆天齐网 | 财神爷独胆三天计划,就这么牛 | 3d今天开机号和试机号100期 | 3d恋预测今晚预测是哪里出的 | 今晚3d专家预测最准确 | 3d断组今晚全部 | 3d最准一注(单挑王) | 3d最精准的专家预测 | 3d今天专家推荐号码推荐 | 詹天佑3d预测推荐 | 今天3d于海滨预测 | 今晚3d开奖结果是 | 3d今晚十大专家预测汇总 | 3d预测最准确专家预测 | 3d今晚预测最新最准确号码牛彩网 | 3d今晚开奖结果号码是 | 彩坛老顽童3d独胆 | 3d今天最新最准专家预测最 | 3b千喜今天试机号关注金码 | 3d推荐号今晚专家预测 | 3d杀码图天齐网 | 3d今晚预测直选一注3d一注预测 | 3d今晚必下一个胆 | 中国福彩3D独胆独家必中最新 | 3d今天专家预测推荐号码 | 3d号码预测和推荐号今天 | 3d预测专家最准确 | 今晚3d直选一注 | 于海滨精准杀码图 | 3d预测詹天佑 | 3d今晚试机号是多少查询 | 今晚精准一注3d | 3d专家预测最准确最新今天牛彩 | 3d试后太湖一语定胆字谜 | 于海滨专家一语定胆十每日 | 3d预测专家预测 | 3d专家预测今天最新准确号 | 3d彩宝贝试机号今天最新 | 千禧金码关注码试机号 | 三d双胆独胆 | 3d预测号码最准最新推荐 | 今晚3d直选推荐 | 今天3d牛彩网专家预测 | 3d精准预测最准的专家直选 | 正版铁人铁胆3d | 今晚3d推荐号码是多少 | 3d字谜汇总大全总汇大全 | 彩界毒胆大师一枚毒胆 | 3d预测专家最准确今天 | 今晚解太湖3d字谜 | 詹天佑3d点评预测 | 3d最新最准预测号码今天 | 3d试机号关注号金码对应码开机号 | 3d紫云涧专家预测推荐 | 十拿九稳十大专家预测汇总最新一期 | 3d预测专家最准确今天 | 3d独胆预测必下一胆 | 3d李明启最新预测今天 | 千禧试机号及金码 | 千禧今晚3d试机号关注码金码 | 3d中间最小两码差值振幅走势图 | 3d专家最精准的推荐 | 3d今晚推荐号 | 今天十拿九稳号码预测 | 福彩3D独胆内部走势 | 3d太湖字谜汇总今天 | 3d精选号码推荐今天最新 | 于海滨海3d预测保真 | 3d预测 下一期 3d预测专家 3d预测 | 今晚3d开奖直选结果 | 3d万能三码中奖秘诀 | 三d推荐号专家预测今天 | 詹天佑3d今晚预测号码 | 周星星3d预测手机牛彩网 | 3d太湖钓叟字谜三字诀乐彩论坛 | 千禧3d试机号关注号 | 3d预测最准专家预测号 | 3d谜语今天字谜今天的3d字谜是什么? | 3d直选走势图(专业版) | 高手看3d经典独胆组合 | 3d专家推荐最新预测 | 3d跨度遗漏值振幅走势图彩经网 | 3d直选走势图(专业版) | 2012099期3d开奖结果 | 3d双胆独胆 | 今天3d开机号和试机号对应码查询 | 3d直选走势图(专业版) | 詹天佑3d预测号 | 今日3d专家推荐号码 | 千禧金码关注码试机号 | 3d专家今日推荐号码 | 3d杀码最准确 | 三d历史走势图 | 3d推荐号今晚专家预测 | 3d字谜图谜总汇 | 牛彩网3d预测汇总大全 | 今天最新3d开机号试机号 | 3D独胆独家推荐最新 | 今日3d专家精准推荐 | 3d最新专家预测汇总 | 3d二天独胆王 | 3d今晚精准一注推荐 | 千禧金码关注码试机号 | 3d最近100期历史记录 | 3d四码直选多少钱一注 | 今日太湖字谜3d字谜太湖钓叟 | 钱王今天3d预测号 | 3d预测专家最准确今天 | 今天3d试机号开机号牛彩网 | 3d专家预测号码推荐今天 | 今晚上3d开奖号码 | 牛彩网近30期3d开机号试机号 | 3d今天开机号试机号对应码关注码 | 3d专家预测推荐号最新 | 3d开奖号码结果 今晚 | 3d基本走势图表 | 唐龙点评每日一胆龙 | 3d阴阳走势图表图 | 3d今天专家预测推荐号码 | 三d预测专家最新推荐 | 3d今天开机号和试机号金码对应码 | 3d开机号近200期历史记录 | 三d预测专家预测今天最新 3d专家预测最准最新今天 | 3d今天专家推荐 | 3d十大专家预测汇总 | 3d和值尾走势图(专业版) | 最新3d预测专家预测 | 3d今晚必下一个胆 | 3d预测专家预测 | 今晚3d专家推荐 | 牛彩网3d预测分析汇总大全 | 3d试机号后专家预测推荐汇总 | 今天3d开机号和试机号对应金码 | 牛彩网3d预测汇总大全手机版下载 | 今天3d开机号试机号金码 | 今晚3d开机号试机号金码关注码 | 3d预测最准确专家预测牛彩网 | 于海滨的今日预测 | 于海滨专家3d今天预测 | 3d今晚字谜太湖字谜是什么 | 福彩3D独胆下期推荐最新 | 飞向阳光龙头凤尾预测 | 3d百十和尾振幅走势图走势 | 试机号开机号金码关注号对应码3d | 试机号开机号金码关注号对应码3d | 3d跨度振幅走势图3d专家 | 3d预测杀码| 中国福彩3D独胆大神命中率 | 3d今天专家推荐号码 | 3d预测专家推荐号码 | 3d预测最新最准专家 | 3d正版藏机图总汇全图 | 3d开机号和试机号今天 今晚 | 3d开机号码近100期 | 福彩3D独胆明日分析最新 | 3d独胆专家推荐独胆 | 2025315期3d开奖结果 | 今日3d预测号码推荐 | 今晚3d预测开奖号码推荐 | 3d今晚预测最新最准确号码牛彩网 | 3d预测最准确的专家预测软件 | 太湖解3d字谜汇总 | 于海滨海3d专家预测 | 3d试机号后专家预测推荐汇总 | 3d于海滨上的今天预测保真 | 3d今晚开奖号码多少 | 3d千禧试机号关注号金码牛彩网 | 今天3d詹天佑预测分析 | 钱王点评十钱王老头给胆 | 3d杀码公式最新 | 3d推荐号今晚专家预测 | 今天太湖字谜三字诀是什么 | 3d试机号开机号关注号金码 | 3b千喜今天试机号关注金码 | 3d专家最准确推荐最新 | 3d太湖字谜总汇大全 每天更新 | 3d基本走势图 综合 太湖三字诀字谜三 | 今天3d必出一注 | 3d专家预测汇总 | 3d千禧试机号和金码关注 | 3d今天专家推荐号码推荐 | 天才计划三天计划独胆 | 3d最精准专家预测汇总今天 | 3d手机牛彩网专家预测 | 今天3d开机号试机号对应码列表 | 3d专家预测最新推荐 | 排三今晚十拿九稳最新预测 | 小红孩3d独胆今天 | 2012099期3d开奖结果 | 3d专家预测最准确今天上一期 | 3d独胆专家预测 | 3d推荐号3d推荐号码 | 3d独胆公式133x2 | 于海滨专家一语定胆十每日 | 福彩3D独胆下期杀号最新 | 财神一语定一注3d字谜 | 福彩3D独胆本期推荐 | 3d免费专家预测推荐 | 3d金胆王 | 3d今晚预测直选四注 | 排五预测最准专家 | 今晚3d开机号和试机号是多少 | 今日3d太湖三字谜 | 3d玩彩老头预测今天号码 | 今天太湖字谜三字诀是什么 | 于海滨海3d预测今天 | 于海滨3d预测牛彩网 | 千禧之年3d开机号试机号金码关注 | 福彩3D独胆大神精准预测 | 三d便民字谜图谜总汇 | 3d近30期开奖号码 | 3d精准直选一注 | 3d预测号最新最准牛彩网 | 3D独胆实时推荐 | 3d最准预测号 | 3d今晚最准最新专家推荐号 | 2014年359期3d焰舞字谜 | 3d今晚推荐号码最新 | 马后炮解3d字谜 | 今晚3d精准一注直选 | 十拿九稳的最新预测 | 今日3d专家预测号码推荐 | 3d今天专家推荐号码推荐 | 詹天佑3d预测号 | 3d今天开机号和试机号码牛彩网 | 3d牛彩网试机号后专家预测汇总 | 3d天宇和值谜字谜 | 今晚3d最准专家预测号 | 3d预测专家最准确 | 3d双胆预测3d双胆下3d 双胆推荐 | 唐龙3d预测今日出号点评 | 3d推荐号今日预测 | 3d今晚最稳 | 福彩3D独胆下期预测 | 3d预测今晚推荐号 | 3d今晚专家预测重点号码 | 3d今日预测最准专家预测 | 3d试机号后专家预测汇总 | 3d最准的预测专家 | 今于海滨3d杀码 | 3d试机号近10期(模拟) | 今日3d预测号码推荐 | 福彩3D独胆独家走势 | 牛彩网近30期3d开机号试机号 | 经典小胆王三天计划配组合 | 千禧今晚3d试机号关注码金码对应 | 3d预测最准确的专家 | 今天的3d开机号和试机号查询 | 3d开机号和试机号今天查询 | 3d专家最新最准今天预测 | 3d今晚精选一注 | 3d专家预测最新推荐 | 今日3d马后炮解太湖字谜 | 3d专家预测最准确今天南方双彩网 | 3d中国准神双胆 | 3d今晚精选预测一注 | 3d今天最新最准专家预测最 | 彩界女王双胆独胆 | 于海滨海3d专家预测今晚一注 | 今晚3d预测最准一注 | 3d今晚精选预测一注 | 千禧p3试机号关注号金胆对应号 | 于海滨3d彩吧图库 | 于海滨杀码图今天最新 | 3d 今天 试机号开机号 | 3d陈华今晚就赌一胆o11预测 | 3d试机号后专家预测汇总 | 3d绝杀二码今天最新更新内容 | 太湖3d字谜太湖钓叟三字诀 | 今天3d开机号 试机号是多少 | 3D独胆下期推荐走势最新 | 3d精准预测专家预测 | 3d个位振幅走势图近50期 | 铁娘子三天计划独胆必下300 | 3d两胆下一稳定方法 | 3d藏机图正版藏机图诗汇总 | 3d今晚预测最新最准确号码牛彩网 | 于海滨3d今晚预测 | 3d姜子牙一句定三码最准字谜汇总 | 中国福彩3D独胆专家精准预测最新 | 3d今天晚上的开奖号码 | 今天3d开机号 和试机号 查询结果 | 3d开机号和试机号金码关注 | 3d预测汇总 | 3d和值专家推荐和值 | 3d最晚间字谜汇总大全 | 于海滨3d专家预测今天 | 3d字谜太湖字 | 3d专家今天推荐号码推荐 | 牛彩网预测3d | 三d推荐号专家预测今天 | 3d今日专家推荐号 | 于海滨点评专家一语定胆保真版 | 今天3d开机号和试机号对应码查询 | 3d预测最准专家预测牛彩网 | 3d今天开机号和试机号322 | 今于海滨3d预测 | 3d专家今天预测汇总 | 3d预测 下一期 3d预测专家 3d预测 | 牛彩网3d预测汇总大全 | 3d预测最准确的专家预测软件 | 今晚3d专家推荐号 | 专家预测3d号码准确 | 中国福彩3D独胆团队命中率最新 | 3d今晚最准专家推荐号 | 今晚3d专家预测精选一注 | 3d今晚专家推荐预测重点号码 | 今日3d太湖字谜三字诀洞庭游侠 | 独胆三天计划 | 千禧3d试机号关注码金码今天的 | 3d试机号开机号关注号金码 | 马后炮解3d太湖钓叟字谜总汇大全 | 十拿九稳预测专家分析 | 老炮子预测今晚三地 | 于海滨一语定胆《保真》 | 太湖钓叟3d字谜三字诀 | 3d百十差振幅走势图 | 3d和值最近(500)期走势图 | 3d今晚最准最新专家推荐号 | 3d试机号后专家推荐汇总 | 于海滨点评专家一注定胆保真版 | 毒胆牛人三天计划必出 | 3d精准预测最准的专家直选 | 今于海滨3d预测今天单线联系 | 詹天佑3d今晚预测号码 | 3d今晚预测准确的专家预测 | 3d专家最新最准专家预测 | 3d独胆必下一独胆 | 准香港3d漫画资料 | 3d形态预测静态版 | 3d条件预测专区牛彩网 | 今晚3d直选推荐 | 3D独胆下一期杀号 | 3d杀码专家杀码最精准 | 最准3d专家预测推荐 | 3d专家预测推荐号码最准最新 | 排三十拿九稳今天预测 | 3d今天开机号和试机号码200 | 3d之家独胆,双胆 | 骄子铁鹰解3d字谜今日 | 3d专家预测最新 | 3d圣手字谜图谜 | 3d千禧试机号开机号金码 | 于海滨今天3d预测号 | 3d詹天佑预测分析牛彩网 | 3d牛彩网试机号后专家预测汇总 | 千禧3试机号金码关注码金码 | 3d开机号试机号今天最新50期 | 3d专家预测最准最新今天 | 于海滨3d今晚预测号码 | 3d各路专家预测汇总大全最新 | 3d就打一个胆中了多少钱 | 福彩3D独胆下期走势最新 | 3d单个冷号最大遗漏 | 3d基本走势图(专业版)近200期 | 3d今天开机号试机号金码关注号 | 3d今晚开奖结果号码是 | 3d直选走势图(专业版) | 3d双胆大师 | 3d预测最准确的专家 | 最新3d预测专家预测 | 詹天佑最新预测3d | 3d今天开机号和试机号码300 | 3d之家北斗今日预测 | 3d和走势图 和值尾连线 | 3d小胆神独胆今天 | 三d试机号后专家预测汇总 于海滨专家3d今天预测 | 3d预测最准专家 | 3d最准的独胆, | 今日3d蓝仙子一句定三码字谜 | 3d和值振幅走势图带连线坐标 | 今天3d藏机图正版藏机图藏机图太湖横屏 | 3d今晚出的什么号 | 今日3d太湖字谜三字诀试机号 | 3d今晚和值是多少 | 3d独胆双胆预测 | 今日3d开奖号太湖字谜总汇 | 3d十位走势图带连线图表专业版 | 3d小龙一句定三码今日字谜天中图 | 3d定百位一个号多少钱 | 3d和值尾振幅走势图近50期 | 3d百位个位和值走势图 | 3d独胆专家推荐独胆 | 3d专业版(走势图带连线) | 3d今天最新最准专家预测最 | 3d手机牛彩网专家预测 | 3d十大专家推荐号码汇总 | 福家杀码王p3 | 3d独胆三天必出计划论坛 | 3d开机号和试机号金码关注对应号 | 今晚3d开奖号是多少 | 3d今晚十大专家预测汇总 | 3d今晚必下一个胆 | 于海滨专家预测3d两吗 | 3d今晚上必出号推荐组 | 今日3d马后炮解太湖字谜 | 福彩3D独胆当天分析最新 | 3d个位振幅走势图近50期 | 3d预测最准专家 | 3d定位独胆王三个双飞 | 詹天佑推荐3d | 3d牛彩网专家预测 | 3d太湖钓叟字谜三字诀汇总 | 3d试机号后专家预测汇总 | 三d毒胆预测 | 3d杀码最准确 | 千禧3d今晚的试机号码 | 3d解太湖字谜汇总 | 今晚3d预测最准一注 | 福彩3D独胆老师分析最新 | 3d北丐七爷独胆 | 3d开机号今天试机号查询 | 3d预测最准的专家预测 | 排三今晚十拿九稳最新预测 | 今天3d专家预测号码 推荐 | 3d双胆预测| 看彩大亨看独胆双胆预测 | 3d预测最准确的专家 | 廊坊鸿运3d| 3d推荐号今日预测 | 3d牛彩网今天开机号试机号 | 3d千禧开机号试机号关注金码对应码 | 于海滨3d预测牛彩网 | 3d的开机号试机号奖号表 | 3d千禧试机号金码关注最近10期 | 3d双胆中中中 | 3d直选至今未出号 | 十拿九稳预测 | 3d十大专家杀三码 | 3d今晚专家预测最准确一注 | 十拿九稳的最新预测 | 铁人铁胆3d包星定位最新今天 | 3d今晚预测直选一注3d一注预测 | 3d推荐号今晚专家预测 | 今天3d太湖钓叟三字诀字谜 | 3d詹天佑最新预测今天 | 3d今天专家预测号码最准确 | 3d专家最新最准专家预测 | 3d今晚专家预测最准确一注 | 福彩3D独胆老师分析最新 | 3d最准预测专家预测大 | 3d太湖字太湖字谜今天 | 今天3d开机号和试机号牛彩网 | 3d最准的预测专家 | 昨天3d开奖号是多少 | 3d预测号码最准最新准专家预测号 | 3d千禧试机号关注号金码号开机号 | 3d独胆双胆专家预测网 | 3d今于海滨杀码图 | 3d下期预测最精准的一注号码 | 3d今晚最准确一注 | 于海滨海3d预测保真 | 于海滨3d今晚预测 | 3d今晚最准最新专家推荐号 | 3d专家预测汇总 | 今天3d专家推荐号 | 3d开奖号码今晚走势图 | 3d万能三码天天中奖技巧 | 今日3d预测 | 3d今天开机号试机号3 | 3d专家预测号码推荐今天 | 3d开机号试机号今天最新50期 | 3d开心毒胆独胆王 | 3d楚人今晚预测今天 | 今晚3d预测总汇 | 3d预测最准确的专家 | 今天的3d太湖字谜今天晚上 | 今日3d太湖字谜三字诀排三开奖结果 | 白鱼舟最新3d预测 | 3d十大专家双胆预测汇总 | 3d今晚专家预测 | 3d今天专家推荐号码推荐 | 中国福彩3D独胆独家必中 | 3d独胆专家推荐独胆 | 3d最新专家预测汇总大全 | 今天3d推荐号码今晚预测 | 3d预测号专家预测 | 今晚3d推荐号 | 太湖字谜3d和值谜 | 浙江风采3d走势图表 | 3d千禧开机号试机号关注金码 | 3d今晚专家预测 | 三天计划独胆牛人 | 今于海滨3d预测今天275 | 唐龙点评3d预测今天 | 3d专家预测最准最新今天 | 3d胆预测天齐网 | 陈华今晚就赌一个胆预测 | 十拿九稳的最新预测 | 3d最精准的专家预测精选 | 福彩3D独胆团队分析最新 | 3d预测汇总 | 中国福彩3D独胆下期分析最新 | 牛人独胆二天计划 | 3d和值尾振幅走势图近50期 | 3d 图谜字谜总汇 | 3d最准确最新专家预测 | 中国福彩3D独胆最新必中 | 3d彩宝网开机号和试机号 | 3d晶晶必下一独胆今天 | 3d怎么守号不亏 | 三d牛彩网开机号试机号是多少 | 3d和值尾振幅走势图带连线图表 | 3d和值宫数线走势图 | 于海滨海3d专家杀码 | 3d专家预测汇总牛彩网彩摘收集 | 了3d开奖结果 今天晚上 | 中国福彩3D独胆独家预测 | 3d今天绕胆图彩之网 | 3d振幅和值尾走势图 | 3d,预测| 3d开机号和试机号金码关注对应码 | 3d预测号码最准最新准专家预测号家彩网 | 3d藏机图正版藏机图汇总今天最新 | 3d专家预测最准确今天 | 3d金胆王 | 中国福彩3D独胆内部走势最新 | 独胆王三天计划 | 今日3d预测号码推荐 | 福家老三3d推荐号 | 今天3d开机号和试机号对应金码 | 今晚3d最准专家预测号 | 3d预测一注推荐 | 3d预测专家推荐最新 | 孟庆会点评 专家一语定胆 稳准狠三天计划 | 3d静态版预测静态版 | 3d十位走势图带连线图表专业版 | 3d开机号试机号今天开奖号 | 3d推荐号今晚专家预测最准确 | 3d预测最准最新准专家预测号码 | 3d试机号金码号是多少 | 3d开机号和试机号金码今天的 | 福彩3D独胆老师必中最新 | 3d詹天佑预测分析牛彩网 | 今天3d开机号试机号牛彩网 | 助赢计划软件免费版下载安装 | 3d李明启预测号 | 3d预测最准专家预测号码 | 3d今晚上预测号码 | 3d焰舞和值谜字谜 | 3d推荐号3d推荐号码 | 3d开机号试机号奖号 | 3d每天一个独胆 | 3d北斗专家北斗预测今天079期3d | 今天3d詹天佑预测分析 | 今天3d杀码 | 3d今天专家预测最准确 | 排五开机号试机号今天查询 | 7号电池最建议买的三个型号 | 今天3d开机号和试机号码是多少 | 3d今晚预测最新最准确号码牛彩网 | 3d精准预测最准的专家直选 | 3d必中永久直选500注大底 | 3d下期预测最精准的一注号码 | 3d字谜总汇今日3d字谜总汇牛彩网 | 3d专家推荐最新预测 | 今晚3d专家最精准的预测 | 福家老三3d推荐号 | 3d专家预测号码手机牛彩网 | 3d今晚必中一注 | 福彩3D独胆下期推荐预测 | 于海滨海3d专家预测 | 千禧3d今天的试机号 | 3d开奖结果今晚号码 | 福彩3D独胆高手杀号最新 | 3d今晚惊天一注预测 | 3d今晚预测最新最准确 | 3d鬼手字谜和谜 | 太湖三字谜太湖3d钓叟 | 3d今晚专家预测最准确一注 | 三码合一是什么意思? | 3d今晚专家预测最准确一注 | 3d今晚字谜太湖字谜是什么 | 3d最新最准专家预测号码 | 3d预测专家推荐最准确 | 3d今晚专家预测最准确一注 | 3d太湖专家预测今晚 | 福彩3D独胆高手杀号最新 | 于海滨今天预测 | 3d北斗专家北斗预测今天079期3d | 3d之家独胆,双胆 | 今晚3d专家推荐号码是多少 | 3d走势图的基本走势图 | 千禧3d试机号关注号 | 3d独胆是什么意思 | 3d上下五千年专家预测 | 最准杀码王p3 | 3d小差振幅走势图表图 | 3d预测最准的专家预测 | 3d两胆精准预测 | 3d和值尾振幅走势图近50期 | 今天3d千禧试机号关注号金码号 | 3d今天预测最准确专家 | 3d开机号今天近10期 | 3d开机号和试机号金码关注对应码 | 3d今晚开机试机号 | 三d预测最准十专家预测今晚 | 今日3d字谜太湖钓叟字谜正版 | 铁人铁胆3d包星定位最新今天 | 千禧p3试机号关注号金胆对应号 | 3d走势图专业版(带连线) | 3d预测专家推荐号码 | 今晚3d专家推荐号 | 3d太湖钓叟字谜三字诀论坛 | 马到成功杀两码最新版本更新内容 | 3d洞庭湖水今日预测分析 | 三地千禧试机号关注金码对应码 | 3D独胆团队命中率最新 | 3d字谜财神一语定一注 | 3d预测号码最准最新准专家预测号 | 今晚钱王点评推荐号 | 太湖字谜3d和值谜 | 福彩3D独胆大神精准预测 | 西施姐姐就赌一个独胆 | 中国福彩3D独胆内部杀号 | 3d专家预测最准确最新今天牛彩 | 排五近100期开奖号结果 | 3d今天开机号和试机号码727 | 3d预测专家最准确 | 三d之家独胆 | 福彩3D独胆大神精准预测 | 3d杀码专家杀码 | 3D独胆明日分析 | 3d今天预测最准确专家 | 3d今晚精准一注 | 3d今天试机号和开机号 | 3d太湖字谜大全 太湖钓叟 | 三d独胆 | 3d走势图带试机号彩宝网 | 太湖试机号后一句定三码3d字谜 | 毒胆牛人三天计划今天 | 3d开奖号码今晚走势图 | 试机号开机号金码关注号对应码3d | 3d杀码最准确 | 3d专家预测最准确最新推荐号码 | 3d独胆王今天 | 3d独胆预测| 3d今晚专家推荐 | 今天3d专家推荐号 | 排三十拿九稳今天预测 | 3d带线走势图牛彩网 | 3d今天最新最准专家预测最 | 3d精选号码推荐今天最新 | 3d最新专家预测汇总大全 | 今天p3藏机图正版藏机图 | 钱王点评钱王老头预测 | 3d预测专家汇总预测 | 3d专家预测汇总牛彩网 | 今天3d专家预测号码 推荐 | 3d单式怎么才算中奖 | 今天3d藏机图正版藏机图藏机图太湖横屏 | 3d号码预测和推荐号今天 | 今日3d专家推荐号码 | 今天3d太湖字谜三字诀 | 3d今晚最准最新专家推荐号 | 今日3d开奖号今晚 | 3d专家今天推荐号 | 福家老三3d推荐号 | 唐龙预测一胆今天 | 3d预测最准专家预测 | 三3d太湖字谜 | 今晚3d专家推荐号码是多少 | 3d开机号和试机号今天全部 | 于海滨3d预测牛彩网 | 3d走势图带试机号彩宝网 | 十拿九稳今天预测专家 | 福彩3D独胆本期推荐 | 3d预测专家推荐最准确 | 3d最精准专家预测汇总今天 | 3d最准确最新专家预测 | 3d直选走势图(专业版) | 试机号开机号金码关注号对应码3d | 3d最准杀码| 孟庆会老师3d分析预测 | 今日3d字谜3d一句定三码诗天中图 | 3d组三一注多少钱 | 3d开机号今天近10期 | 福彩3D独胆明日推荐 | 3d今晚专家预测最准确一注 | 独胆王三天计划 | 3d杀码预测 | 三d十拿九稳预测号码 | 今天3d藏机图正版藏机图藏机图太湖横屏 | 北斗3d今日专家预测推荐 | 3d试机号后专家预测推荐汇总 | 3d杀码公式最新 | 太湖钓叟三字诀字谜更新 | 3d专家预测最准双胆 | 福彩3D独胆下期推荐预测 | 3d成功路上人双胆独胆 | 3d今于海滨杀码图 | 今晚3d预测专家预测号 | 3d独胆必下 | 3d今晚精彩预测 | 3d最新专家预测汇总大全 | 今天3d专家推荐号 | 3d推荐最新最准专家预测 | 今晚3d专家推荐号码是多少 | 3d今晚最新预测 | 3d今晚最准最新专家推荐号 | 3d预测最准确专家预测 | 3d近30期开机号试机号开奖号查询 | 3d玩彩老头预测今天号码 | 中国福彩3D独胆独家预测 | 3d孔方来萃解太湖字谜 | 3d太湖字谜图谜总汇 | 3d最新专家预测精选一注 | 今晚3d试机号开机号金码号 | 今天3d开机号和试机号金码 | 3d最新专家预测汇总大全 | 唐龙一胆今天最新 | 3d今晚的开奖号码 | 今日3d开奖号太湖字谜总汇 | 3d杀码专家杀码天齐网 | 3d精准一注| 3d计算机开机号夏天推荐 | 3d今晚上推荐号码 | 今天3d太湖字谜三字诀 | 千禧p3试机号关注号金胆对应号 | 于海滨3d杀码图 | 3d今晚字谜太湖字谜是什么 | 3d专家预测最准确最新今晚预测 | 小红人的三天计划今天是什么 | 三d独胆王独胆双胆 | 3d预测专家推荐最准确 | 3d今晚最稳一注 | 3d直选走势图(专业版) | 苏会文3d预测今天推荐 | 3d今天开机号,试机号 | 万能6码走势图 | 3d百十差振幅走势图 | 3d双飞大师双胆组合 | 3d太湖字谜三字诀 | 3d今晚预测最准确一注今天 | 3d今晚预测直选一注3d一注预测 | 3d杀码条件今天最准 | 3d推荐号 | 中国福彩3D独胆最新推荐 | 唐龙点评3d预测今天 | 三d毒胆预测 | 3d和值谜汇总大全 | 3d今日号码推荐 | 3d预测最准确的专家 | 陈华3d预测今天推荐 | 3d今晚最准最新专家推荐号 | 3d今天开机号和试机号322 | 3d开机号和试机号200期列表 | 3d最准确最新专家预测 | 3d双胆独胆非常非常稳定 | 3d独胆王定位独胆定位 | 3d彩吧图库红五3d图库 | 钱王老头点评牛彩网 | 中国福彩3D独胆当天走势最新 | 3d预测专家推荐最准确 | 3d于海滨上的今天杀码 | 3d最准确专家预测 | 中国福彩3D独胆当天精准预测 | 福彩3D独胆最新命中率 | 3d试机号后专家推荐汇总 | 3d计算机开机号夏天推荐 | 财神爷独胆三天计划,就这么牛 | 3d字字谜图谜总汇 | 3d预测号码最准确专家预测 | 今日太湖字谜3d字谜太湖钓叟 | 3d今晚预测开奖号码 | 看彩大亨最新独胆预测 | 今晚3d试机号码和开机号 | 3d今晚推荐号码最新 | 3d十大专家双胆预测汇总 | 3d预测最准确的专家预测软件 | 福彩3D独胆老师杀号最新 | 中国福彩3D独胆当天分析 | 孟庆会专家3d预测 | 马到成功杀两码最新版本更新内容 | 3d专家最新最准预测 | 3D独胆今晚命中率最新 | 3d和值和尾振幅走势图 | 3d老炮子直选三注 | 今天晚上的3d开奖结果 | 今天最准3d预测号 | 3d预测号最新最准牛彩网 | 3d专家今日推荐号码 | 3d推荐号今晚专家预测 | 3d北丐七爷独胆 | 3d开机号和试机号今天 今晚 | 3d开机号和试机号金码关注对应号 | 开奖结果3d今天晚上 | 今日3d专家预测号码推荐 | 今日3d马后炮解太湖字谜 | 3d专家预测最准确今天南方双彩网 | 今天3d开机号关注号试机号金码 | 3d预测今晚最准专家预测号码 | 3d陈华今晚就赌一胆今天最新消息 | 3d基本走势图(专业版)近200期 | 3d专家预测最准确今天牛彩网 | 3d紫云涧专家预测推荐 | 3d专家预测最准确最新推荐号码 | 3d最全晚间字谜汇总大全 | 排五预测最准专家 | 3d今天推荐号码是多少 | 太湖钓叟3d字谜太湖字 | 3d今晚预测一注 | 唐龙3d预测今日出号点评 | 3d和值振幅走势图带连线坐标 | 3d专家预测最准确最新汇总 | 3d专家预测号码推荐今天 | 3d真实的谎言正版和值字谜 | 3D独胆明日精准预测 | 3d百位走势图带连线图表专业版 | 3d独胆双胆 | 3d试机号今晚开机号 | 3d精准定位专家预测 | 詹天佑最新预测3d | 3d今日专家推荐号 | 三d之家独胆 | 今天3d开机号试机号金码 | 三地千禧关注码试机号 | 3d专家预测最新最准推荐 | 3d于海滨预测预测牛彩网 | 福彩3D独胆下一期命中率最新 | 福彩3D独胆实时走势 | 3d跨度遗漏值振幅走势图彩经网 | 3d预测号最新最准牛彩网 | 福彩3D独胆老师精准预测最新 | 3d詹天佑最新预测 | 3d专家预测推荐号码最准最新 | 3d绝杀二码今天最新更新内容 | 3d百十和尾振幅走势图走势 | 3d千禧开机号试机号关注金码对应码 | 3d专家预测最准确最新今天 | 3d和值推算公式 | 3d解太湖字谜汇总 | 3d独胆王精准100% | 3d预测号最新最准牛彩网 | 3d专家预测最准确今天上一期 | 于海滨3d最新预测 | 3d胆王专家定十位 | 3d推荐号今晚专家预测 | 福彩3D独胆下一期推荐 | 3d字字谜图谜总汇 | 3d今晚预测最新最准确号码牛彩网 | 3d打一个独胆中了多少钱 | 3d顶级胆神双胆 | 3D独胆下期最新精准预测 | 3d推荐号今晚专家预测最准确 | 3d免费预测汇总牛彩网 | 3b预测汇总牛彩网 | 3d今晚一注直选 | 3d开机号试机号关注号金码对应码 | 3d十位走势图带连线图表专业版 | 3D独胆团队精准预测最新 | 中国彩吧更一懂彩民最新版本更新时 | 3D独胆下期最新预测 | 于海滨3d今晚预测号码 | 3d预测专家汇总预测 | 3d下期预测最精准的一注号码 | 杀码3d杀码图 | 牛人高手【3d精选】 | 今日3d马后炮解太湖字谜 | 今晚3d推荐号码 | 3d专家预测汇总 | 中国福彩3D独胆当天精准预测最新 | 独胆三天计划 | 3d今晚预测一注 | 3d预测号码最准最新准专家预测号家彩网 | 3d预测专家最准确 | 3d小胆神独胆今天 | 3d专家预测最准确今天 | 千禧3d试机号关注码金码列表 | 3d开机号和试机号金码今天的 | 神龙毒胆王今晚给胆 | 财神爷独胆三天计划,就这么牛 | 辽宁独胆王三天计划 | 3d百位走势图带连线图表专业版 | 3d开机号和试机号码牛彩网 | 3d今日开机号和试机号及关注码 | 今晚3d专家预测汇总 | 3d藏机图正版藏机图 | 3d试机号后专家预测汇总 | 3d今晚专家预测最准确一注 | 3d综合走势图直选 | 3d今晚最新预测 | 开奖结果3d今天晚上 | 三地杀码高手 | 3d专家预测汇总牛彩网彩摘收集 | 3d今晚最准专家推荐号 | 3d专家预测号码推荐今天 | 中国福彩3D独胆下期最新必中 | 彩界毒胆大师一枚毒胆 | 3d字谜总汇今日3d字谜总汇牛彩网 | 骄子铁鹰解3d字谜今日 | 于海滨杀码今天最新版 | 三d三胆 | 3d试机号今天开机号查询结果 | 3d预测最新最准3d之家 | 至尊计划王三天计划独胆 | 3d百位十位个位走势图 | 3d今天开机号和试机号多少 | 3d最准预测专家预测汇总 | 3d号码预测牛彩网 | 3d解太湖字谜汇总 | 千禧试机号关注金码是什么 | 今日3d预测| 3d推荐号今晚专家预测 | 3d最准预测专家预测汇总 | 3d今日专家推荐号 | 3d独胆专家推荐独胆 | 家彩专门提供3d试机号开机号 | 3d任意两码差值尾走势图 | 福彩3D独胆今晚走势最新 | 于海滨一语定胆 | 3d和值基本走势图 | 一定牛3d一注号推荐3d预测今天 | 杀码大全汇总 | 3d太湖专家预测今晚 | 3d今晚最准专家预测号码 | 3d北斗专家北斗预测今天079期3d | 3d最准预测号 | 3d专家推荐最新预测 | 3d推荐专家汇总 | 十拿九稳预测 | 3d预测专家推荐最新 | 3d预测最准确的专家预测软件 | 3d专家预测最准确最新推荐号码 | 今晚3d专家最精准的预测 | 于海滨海3d预测保真 | 铁人铁胆包星定位今天最新结果 | 3d试机号后专家推荐汇总 | 3d预测最准最新准专家预测 | 3d最准预测专家汇总大全 | 今天的太湖3d字谜 | 3d振幅和值尾走势图 | 3d今晚推荐一注 | 3d百十个位杀码家彩网 | 马到成功杀两码最新版本更新内容 | 今日期3d太湖字谜 | 于海滨3d杀码预测 | 3d带连线走势图(专业版) | 今天3d牛彩网专家预测 | 陈华3d预测今天推荐 | 今晚解太湖3d字谜 | 3d百位个位和值走势图 | 今日3d预测号码推荐 | 今晚3d推荐号 | 3d必中永久直选500注大底 | 开心毒胆王今晚独胆 | 三天计划胆十组合 | 3d和值跨度走势图带连线 | 3d湘西胆王今日字谜 | 3d带专业连线走势图 | 今天3d专家推荐重点号 | 真实的谎言3d字谜追加和值谜 | 3d今晚最准最新专家推荐号 | 3d今天试机号开机号关系 | 浙江风采3d走势图表 | 今天3d推荐号码今晚预测 | 3d今天专家推荐号码推荐 | 牛彩网3d预测 | 3d最准一个独胆毒胆 | 今天3d定位字谜二 | 3d最准的预测专家 | 3d专家预测最准确最新今天牛彩 | 3d晶晶必下一独胆今天 | 3d近30期开奖号码 | 3d独胆陈华今晚就赌一个胆 | 中国彩吧更一懂彩民最新版本更新时 | 3d十大专家汇总大全 | 3d图谜字谜总汇 | 今日期3d太湖字谜 | 3d今晚预测 | 张克永专家3d预测 | 3d红波蓝波走势图大中小 |